文章来源《数字孪生技术与工程实践》

数字孪生技术,是从数字模型、数字样机的相关技术发展而来;
而对于生产系统的数字孪生,又和虚拟制造这一技术相关。
因此,数字孪生不是全新的技术,它具有建模仿真、虚拟制造、数字样机等技术的特征,并在这些技术的基础上进行了发展。
数字孪生这一词汇出现在2011年,但是当时没有引起大家的重视,在制造领域,西门子公司在这个时期基于其Tecnomatix平台提出了“数字双胞胎”,在德国大众奥迪品牌线开始应用。
直到2017年,Gartner公司将数字孪生列为十大新兴技术之后,该技术才开始在各个行业得以推广。
在此期间,新兴信息技术的发展,为数字孪生的实现提供了支撑,也丰富了数字孪生的内涵,推动了数字孪生技术的不断发展。
本章对引出数字孪生这一概念的技术基础,以及推动数字孪生落地和发展的新兴信息技术做一简单介绍(见图2-1),这些技术也是实现一个数字孪生系统所需要的基本技术支撑。
在此基础上,本章给出数字孪生系统的一般架构及主要组成部分。
数字孪生不是一种单一的技术,而是一系列技术的综合应用。
数字孪生为这些技术在智能制造、智能建造和智慧城市等领域的应用提供了全新的、具体的场景,带动了相关技术的进一步发展。

图2-1 数字孪生相关技术
2.1 数字孪生的技术基础
数字孪生的技术基础,是指在数字孪生这一概念出现之前,就已经广泛研究和应用的技术。
这些技术的发展促使“数字孪生”这一概念的产生,同时,数字孪生技术的出现和发展也会对这些技术产生新的发展需求。
这些技术主要包括建模仿真技术、虚拟制造技术和数字样机技术。
2.1.1 建模仿真技术
1 模型和数字制造模型
模型是对现实系统有关结构信息和行为的某种形式的描述,是对系统的特征与变化规律的一种定量抽象,是人们认识事物的一种手段或工具。
模型大致可以分为三类:
1)物理模型:指不以人的意志为转移的客观存在的实体,如飞行器研制中的飞行模型,船舶制造中的船舶模型等。
2)形式化模型:用某种规范表述方法构建的、对客观事物或过程的一种表达。
形式化模型实现了一种客观世界的抽象,便于分析和研究。
例如,数学模型,是从一定的功能或结构上进行抽象,用数学的方法来再现原型的功能或结构特征。
3)仿真模型:指根据系统的形式化模型,用仿真语言转化为计算机可以实施的模型。
模型的构建,一般都会有一套规范的建模体系,包括模型描述语言、模型描述方法、模型构建方法等。
数学就是一种表达客观世界最常用的建模语言。
在软件工程里面常用的统一建模语言(UML)也是一种通用的建模体系,支持面向对象的建模方法。
在制造行业,数字制造模型是数字制造全生命周期中的一个不可缺少的工具。
数字制造全生命周期包括数据处理、数字传输、执行控制、事务管理和决策支持等,它是由一系列有序的模型构成的,这些有序模型通常为:
功能模型、信息模型、数据模型、控制模型和决策模型,有序通常指这些模型分别是在数字制造的不同生命周期阶段上建立的。
数字制造模型有多种分类方式。
从形式上分,有全局结构模型(如制造系统体系结构)、局部结构模型(如柔性制造系统模型)、产品结构模型和生产计划调度模型等;
从方法上分,有数学解析模型(如状态空间模型)、图示概念模型(如集成计算机辅助制造定义模型)及图示-解析混合模型(如Petri网模型)等;
从功能上分,有结构描述模型、系统分析模型、系统设计实施模型和系统运行管理模型等。
在数字制造中,需要用模型加以描述的对象包括:
1)产品:产品的生命周期需要采用各种产品模型和过程模型来描述。
2)资源:机器设备、资金、各种物料、人、计算设备、各种应用软件等制造系统中的资源,需要用相应模型描述。
3)信息:对数字制造全过程的信息的采集、处理和运用,需要建立适当的信息模型。
4)组织和决策:将数字制造的组织和决策过程模型化是实现优化决策的重要途径。
5)生产过程:将生产过程模型化是实现制造系统生产、调度过程优化的前提。
数字制造建模就是运用适当的建模方法将数字制造全生命周期的各个对象、过程等抽象地表达出来,并通过研究其结构和特性,进行分析、综合、仿真及优化。
2 仿真的基本概念
对于仿真,人们一般先进行一些数学处理,然后,通过计算来推理和研究。
后来,电子计算机技术产生和发展,人们发现可以利用模拟电路去研究工业控制过程中的实际问题,由此产生了现代控制理论。
而这个模拟电路就是工业控制系统的一个模型,通过在这个模型上进行实验,就可以解决实际控制过程中产生的问题。
例如,在飞机设计过程中,由于飞机造价的昂贵,用真实的飞机进行实验是不现实的。
为了获得飞机外形的气动数据,尤其是飞机机翼的气动数据,必须制作各种不同形状的机翼模型放到风洞中进行实验。
风洞实验的结果改进了飞机的设计理论,而利用这个理论又可以去设计新型的飞机。
诸如解决这些问题的方法,就是现代仿真技术,在这个时期,人们在利用仿真方法研究或求解问题时,都是利用实物去构造与实际系统成比例的物理模型,在这个模型上进行实验。
因此,从一般意义上讲,在对一个已经存在或尚不存在但正在开发的系统进行研究的过程中,为了了解系统的内在特性,必须进行一定的试验,由于系统不存在或其他一些原因,无法在原系统上直接进行实验,只能设法构造既能反映系统特征又能符合系统实验要求的系统模型,并在该系统模型上进行实验,以达到了解或设计系统的目的,于是,仿真技术就产生了。
根据ISO(国际标准化组织)定义,模拟(Simulation)即选取一个物理的或抽象的系统的某些行为特征,用另一系统来表示它们的过程。
仿真(Emulation)即用另一数据处理系统,主要是用硬件来全部或部分地模仿某一数据处理系统,使得模仿的系统能像被模仿的系统一样接收同样的数据,执行同样的程序,获得同样的结果。
从这个意义上讲,在计算机中构建真实系统的模型,进行分析的过程应该称为“计算机模拟”,但是目前习惯上还是称为“计算机仿真”。
在不引起歧义的情况下,本书统一用习惯用语“仿真”来表述上述的“模拟”和“仿真”的概念。
仿真就是建立系统的模型(数学模型、物理模型或数学-物理效应模型),并在模型上进行实验。
仿真是建立在控制理论、相似理论、信息处理技术和计算技术等理论基础之上的,以计算机和其他专用物理效应设备为工具,利用系统模型对真实或假想的系统进行实验,并借助于专家经验知识、统计数据和资料对实验结果进行分析研究并做出决策的一门综合性和实验性的学科。
3 仿真模型
建模与仿真是指构造现实世界实际系统的模型和在计算机上进行仿真的复杂活动,它主要包括实际系统、模型和计算机三个基本部分,同时考虑三个基本部分之间的关系,即建模关系和仿真关系。
建模关系是通过对实际系统观测和检测,在忽略次要因素及不可监测变量的基础上,用规范表述方法(如数学的方法)进行描述,从而获得实际系统的简化近似模型。
仿真关系主要研究计算机程序的实现与模型之间的关系,其程序能为计算机所接受并在计算机上运行。
仿真研究就是把构建好的形式化模型(如数学模型)放在计算机上运行求解。
数学模型是人类用数学语言描述客观事物的一种表达,它不能直接在计算机上进行运算。
一个真实系统的数学模型往往相当复杂,依靠人工计算来求解,是非常困难的,必须借助于计算机的高速运算来进行求解。
因此,人们就需要把数学模型转换成计算机可以理解的模型,即按照计算机语言和计算机运算的特点(或者说按照一定的算法)进行重新构造模型,这个过程被称为仿真建模。
至此,根据仿真模型就可以利用计算机语言编写程序了,再把编写好的程序在计算机上运算求解,并用数字或图形等方式表示计算结果,这就是计算机仿真的基本过程。
根据仿真建模技术的基本原理,建模与仿真分别代表了两个不同的过程,建模是指根据被仿真的对象或系统的结构构成要素、运动规律、约束条件和物理特性等,建立其形式化模型的过程,仿真则是利用计算机建立、校验、运行实际系统的模型,以得到模型的行为特征,从而分析研究该系统的过程。
图2-2表示了这个过程,整个过程有两个抽象和转换的过程,其一是从物理系统到形式化模型(如数学模型),这个是物理空间到信息空间的一个抽象,其二是形式化模型(如数学模型)到计算机仿真模型的转换,这个过程是为了保障仿真能顺利开展。
建模是仿真的基础,仿真是建模的目的。在仿真技术的实际应用中,人们总是追求两者之间具有清晰的关系,主要表现为建模框架和仿真框架的分离,这样便于实现通用的仿真控制和实验环境,使得研究人员可以集中精力于对仿真对象系统的建模研究上,同时实现较高的建模灵活性、可维护性以及代码可重用性。
仿真框架则主要提供对仿真系统的控制功能的描述。
在传统的面向过程的仿真建模方法中,仿真系统的控制功能被嵌入描述模型的过程,代码中仿真涉及的各种控制功能与模型的建模元素不能明确地区分开,这种建模结构与控制结构混为一体的方式使得模型结构复杂,缺乏可扩展性,难于维护和修改,代码可重用性低。

图2-2 建模和仿真的一般过程
在选择建模方法时,应该考虑被讨论的系统的特征,以及所要跟踪问题的性质。
常用的仿真建模方法包括静态/动态建模方法、连续/离散建模方法、随机/确定性建模方法以及面向对象和多智能体仿真建模方法。
4 仿真建模方法
仿真建模已经在广泛而多样的应用领域中积累了众多的成功案例。
随着新的建模方法和技术的涌现,以及计算机性能的快速增长,仿真建模技术将应用到更加广泛的领域中。
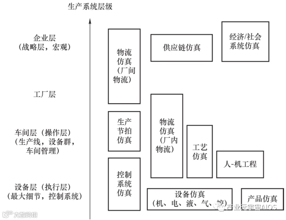
以生产系统为例,仿真建模的应用如图2-3所示。
图2-3列出了生产系统各个层次对应的仿真建模应用。
底层是设备级建模,表示在现实世界中具有最大细节化的实体。
在这个层面的仿真,很多是多学科的,包括机械、电子/电气、液压/气动以及控制系统的建模和仿真,用于分析某个产品或某个设备的运行情况,验证设计方案。
图2-3中最上面的是企业层高度抽象的仿真,针对企业宏观决策、应对策略等方面的建模与仿真,例如,针对社会、经济因素的系统仿真,供应链仿真等。
这些模型往往定性和定量结合,建模涉及的周期长,是针对一个较长时间范围内的仿真。

图2-3 生产系统各个层次对应的仿真建模应用
在这两个层面之间的,是一个中间规模和中等细节的建模。
例如,物流仿真、生产过程仿真、工艺仿真等。
选择合适的抽象层,对于建模至关重要。
前面说过,模型是对实际系统的一个抽象,只有明确了模型所需要包含和舍弃的部分,才能构建出复杂程度适合、能真正解决实际问题的仿真模型。
仿真建模方法,就是一个映射真实世界的常规模型框架。
仿真建模方法给出了适用于仿真的建模语言与一系列术语和条件,目前为止,在生产系统领域,主要建模方法包括:离散事件建模、基于智能体建模和系统动力学建模。
每一种建模方法都适用于其特定的抽象层级范围。
系统动力学建模适合较高的抽象层级,其在决策建模中已经得到了典型应用;离散事件建模支持中层和偏下层的抽象层级;
基于智能体建模适合多抽象层级的模型,既可以实现较低抽样层级的物理对象细节建模,也可以实现公司和政府等较高抽象层级的建模。
仿真建模方法的选择要基于所需模拟的系统和建模的目标来决定。
2.1.2 虚拟制造技术
虚拟制造技术(Virtual Manufacturing Technology,VMT)是以虚拟现实和仿真技术为基础,对产品的设计、生产过程统一建模,在计算机上实现产品全生命周期的模拟仿真,从设计、加工和装配、检验、使用到回收,无需进行物理样品的制造,从产品的设计阶段开始就能够模拟出产品性能和制造流程,通过该种方式来优化产品的设计质量和制造流程,优化生产管理和资源规划,最小化产品的开发周期以及开发成本,最优化制造产品的设计质量,最高化企业的生产效率,从而形成企业强大的市场竞争力。
比如波音777型飞机,在计算机上完成了整机设计、各类测试、整机装配和不同环境下的试飞,成功地把开发周期从过去的8年缩短到5年;
Chrysler公司与IBM公司合作新型车的研制也在虚拟制造环境中进行,在样品车实际生产之前就发现了定位系统以及一些其他的设计缺陷,缩短了研制周期。
虚拟制造是实际制造过程在计算机上的本质实现,即采用计算机仿真与虚拟现实技术,在计算机上实现产品开发、制造管理与控制等制造的本质过程,以增强制造过程各级的决策与控制能力。
虚拟制造的特点有:
1)模型化:虚拟制造以模型为核心,本质上还是属于仿真技术,离不开对模型的依赖,涉及的模型有产品模型、过程模型、活动模型和资源模型。
2)集成化:虚拟制造以模型信息集成为根本,虚拟制造对单项仿真技术的依赖决定了它所面临的是众多的适应各单项仿真技术的异构模型,如何合理地集成这些模型就成为虚拟制造成功的基础。
3)拟实化:虚拟制造以拟实仿真为特色,主要指仿真结果的高可信度,以及人与这个虚拟制造环境交互的自然化。
虚拟现实(Virtual Reality,VR)技术是改善人机交互自然化的普遍认可的途径。
根据虚拟制造所涉及的工程活动类型不同,虚拟制造分成三类,即
以设计为核心的虚拟制造(Design-centered VM)、
以生产为核心的虚拟制造(Production-centered VM)
和以控制为核心的虚拟制造(Control-centered VM)。
这种划分结果也反映了虚拟制造的功能结构。
1)设计性虚拟制造:把制造信息引入到产品设计全过程,强调以统一制造信息模型为基础,对数字化产品模型进行仿真、分析与优化,从而在设计阶段就可以对所设计的零件甚至整机进行可制造性分析,包括加工工艺分析、铸造热力学分析、运动学分析、动力学分析、可装配性分析等。
为用户提供全部制造过程所需要的设计信息和制造信息以及相应的修改功能,并向用户提出产品设计修改建议。
2)生产性虚拟制造:在生产过程模型中融入仿真技术,是在企业资源(如设备、人力、原材料等)的约束条件下,实现制造方案的快速评价以及加工过程和生产过程的优化。
它对产品的可生产性进行分析与评价,对制造资源和环境进行优化组合,通过提供精确的生产成本信息对生产计划与调度进行合理化决策。
它贯穿于产品制造的全过程,包括与产品有关的工艺、夹具、设备、计划以及企业等。
3)控制性虚拟制造:为了实现虚拟制造的组织、调度与控制策略的优化以及人工现实环境下虚拟制造过程中的人机智能交互与协同,需要对全系统的控制模型及现实加工过程进行仿真,这就是以控制为中心的虚拟制造。
以上三种虚拟制造分别侧重于产品设计、生产制造过程和系统控制三个不同方面。
但它们都以计算机建模、仿真技术作为重要的实现手段,通过对产品和生产系统相关元素进行统一建模,用仿真支持设计过程、模拟制造过程,进行成本估算和生产调度。
2.1.3 数字样机技术
1 数字样机的概念
数字样机(Digital mock-up,DMU)技术兴起于20世纪90年代。
数字样机技术是以CAD/CAE/DFx(Design for X,是一种面向产品生命周期的设计理念,其中“X”代表产品生命周期中某一环节,如装配、安装、维护等)技术为基础,以机械系统运动学、动力学和控制理论为核心,融合计算机图形技术、仿真技术以及虚拟现实技术,将多学科的产品设计开发和分析过程集中到一起,使产品的设计者、制造者和使用者在产品设计研制的早期就可以直观形象地对产品数字原型进行设计优化、性能测试、制造仿真和使用仿真,为产品的研发提供了全新的数字化设计方法。
数字样机技术从设计及制造的角度出发,借助于计算机技术对产品的各项参数进行设计、分析、仿真与优化,达到替代或精简物理样机的目的。
数字样机技术使设计者可以在没有制作新产品物理样机的情况下,利用数字模型对新产品的性能和制造过程进行仿真测试实验。
通过它,设计者能够及时地发现设计中的错误,提高工作效率和设计质量。
这不仅为企业节省了大量设计经费,也能够有效缩短新产品的设计周期。
前面所述的波音777、787等型号飞机的设计,就是采用了数字样机技术。
数字样机是建立在三维几何模型基础上的可仿真数字模型,可以对产品进行功能、几何、物理性能等方面的分析。
应用数字样机技术可使产品设计者、制造者和使用者,在产品的设计阶段就基于数字化环境直观地了解产品的几何特性,再利用仿真技术对产品的数字模型进行性能测试和制造仿真,及早发现并解决问题,从而达到优化产品的目的。
数字样机技术的出现和逐步成熟为提高设计质量、减少设计错误和提高设计工作效率等方面提供了强大有力的工具和手段,具有重大的意义。
数字样机的虚拟数字模型不只是几何模型,还包括多物理场、多学科的分析模型、边界条件模型、分析结果模型,它可以替代物理样机进行产品性能分析和预测。
2 数字样机的相关技术
为了能够更好地替代物理样机对新产品进行分析,真实地反映新产品的特性,数字样机分析软件在进行机械系统运动学和动力学分析时,需要融合其他相关技术。
数字样机的开发和实施涉及以下技术:
1)几何形体的计算机辅助设计(CAD)技术。
用于机械系统的几何建模,或者用来展现机械系统的仿真分析结果。
在几何建模中,模型主要是二维图形、三维线框和三维实体造型。
几何建模技术还包括不同格式的几何模型间的无损变换、几何模型的渲染技术(主要有表面纹理修饰和光照技术)和几何模型的操纵技术(涉及模型的立体显示、消隐、透明等)。
2)计算机辅助工程(CAE)技术,主要是有限元分析(FEA)技术。
可以利用机械系统的运动学和动力学分析结果,确定进行机械系统有限元分析所需要的外力和边界条件,或者利用有限元分析对构件应力、应变、强度、温度等进行进一步的分析。
3)模拟各种工况的软件编程技术。
数字样机软件运用开放式的软件编程技术来模拟各种力和动力,例如电动力、液压动力、风力等,以适应各种物理、控制系统的要求。
4)控制系统设计与分析技术。
数字样机可以运用传统的和现代的控制理论,进行系统控制部分的仿真分析,或者可以应用其他专用的控制系统分析软件,进行机械系统和控制系统的联合分析。
5)优化分析技术。
运用数字样机分析技术进行产品各系统的优化设计和分析是一个重要的应用领域,通过优化设计,确定最佳设计结构和参数值,使产品获得最佳的综合性能。
3 数字样机的特点
虽然人们对数字样机的概念有不同的认识,但是数字样机都具有以下三个特点:
1)真实性:真实性是数字样机最本质的属性。
采用数字样机的根本目的是取代或者精简物理样机。
因此数字样机应是“具有一定的原型产品或系统真实功能并能够与物理原型相媲美的计算机仿真模型”,可以在几何、物理与行为各个方面逼近物理样机。
①几何真实性。
数字样机具有和实际产品相同的几何结构与几何尺寸,相同的颜色、材质与纹理,使得设计者能真实地感知产品的几何属性。
②物理真实性。
数字样机具有和实际产品相同或相近的运动学与动力学属性,能够在虚拟环境中模拟零件间的相互作用。
③行为真实性。
在外部环境的激励下,数字样机能够做出与实际产品相同或相近的行为响应。
2)面向产品全生命周期:数字样机技术是对物理产品全方位的计算机仿真技术,而传统的工程仿真只是对产品某方面进行测试,以获得产品在该方面的性能。
数字样机是由分布的、不同工具开发的甚至是异构子模型所组成的模型联合体,包括产品的CAD模型、外观表示模型、功能和性能仿真模型、各种分析模型(可制造性、可装配性等)、使用模型、维护模型和环境模型。
3)多领域多学科:复杂产品设计往往会涉及机械、控制、电子、液压、气动等多个不同的领域。
要想对这些复杂产品进行完整、准确的仿真分析,必须将多个不同的学科领域的子系统作为一个整体进行仿真分析,使得数字样机能够满足设计者对产品进行功能验证与性能分析的要求。
2.2 数字孪生推动力——新兴信息技术
在数字孪生概念前后出现和发展的新兴信息技术,推动了数字孪生的实现,进一步丰富了数字孪生的内涵。数字孪生概念的提出以及实施,为这些技术的应用提供了一个新的场景和需求,提出了新的要求,也带动了这些技术的发展。
2.2.1 信息物理系统
1 信息物理系统的基本概念
信息物理系统(Cyber-Physical System,CPS),又可称为“赛博物理系统”“信息物理融合系统”等,本书参考《中国制造2025》中的名词定义,称为“信息物理系统”。
这个概念体现了信息空间和物理空间的互相融合,和数字孪生这一概念十分类似,这点也可以从国内相关学者对CPS的特征总结“数据驱动、软件定义、泛在连接、虚实映射、异构集成、系统自治”中看到。
CPS作为德国“工业4.0”中的核心系统,在2013年后引起了大家的关注。
CPS最早在1992年由NASA提出。
2006年举办了国际上第一个关于CPS的会议,会议上,美国国家科学基金会(NSF)科学家Helen Gill对CPS的概念进行了详细描述。
CPS引起广泛关注的同时,由于各国发展现状不同,对于CPS的理解也有所不同。
NSF认为CPS是通过计算核心(嵌入式系统)实现感知、控制、集成的物理、生物和工程系统。
在CPS中,计算被“深深嵌入”到物理系统中。
CPS的功能由计算和物理过程交互实现。
欧盟第七框架计划指出CPS包含计算、通信和控制,它们紧密地与不同物理、机械、电子和化学过程融合在一起。
工业和信息化部指导、中国信息物理系统发展论坛发布的《信息物理系统白皮书2017》对CPS的定义是,CPS通过集成先进的感知、计算、通信、控制等信息技术和自动控制技术,构建了物理空间与信息空间中人、机、物、环境、信息等要素相互映射、适时交互、高效协同的复杂系统,实现系统内资源配置和运行的按需响应、快速迭代、动态优化。
CPS的本质是构建一套信息空间与物理空间之间基于数据自动流动闭环赋能体系,通过状态感知、实时分析、科学决策、精准执行,解决实际应用服务过程中的复杂性和不确定性问题,提高资源配置效率,实现资源优化,如图2-4所示。
CPS内部的信息空间和物理空间、CPS之间、CPS和人之间都有连接。

图2-4 CPS本质
CPS的四大核心技术要素分为“一硬”(感知和自动控制)、“一软”(工业软件)、“一网”(工业网络)、“一平台”(工业云和智能服务平台)。
其中感知和自动控制是CPS实现的硬件支撑;
工业软件固化了CPS计算和数据流程的规则,是CPS的核心;工业网络是互联互通和数据传输的网络载体;
工业云和智能服务平台是CPS数据汇聚和支撑上层解决方案的基础,对外提供资源控制和能力服务。
CPS具有层次性,一个智能部件、一台智能设备、一条智能生产线、一个智能工厂都可以成为CPS。
同时CPS还具有系统性,一个工厂可能涵盖多条生产线,一条生产线也会由多台设备组成,因此可将CPS层次划分为单元级、系统级、体系(System of Systems,SoS)级三个层次。
CPS构建了一个能够联通物理空间和信息空间,驱动数据在其中自动流动,实现对资源优化配置的智能系统。
这套系统在有机运行过程中,表现出的典型特征有:数据驱动、软件定义、泛在连接、虚实映射、异构集成、系统自治。
CPS概念是随“工业4.0”而为广大用户重视,但是CPS的概念不只是在制造领域,建筑、城市都可以看作是一个CPS系统或者CPS体系。
2 人-信息-物理系统
2018年,中国工程院周济、李培根等院士发表了《走向新一代智能制造》,里面除了提出了“数字化-网络化-智能化”这一智能制造范式外,还提出了“人-信息-物理系统”(Human CPS,HCPS)的概念。
传统制造系统包含人和物理系统两大部分,是完全通过人对机器的操作控制去完成各种工作任务的系统,是一种“人-物理系统(HPS)”。
信息系统(Cyber System)的引入使得制造系统同时增加了“人-信息系统”(Human-Cyber System,HCS)和“信息-物理系统”(Cyber-Physical System,CPS),并形成了HCPS。
新一代人工智能技术的发展形成了新一代“人-信息-物理系统”(见图2-5)。
主要变化在于:
第一,人将部分认知与学习型的脑力劳动转移给信息系统,因而信息系统具有了“认知和学习”的能力,人和信息系统的关系发生了根本性的变化,即从“授之以鱼”发展到“授之以渔”;
第二,通过“人在回路”的混合增强智能,人机深度融合将从本质上提高制造系统处理复杂性、不确定性问题的能力,极大地优化了制造系统的性能。
从系统构成看,HCPS是以人为中心、由HPS进化而来,是由人、信息系统和物理系统有机集成的综合智能系统,包括HPS、HCS、CPS等子系统,是当代和未来世界有效解决各种问题的一种普适形态和观念,覆盖人类生产和生活的方方面面。
其中,物理系统是主体,是制造活动能量流与物质流的执行者;
信息系统是主导,是制造活动信息流的核心,辅助或者代替人类对物理系统进行感知、认知、分析决策与控制,使物理系统以最优的方式运行;
人是整个系统的主宰和关键,一方面,人是物理系统、信息系统的创造者,信息系统的“智能”是由人赋予的,另一方面,人也是系统的使用者、运营者和管理者。
因此,无论物理系统还是信息系统都是为人类服务的。
相比于传统HPS中人对机械系统的直接作用,在HCPS中,部分劳动者从枯燥、繁琐的体力劳动中解脱出来,物理系统(机械)可更好更快地完成大量机械工作(即机械自动化),同时信息系统也有效提高了脑力劳动的自动化水平(即知识自动化),解放了人类的部分脑力劳动。

图2-5 从“人-物理系统”到新一代“人-信息-物理系统”
HCPS的发展过程实际上也是信息技术不断发展的过程,即从数字化(HCPS 1.0)、网络化(HCPS 1.5)走向智能化(HCPS 2.0)。
3 CPS与数字孪生的关系
CPS和数字孪生都体现了泛在连接、虚实映射,因此,两个概念有一定的联系。
CPS更多地可以看作是一个理念,而数字孪生是一种技术实现。
从广义上说,数字孪生系统可以看成是一个CPS系统或CPS体系,体现了物理对象和信息空间虚拟模型之间的互动。
CPS是一个系统的整体理念,它着重于控制。
CPS的状态感知、实时分析、科学决策、精准执行是一个单元或一个系统的完整功能,缺一不可。
如果物理对象离开了信息空间对象的控制,可能就不能运行,不能实现全部功能。
数字孪生侧重于信息空间的数字孪生体,通过数字孪生体的运作来更好地帮助物理系统的运行。
从某种意义上说,如果没有数字孪生体的支持,物理系统也可以运行,实现部分甚至全部的功能。
以航天器的物理孪生来类比,地面上的孪生体如果发生故障不能运行,不会影响到太空中航天器的功能。
从这个意义上说,数字孪生系统的“整体性”没有CPS这个概念那么严格。
CPS概念及其实现能促进数字孪生系统的建设。
从目前很多智能系统来说,其本身就是一个CPS单元或CPS系统,例如,数控机床、智能机器人等CPS单元,智能车间、智能交通系统等CPS系统,这些单元和系统都体现了信息空间和物理系统之间的互动,其数据、控制和管理模型等都存在于信息空间,为进一步构建数字孪生体实现数字孪生系统打下了坚实基础。
数字孪生系统也可以看作是CPS理念的一个具体应用实现。
2.2.2 工业互联网与工业互联网平台
1 工业互联网的基本概念
工业互联网是互联网和新一代信息技术在工业全领域、全价值链、全产业链中的融合集成应用,是工业数字化、网络化、智能化发展的关键综合信息基础设施。
工业互联网的本质是实现设备、控制系统、信息系统、人、产品之间的网络互联,通过工业大数据的深度感知和计算分析,实现整个工厂的智能决策和实时动态优化。
GE公司于2013年6月提出了工业互联网战略,随后于2014年3月联合AT & T、思科(Cisco)、IBM和英特尔(Intel)等公司发起了美国工业互联网联盟(IIC),IIRA(Industrial Internet Reference Architecture)是IIC发布的工业互联网参考架构,2019年6月19日发布了1.9版本。
IIRA注重跨行业的通用性和互操作性,提供一套方法论和模型,以业务价值推动系统的设计,把数据分析作为核心,驱动工业互联网系统从设备到业务信息系统的端到端的全面优化。
2016年,针对我国工业互联网技术的迫切发展,国内的工业互联网产业联盟(Alliance of Industrial Internet,AII)在参考美国IIRA、德国RAMI 4.0以及日本“工业价值链参考架构”(Industrial Value Chain Reference Architecture,IVRA)的基础上,提出了以网络、数据和安全为主要功能体系的工业互联网体系架构1.0,如图2-6所示。
工业互联网体系架构1.0定义了网络、数据和安全三大功能体系。网络是工业数据传输交换和工业互联网发展的支撑基础,数据是工业智能化的核心驱动,安全是网络与数据在工业中应用的重要保障。
体系架构1.0还给出工业互联网三大优化闭环:面向机器设备运行优化的闭环、面向生产运营优化的闭环以及面向企业协同、用户交互与产品服务优化的闭环,从而明晰了网络联通的节点、数据流动的方向和安全保障的要害。

图2-6 工业互联网体系架构1.0
2019年,为了更好地进行体系化的设计、新技术的融合以及实施的可行性,通过对工业互联网体系架构需求的分析,综合考虑体系的系统性、全面性、合理性、可实施性,AII设计如图2-7所示的工业互联网体系架构2.0,以业务视图、功能架构、实施框架三大板块为核心,自顶向下形成逐层的映射。

图2-7 工业互联网体系架构2.0
1)业务视图定义工业互联网产业目标、商业价值、应用场景和数字化能力,体现工业互联网关键能力与功能,并导向功能架构。
2)功能架构明确支撑业务实现的功能,包括基本要素、功能模块、交互关系和作用范围,体现网络、平台、安全三大功能体系在设备、系统、企业、产业中的作用与关系,并导出实施框架。
3)实施框架描述实现功能的软硬件部署,明确系统实施的层级结构、承载实体、关键软硬件和作用关系,以网络、标识、平台与安全为核心实施要素,体现设备/边缘/企业/产业各层级中工业互联网软硬件和应用。
工业互联网是第四次工业革命的重要基石。
伴随着新一轮的科技革命和产业革命,实体经济各个领域的数字化、网络化、智能化发展成为第四次工业革命的核心内容。
工业互联网通过人、机、物的全面互联,全要素、全产业链、全价值链的全面连接,对各类数据进行采集、传输、存储、分析并形成智能反馈,推动形成全新的生产制造和服务体系,优化资源要素配置效率,充分发挥制造装备、工艺和材料的潜能,提高企业生产效率,创造差异化的产品并提供增值服务。
工业互联网为实体经济各个领域的转型升级提供具体的实现方式和推进抓手,为产业变革赋能。
世界各国非常重视工业互联网技术,并将其列为本国的研发重点。
工业互联网技术开始成为全球讨论的热点,同时各国也开始加大了相关技术的研发,争取引导和占领相应的市场。
2 工业互联网平台
工业互联网平台本质上是一个工业云平台,基于工业互联网应用需求,搭建起采集、存储、分析和应用工业数据的生产服务体系,保障生产资源的全面连接、按需供给和智能调度,实现工业生产过程的技术积累和应用创新。
作为工业互联网“网络、平台和安全”三大要素之一,工业互联网平台是工业全要素链接的枢纽,是工业资源配置的核心。
工业互联网平台对制造业数字化转型的驱动能力正逐渐显现,依托平台可以开展工业大数据分析以实现更高层次价值挖掘,平台云化工具可以以较低成本实现信息化与数字化普及,基于平台也可以实现制造资源优化配置和产融对接等应用模式创新,这些都推动了制造业向更高发展水平迈进。
AII给出了工业互联网平台功能参考架构,如图2-8所示。
工业互联网平台是面向制造业数字化、网络化、智能化需求,构建基于海量数据采集、汇聚、分析的服务体系,支撑制造资源泛在连接、弹性供给、高效配置的工业云平台,包括边缘、平台(工业PaaS)、应用三大核心层级。
可以认为,工业互联网平台是工业云平台的延伸发展,其本质是在传统云平台的基础上叠加物联网、大数据、人工智能等新兴技术,构建更精准、实时、高效的数据采集体系,建设包括存储、集成、访问、分析、管理功能的使能平台,实现工业技术、经验、知识模型化、软件化、复用化,以工业APP的形式为制造企业提供各类创新应用,最终形成资源富集、多方参与、合作共赢、协同演进的制造业生态。
泛在连接、云化服务、知识积累、应用创新是辨识工业互联网平台的四大特征。
泛在连接让平台具备对设备、软件、人员等各类生产要素数据的全面采集能力。
云化服务,实现基于云计算架构的海量数据存储、管理和计算。
通过平台上的知识积累,能够提供基于工业知识机理的数据分析能力,并实现知识的固化、积累和复用。
平台应用目标是应用创新,能够调用平台功能及资源,提供开放的工业APP开发环境,实现工业APP创新应用。
在制造行业,工业互联网平台是新型制造系统的数字化神经中枢,在制造企业转型中发挥核心支撑作用。

图2-8 工业互联网平台功能参考架构
3 工业互联网与数字孪生
实现基于数字孪生的智能系统的基础是数据的交互共融。
工业互联网技术通过物联网、现场总线与工业以太网、互联网等技术来实现万物互联,并通过边缘计算有效地解决物理实体数据传输的实时性和可靠性。
物理实体通过传感层将数据通过网络层传递到应用层进行数据处理,最后传递到虚拟模型中。
同样在虚拟模型中的仿真结果也逆向反馈到物理实体,通过网络层中数据快速传递能力,结合计算机的强大计算能力,最后实现了物理实体和虚拟模型的实时同步。
此外,工业互联网的“万物互联”不仅注重物理实体的互联互通,也包括物理-信息空间的深度融合,这与数字孪生系统的虚实融合相契合,即数字孪生系统最终功能的实现依赖于工业互联网支持下构建的数据平台,并进一步促进工业互联网的应用与推广。
工业互联网平台是数字孪生系统实施的基础平台。数字孪生系统涉及大量的模型和数据的管理与处理,包括模型训练、数据处理、模型和数据的分发等工作,都需要工业互联网平台来提供支持。
平台的泛在互联保证了数字孪生应用的便捷接入,为应用推广提供了网络基础。
2.2.3 大数据
1 大数据基本概念
大数据是信息技术高度发展的产物,互联网、物联网、移动计算等信息技术的不断发展和深入应用,产生了海量的数据。
2013年,维克托·迈尔·舍恩伯格在《大数据时代:生活、工作与思维的大变革》一书中指出,大数据带来的信息风暴正在变革我们的生活、工作和思维,大数据开启了一次重大的时代转型。
维克托认为,大数据的核心就是预测。
这个核心代表着我们分析信息时的三个转变。第一个转变就是,在大数据时代,我们可以分析更多的数据,有时候甚至可以处理和某个特别现象相关的所有数据,而不再依赖于随机采样。
第二个改变就是,研究数据如此之多,以至于我们不再热衷于追求精确度。
第三个转变因前两个转变而促成,即我们不再热衷于寻找因果关系。
该书的出版,引起了业界对大数据研究的热潮。
大数据还没有公认的定义,各个领域的专家从不同的角度对大数据进行了定义。研究机构Gartner给出了这样的定义。
“大数据”是需要新处理模式才能具有更强的决策力、洞察发现力和流程优化能力来适应海量、高增长率和多样化的信息资产。
大数据具有四个典型的特征:Volume(数据量大),Velocity(速度快),Variety(数据种类繁多),Value(数据价值大)。
大数据的特征主要表现在四个层面:
第一,数据体量巨大,所需要处理的数据从PB级别到EB级别,甚至是ZB级别;
第二,数据增长速度快,对数据处理速度也要求快。当今社会,每时每刻都有大量数据被获取和存储。同时,只有快速处理才能有效利用其价值;
第三,数据类型繁多,包括文字、图像、视频、地理位置信息等,涵盖结构化、半结构化和非结构化数据;
第四,价值密度较低,但商业价值大。表面上看很多数据没有价值,但是通过大量数据的整合处理,可以挖掘出整体蕴藏着的巨大价值。
大数据的获取、传输和存储、分析和处理成为提高企业竞争力的关键因素。
伴随着大数据处理技术的应用,“数据资源”成为很多企业或组织的一个新的资产,各行各业的决策从“业务驱动”变成了“数据驱动”,也催生了“数据驱动的建模方法”的应用。
针对大数据的特征,很多传统的数据分析处理技术不能适应大数据环境,例如,大数据的大量数据,给传统的软件和存储模式提出挑战;
大数据的分布式、低价值密度、高价值也给软件架构提出新需求;
大量异质的、非结构化的数据也给数据存储和处理方法提出新要求。
大数据处理的关键技术包括数据采集和预处理、数据存储和管理、数据分析和挖掘。
数据科学是伴随大数据发展的一门新兴的学科,深度学习方法的出现也为大数据处理提供了新的模式,并且也给大数据的应用提供了新的手段。
2 工业大数据
大量工业设备在其运行过程中,通过传感器、控制器等采集和处理了大量的数据。这些数据被有效地存储起来,形成了工业大数据。
工业大数据作为对工业相关要素的数字化描述和在信息空间的映像,也符合大数据的4V特征,相对于其他类型的大数据,工业大数据还具有反映工业逻辑的多模态、强关联、高吞吐量等新特征。
多模态是指工业大数据反映工业系统多方面特征及其各方面要素,涉及工业领域中“光、机、电、液、气”等多学科、多专业信息化软件产生的不同种类的结构化和非结构化数据。
比如三维产品模型文件不仅包含几何造型信息,还包含尺寸、工差、定位、材料等其他信息;
同时,航空、轨道交通、化工等复杂产品对象的数据又涉及机械、电磁、流体、声学、热学、化学等多学科、多专业。
强关联反映的是工业的系统性及其复杂动态关系,包括两个方面:
一个方面是工业系统加工处理对象和工业系统本身的关联,一个产品在加工过程会和工业系统发生关联,而由于产品组成复杂,组成产品的零件、部件和组件会和多个生产系统关联;
另外一方面是指工业大数据会有明显的时效性,有时间序列关联,通过时间戳把多个传感器、多维度的感知数据关联起来,综合反映工业系统的状态。
高吞吐量即工业传感器要求瞬时写入超大规模数据。
工业大数据来自传感器和工业软件,要满足实时感知,其监控频率高,会高速产生大量的数据。
以风力机装备为例,根据IEC 61400-25标准,持续运转风力机的故障监测,其数据采样频率为50Hz,如果单台风力机每秒产生225KB传感器数据,按2万台风力机计算,全量采集则写入速率要求为4.5GB/s。
总体而言,机器设备产生的时序数据的特点包括海量的设备与测点、数据采集频度高(产生速度快)、数据总吞吐量大、7×24h持续不断,呈现出“高吞吐”的特征。
3 大数据与数字孪生
数字孪生的特点是“模型+数据”,其区别于传统的仿真或者数字样机,就在于结合模型,数字孪生体能利用大数据处理技术,有效对物理实体运行所产生的大数据进行分析处理和治理。
大数据采集和处理是数字孪生体能同步反映物理实体的基本要求。
另外,数字孪生体能进行仿真和预测,需要对孪生体运行环境进行同步建模,这也需要采集物理实体运行过程的环境数据,利用大数据技术来构建虚拟环境,提高模型运行的真实性。
数字孪生应用中的监控、分析和预测功能,也离不开大数据分析和处理技术。
2.2.4 云计算
1 云计算基本概念
云计算,是一种将计算资源变成按需可用的公共资源的计算模式。
美国国家标准与技术研究院对云计算的定义是,云计算是一种能够通过网络以便利的、按需付费的方式获取计算资源(包括网络、服务器、存储、应用和服务)并提高其可用性的模式,这些资源来自一个共享的、可配置的资源池,并能以最省力和无人干预的方式获取和释放。
云计算和计算机“虚拟化”技术相关,可以将计算资源虚拟成各类服务资源,按需配置和分发。
云计算服务分成基础设施即服务(IaaS)、平台即服务(PaaS)和软件即服务(SaaS)三类。
基础设施即服务(Infrastructure as a Service,IaaS),就是将计算资源、存储资源、网络资源等计算机基础资源作为一种虚拟化资源,供用户按需使用。
例如,网络虚拟服务器资源,就是将计算资源(CPU数)、存储资源(内存和硬盘)、网络资源(带宽)打包成一台虚拟服务器,供用户租赁。
云计算的一个特点就是弹性可扩展,当用户由于业务需要扩展CPU、存储或网络资源时,可以通过申请并订购更高级的服务合同来无缝地升级虚拟服务器,而虚拟服务器上的软件部署不用更改和移植。
平台即服务(Platform as a Service,PaaS),是将平台资源作为可以订购的服务资源,供用户使用。
平台资源一般是指具有一定基础功能的高级软件资源,例如,Web服务器就是一个通用的信息发布平台;
数据库服务也可以作为一个平台,可以称为数据库即服务(Database as a Service,DaaS)。
工业互联网平台就提供了很多专门的平台服务资源,例如,设备接入平台、数据分析平台等。
平台服务可以让用户专注于自己的专门应用开发,一些基本的、底层的功能可以让平台服务商去完成。
软件即服务(Software as a Service,SaaS)将软件作为一种可以订阅的服务提供给用户。
SaaS相对来说更多地为最终用户所使用,如果说IaaS、PaaS更多的是toB(商用)应用,SaaS则包含更多的toC(零售)应用。
例如,微软推出的Office 365就是一个SaaS,用户可以租赁Office应用以及相应的网盘功能,在任何一台计算机或移动终端上进行办公应用。
SaaS还包括ERP(企业资源计划)、CRM(客户关系管理)、MES(制造执行系统)等商业、工业软件的应用,可以降低企业部署成本,提高软件的可用性。云计算离不开云平台。
包括IaaS,其一般是通过Internet网络提供相应的服务。根据云平台的拥有权,可以分成公有云、私有云和混合云。
私有云是指用户自己部署的云平台,一般供企业集团内部使用,而公有云是指专门的云服务提供商部署的云平台,企业和个人可以从该平台上租赁不同的资源,完成自己的业务。
2 云计算与数字孪生
基于数字孪生的智能系统中存在着海量、大规模、多源异构的基础静态数据、动态实时运行数据、服务系统产生的优化数据、历史可追溯/可回放数据等,对系统的算力提出了较高的要求,简单地通过堆叠系统硬件来实现算力的扩展往往不能满足实际的性能需求。
云计算是基于互联网的分布式计算、并行计算、网格计算等的进一步发展,由于其合理高效且易于大范围部署、可大批量处理等优势,而逐渐运用在数字孪生的各个场景中。
此外,基于云计算提供的云服务能实现数据的集中化处理、存储与共享,便于数字孪生系统中的上下游供应商的高效协同合作,实现系统数据的全方位透明化管理。
云平台也是开展数字孪生应用的基础平台。
2.2.5 VR/AR/MR1 虚拟现实(VR)
虚拟现实(Virtual Reality,VR)是在计算机仿真技术、计算机辅助设计与实时计算技术、传感技术、图形学、多媒体技术、网络技术、人工智能、心理学等学科的基础上发展起来的交叉学科,随着虚拟现实技术的逐渐成熟,它已在科学可视化、医学、CAD/CAM、教育娱乐等领域获得广泛的应用。
使用虚拟现实技术,用户可以利用计算机生成一种特殊环境,通过使用各种特殊装置将自己“投射”到这个环境中,借助数据手套、三维鼠标、方位追踪器、操纵杆等设备对环境进行控制或操作,从而实现不同的目的。
虚拟现实中的“虚拟”指的是运用多种软件技术和硬件资源搭建在计算机系统中的一个虚拟环境(Virtual Environment,VE),“现实”指的是通过多种传感器接口,使得用户“沉浸”到虚拟环境中,产生接近现实的视觉、听觉、触觉感受,并能够通过设备和动作与该环境进行“直接交互”。
虚拟现实技术使用户能够在虚拟的环境中拥有真实的体验,用户不再拘泥于刻板而抽象的数字信息,而是使用人类最擅长并且习惯的视觉、听觉、触觉、动作、口令等参与到信息空间虚拟的环境中。
Burdea G在1993年的Electro 93国际会议上发表的“Virtual Reality System and Application”一文中提出虚拟现实技术的三个特征,即“3I”特征:
沉浸性(Immersion)、
交互性(Interaction)
和想象性(Imagination)。
1)沉浸性:计算机生成的虚拟世界给使用者带来一种身临其境的感觉。
虚拟环境中,设计者通过深度感知的立体视觉反馈、精细三维声音及触觉反馈等多种感知途径,观察和体验设计过程以及设计结果。
一方面,虚拟环境中可视化的能力增强,借助于新的图形显示技术,设计者可以得到高质量、实时、深度感知的立体视觉反馈。
另一方面,虚拟环境中的三维声音使得设计者能够更为准确地感受物体所在的方位。
触觉反馈使得设计者在虚拟环境中抓取、移动物体时能直接感受到物体的反作用力。在多感知形式的综合作用之下,用户能够完全沉浸在虚拟环境中。
2)交互性:人们能够以很自然的方式与虚拟世界中的对象进行交互操作或者交流,着重强调使用手势、体势等身体动作(主要是通过头盔、数据手套、数据衣等来采集信号)和自然语言等自然方式的交流。
计算机能根据使用者的肢体动作及语言信息,实时地调整系统呈现的图像和声音。设计者可以采用不同的交互手段完成同一个交互任务。
例如,进行某个零件的定位操作时,设计者可以通过语音命令给出零件的定位坐标点,或者通过手势直接将零件拖到定位点来表达零件的定位信息。
各种交互手段在信息输入方面有各自的优势,语音的优势在于不受空间限制,而手势的直接操作优势在于运动控制的直接性。
3)想象性:是指通过用户沉浸在“真实的”虚拟环境中,与虚拟环境进行各种交互,从定性和定量两方面综合集成的环境中得到充分认识。
虚拟环境可以使用户沉浸其中并且获取新的知识,提高感性和理性认识,从而使用户深化概念和萌发新意。因而可以说,虚拟现实可以启发人的创造性思维。
2 增强现实(AR)
增强现实(Augmented Reality,AR)能有效地将虚拟场景和现实世界中的场景融合起来并对现实世界中的场景进行增强,进而将其通过显示器、投影仪、可穿戴头盔等工具呈现给用户,完成物理、虚拟世界的实时交互,有效提升用户的感知和信息交流能力。
增强现实要求真实、虚拟环境实时交互、有机融合,并且能在现实世界中精准呈现虚拟物体,这与数字孪生技术中物理实体与镜像模型互联互通、虚实融合、以虚控实的特点高度契合,因而被广泛应用于数字孪生中。
增强现实之所以是增强现实,有三个重要因素:
①现实世界与虚拟世界双方信息都可被利用;
②上述信息可实时且交互利用;
③虚拟信息以三维的形式对应现实世界。
增强现实的三要素是1997年由Azuma提出的,作为增强现实的狭义定义已广为人知,如图2-9所示。

图2-9 增强现实技术的三要素
(1)虚实交融
现阶段的增强现实设备只能生成简单的三维虚拟信息或者厂商预制的三维虚拟信息。
因此,大部分的三维虚拟信息是由计算机软件生成的,生成的三维虚拟信息不能直接被增强现实设备进行显示,必须经过预处理。
计算机生成的虚拟信息通过传感技术、三维成像技术或者光学透视技术融合在真实场景中,为用户提供一个虚实融合的世界。
(2)具有实时的交互性
增强现实技术中的交互性主要是指用户能通过一系列的设备或者手势等对增强现实环境下的虚拟信息进行自然的交互操作。
这包括两个方面的交互:
一方面是当用户的位置发生变化时,增强现实系统需要实时地检测出用户的位置变化和视线的变化,从而将虚拟信息“放置”在正确的位置;
另一方面是当用户利用输入输出设备、手势、语音等方式对增强现实系统发出命令时,增强现实系统能准确及时地捕捉到用户的控制信息,紧接着能够识别控制信息中包含的指令,从而对用户的控制指令做出及时的响应,调整虚拟信息的状态。
(3)虚拟信息进行三维注册
增强现实系统能够准确地计算出虚拟信息在真实环境中的位置坐标和状态信息,并将虚拟信息准确无误地显示在真实环境中,使虚拟信息和真实环境进行完美的融合,这一个过程称之为虚拟信息的三维注册。
一个完整的增强现实系统主要包括图像采集模块、虚拟场景模块、跟踪注册模块、虚实融合模块、显示模块、人机交互模块六部分,如图2-10所示。
图像采集模块由相机获取现实世界的图像;虚拟场景模块利用计算机生成虚拟的信息;
跟踪注册模块用于虚拟场景准确定位到现实场景;
虚实融合模块将虚拟场景和现实场景高度融合;
显示模块用于在特定设备中显示融合后的图像;
人机交互模块满足人们在虚拟和现实世界自然交互的需求。

图2-10 增强现实系统基本组成
由于增强现实应用系统在实现的过程中要涉及多方面的因素,因此增强现实技术所涉及的研究对象范围十分广泛,包括信号处理技术、计算机图形技术、图像处理技术、心理学、人机界面、分布式计算、计算机网络技术、移动计算技术、信息获取技术、信息可视化技术、显示技术和传感器技术等。
增强现实系统虽然不需要为用户显示完整的场景,但是需要通过分析大量的定位数据和场景信息,从而保证由计算机生成的虚拟物体可以正确地定位在真实场景中。
总结起来,增强现实系统的工作过程中一般都包含以下4个基本步骤:
1)获取真实场景信息。
2)对真实场景和相机位置信息进行分析。
3)生成虚拟景物。
4)合并视频或直接显示。
系统需要根据相机的位置信息和真实场景中的定位标记来计算虚拟物体坐标到相机视平面的仿射变换,然后按照仿射变换矩阵在视平面上相应位置绘制虚拟物体,直接通过光学透视式头盔显示器显示,或者与真实场景的视频合并后,一起显示在显示器上。
3 混合现实(MR)
混合现实(Mixed Reality,MR)是物理世界和数字世界的混合,开启了人、计算机和环境之间的自然且直观的3D交互。
这种新的技术基于计算机视觉、图形处理、显示技术、输入系统和云计算等技术的进步。
Paul Milgram和Fumio Kishino在其1994年发表的论文“A Taxonomy of Mixed Reality Visual Displays”中首次引入“混合现实”一词。
该论文中探讨了“虚拟连续体”的概念以及视觉显示的分类法。
从那以后,混合现实的应用包括以下各项,已经超越了显示内容:
● 环境理解:空间映射和定位点。
● 人类理解:手动跟踪、目视跟踪和语音输入。
● 空间音效。
● 物理和虚拟空间中的位置和定位。
● 混合现实空间中的3D资产协作。
混合现实是增强现实技术的进一步发展,该技术通过在虚拟环境中引入现实场景信息,在虚拟世界、现实世界和用户之间搭起一个交互反馈的信息回路,以增强用户体验的真实感。
混合现实的主要特点在于空间扫描定位与实时运行的能力,它可以将虚拟对象合并在真实的空间中,并实现精准定位,从而实现一个虚实融合的可视化环境。
混合现实是由数字世界和物理世界融合而成,这两个世界共同定义了称为虚拟连续体频谱的两个极端。
为了使这两个概念得到更加直观的描述以及更清楚地表明这两者之间的联系,图2-11绘制了混合现实频谱,左边定义为物理现实,右边定义为数字现实,在物理世界中叠加图形、视频流或全息影像的体验称为“增强现实”。
遮挡视线以呈现全沉浸式数字体验称为“虚拟现实”。
在增强现实和虚拟现实之间实现的体验形成了“混合现实”,通过它可以:
● 在物理世界中放置一个数字对象(如全息影像),就如同它真实存在一样。
● 在物理世界中以个人的数字形式(虚拟形象)出现,以在不同的时间点与他人异步协作。
● 在虚拟现实中,物理边界(如墙壁和家具)以数字形式出现在体验中,帮助用户避开物理障碍物。

图2-11 混合现实频谱
混合现实的实现需要在一个能与现实世界各事物相互交互的环境中。
如果一切事物都是虚拟的,则属于虚拟现实范畴,如沉浸式虚拟现实设备;
如果展现出来的虚拟信息只能简单叠加在现实事物上,则属于增强现实范畴,如基于手机设备的增强现实应用;
混合现实的关键点就是与现实世界进行交互和信息的及时获取,在混合现实环境中,实时的物体会被“数字化”,实时形成数字空间的模型,这样和原有的数字空间的虚拟模型可以进行交互,并且可以在数字空间中被改变。
在增强现实环境中,数字模型是“叠加”在实景上,模型和实景没有交互,模型不能修改实体景象。
图2-12中,与增强现实场景相比,混合现实场景中的工具出现在机械手臂的后面,可以体现出实际场景(机器人)和模型的遮挡功能。
图2-13给出的游戏场景中,敌人“破墙而入”,在自己家的墙面上造成一个墙洞(对物理对象的一个运算),攻击部队从这个墙洞进入并射击,增强现实游戏是不可能营造出这种场景的。
4 虚拟现实、增强现实与混合现实的关系
增强现实技术是由虚拟现实技术的发展而逐渐产生的,因此两者之间虽然存在着密不可分的关系,但也有着明显的差别。
首先,增强现实与虚拟现实在沉浸感的要求上有着明显的区别:虚拟现实系统强调在虚拟环境中用户的视觉、听觉、触觉等感官的完全沉浸,需要将用户的感官与现实世界隔断,从而沉浸在一个完全由计算机生成的虚拟空间之中。
要实现这些目标通常都需要借助能够将用户的视觉与环境隔离的特殊显示设备,例如采用沉浸式头盔显示器(Immersive Head Mounted Display)。
与之相反的是增强现实系统,它不需要隔离周围的现实环境,而是强调用户在现实世界中的存在性,并且努力维持其感官效果不改变。
由于增强现实系统的目的是增强用户对真实环境的理解,需要将计算机产生的虚拟物体与真实环境融为一体,因此必须借助专门的显示设备将虚拟环境与真实环境融合,通常会采用的是透视式头盔显示器(See-Through Head Mounted Display)。

图2-12 虚拟现实、增强现实、混合现实的场景展示

图2-13 混合现实的游戏场景
另一方面,增强现实与虚拟现实的配准(Registration,也称作定位、注册)精度和含义不同。
在沉浸式虚拟现实系统中,配准是指呈现给用户的虚拟环境与用户的各种感官感觉匹配。
这种配准误差是指视觉系统与其他感官系统以及本体感觉之间的冲突。心理学研究表明,各种感官的感觉中往往是视觉占了其他感觉的上风,因此用户会逐渐适应这种由视觉与本体感觉冲突所造成的不适应现象。
而在增强现实系统中,配准主要是指计算机生成的虚拟物体与用户周围的真实环境匹配,并要求用户在真实环境运动的过程中依然能够维持正确的配准关系,较大的配准误差不仅会使用户无法从感官上确认虚拟物体在真实环境中的存在性和削弱虚拟物体与真实环境的一体性,甚至会改变用户对其周围环境的感觉,严重的配准误差甚至会导致用户完全错误的行为。
混合现实技术将虚拟现实的虚拟和增强现实的现实部分相结合,同时增加了空间交互功能,可将虚拟物体放置在现实世界内的任意位置产生虚实结合的新型数字场景,是一种融合了虚拟现实和增强现实的新型展现方式。
混合现实技术与虚拟现实技术和增强现实技术相比,具有多种优点,不论是从性能上还是形态上都有升级创新,根据比对不同技术(虚拟现实、增强现实、混合现实)的相关设备,可以看出混合现实更具有实时性、灵活性、交互性的特点。
将现实物理概念与虚拟数字化技术进行融合,更富有创新多元化特点。
5 虚拟现实/增强现实/混合现实与数字孪生
基于数字孪生的智能系统构建了物理实体的高拟实性虚拟模型,借助近年来逐渐普及的虚拟现实/增强现实/混合现实技术,人机交互手段从传统的鼠标、键盘、触摸屏、固定手持设备等向三维手势、语音、可穿戴眼镜或头盔等高性能硬件、手机/平板电脑等移动终端、全息投影等多方位呈现形式转化。
基于数字孪生的智能系统提供了海量逼真的虚拟场景/模型/数据来源、高实时性和可靠的数据传输手段并定义了智能系统的新范式及新应用,虚拟现实/增强现实/混合现实技术及智能硬件则依靠三维注册技术、虚实融合显示技术与新兴的智能交互技术以全新、超现实、更高层次的可视化呈现形式。
虚拟现实/增强现实/混合现实技术为用户提供包含视觉、听觉、触觉等多感官的体验,形成真实世界中无法亲身经历的沉浸式体验,便于用户及时、准确、全方位地获取目标系统的基本原理与构造、运转情况、变化趋势等多方位信息,帮助用户更好地进行系统决策,最终以一种启发式的方式以改进系统性能,激发创造灵感,将各类应用往更加智能化、个性化、快速化、灵活化的方向发展。
相比虚拟现实/增强现实,混合现实是一个新兴的技术,相关产品也在逐渐成熟,例如,微软发布的Hololens眼镜,就是一款支持混合现实的移动设备。
随着产品的普及,混合现实应用也会越来越广泛。
2.2.6 数字主线
1 数字主线基本概念
数字孪生作为先进理念的核心支撑技术,其本质实现了物理与信息系统的互联互通,深度融合。
数字孪生中的物理实体对象、虚拟模型、服务系统及孪生数据就本身而言是信息孤岛,数字主线(Digital Thread,或者叫数字线程、数字纽带)的引入很好地将这些相对独立的部分糅合成一个无缝、高度一体化的整体。
数字主线是一种可扩展、可配置的企业级分析框架,提供访问、综合并分析系统生命周期各阶段数据的能力,使产品设计商、制造商、供应商、运行维护服务商和用户能够基于高逼真度的系统模型,充分利用各类技术数据、信息和工程知识的无缝交互与集成分析,完成对项目成本、进度、性能和风险的实时分析与动态评估。
数字主线围绕复杂产品全生命周期管理需求,实现全业务过程中数据、流程及分析的结构化分类管理,形成贯穿全生命周期的流程、模型、分析方法及应用工具,连接产品全生命周期各阶段孤立功能视图形成一个集成视图。
数字主线为在正确的时间将正确的信息传递到正确的地方提供了条件,使得产品生命周期各环节的模型能够及时进行关键数据的双向同步和沟通,实现模型在各阶段的流动、重用与反馈。
在数字主线运行过程中,数字主线各个环节中所收集有关产品的模型和数据,构成了产品实体的数字孪生。
数字主线和产品全生命周期的关系如图2-14所示。
为了建立数字主线,需要形成一种以3D模型定义为基础,为整个企业所共享的、全面集成和协同制造的环境。
在企业或供应链中,无论在何处的数据生产者和数据消费者,在制造过程的任何点上,都将连接到一个共同的数据源上。
数据标准将从设计阶段开始,延伸到制造,继而到最后装配。
数字主线的核心就是如何搭建一个涵盖产品生命周期全过程的协同环境,使统一的模型在产品生命周期各个阶段实现数据的双向流动、重用和不断丰富的过程。
数字主线的特点主要包括以下四个方面:

图2-14 数字主线在产品全生命周期中的关系
1)统一的数字模型。
在数字主线中,所有环节都能为信息完整、标准化、规范化、语义化的数字化模型所表述,可以被相应的数字系统读取和理解。
数字主线采用基于模型的系统工程(MBSE)分析框架,通过先进的建模与仿真工具建立一种技术流程。
2)双向流动。
传统的产品设计流程,是“设计→制造→试验→使用”这一模式,数据是单向传递。
数据主线基于全生命周期内形成的状态统一、数据一致的模型,各环节都能够及时进行关键数据的双向同步和沟通,实现“设计—虚拟综合—数字制造—物理制造—使用维护”各个阶段数据的共享和反馈,为数字孪生应用提供基础。
3)新兴信息技术的支持。
数字主线充分利用高速发展的信息技术如非关系型数据库、知识库、数据模型、工业互联网、云计算等技术,基于产品通用数据库和物理模型,采用统一、快速、标准、泛在的通信和交互方式,实现模型和数据的快速传递。
4)数字主线是设计商、制造商、供应商、运行维护服务商和用户之间的强有力的协作纽带,提供制造业的敏捷性和自适应性的需求,能够加速新产品的开发和部署,同时也能够降低风险。
2 数字主线与数字孪生
在基于数字孪生的智能系统中,数字孪生体是对象、模型和数据,数字主线是方法、通道、链接和接口。
数字主线为产品数字孪生提供了访问、整合和转换能力,其目标是贯通产品生命周期和价值链。
通过数字主线可实现产品生命周期阶段间的模型和关键数据双向交互,使产品生命周期各阶段的模型保持一致,最终实现闭环的产品全生命周期数据管理和模型管理。
依靠数字主线,数字孪生中的物理实体和虚拟模型的交互是实时/准实时的双向连接、双向映射、双向驱动的过程,而非单一方向进行的。
一方面,物理实体在实际的设计、生产、使用、运行过程中的全生命周期数据、状态等及时反映到虚拟端,在虚拟端完成模拟、监控、可视化呈现过程,虚拟端是物理实体端的真实、同步刻画与描述,并记录了物理实体的进化过程,两者共生;
从这一角度看,物理实体驱动虚拟模型的更新,使得虚拟模型与物理实体保持高度的一致性。
另一方面,虚拟模型根据物理实体的数据,结合深度学习等智能优化算法对物理实体行为进行分析、预测,用于优化物理实体的决策过程。
在虚拟端完成预演后,及时逆向传到物理实体侧,主动引导和控制物理实体的变化过程,虚拟模型以当前最优结果驱动物理实体的运转。
该闭环过程中虚实两者不断交替、迭代进行,虚实融合是实现以虚控实的前提与先决条件,以虚控实是虚实融合的目标和本质要求。
没有物理实体侧的数据、状态信息的采集,虚拟端的模型更新演化与决策生成无法进行;
没有虚拟端的仿真分析、推演预测、先行验证与优化,物理实体侧的系统功能无法得到优化。
两者共享智慧,相互促进,协同发展与进化,最终实现智能系统的自感知、自认知、自分析、自决策、自优化、自调控、自学习。
2.3 数字孪生系统的一般架构
2.3.1 一般架构设计
基于数字孪生的智能系统强调的是物理系统与虚拟系统的协调感知统一,所以基于数字孪生的智能系统最重要的有两个方面:
一是数字化的物理系统与虚拟系统的实时连接;
另外就是实现数字孪生系统的智能计算模块。
本节将实时连接以及智能计算的模块定义为“数字孪生引擎”,最终形成数字孪生系统的通用参考架构,包括物理实体、虚拟实体、数字孪生引擎和数字孪生服务四个部分,如图2-15所示。

图2-15 数字孪生系统的通用参考结构
1 物理实体(Physical Entity)
物理实体,是数字孪生所要映射的在物理空间实际存在的一个系统。
数字孪生系统所包括的物理实体需要有数字化接口,能进行数据采集和信息映射。
物理实体中的各个部分,通过物理连接或活动关系结合起来,其本身可以是一个CPS单元、CPS系统或CPS体系。
物理实体中各异构要素的全面互联感知是构建数字孪生系统的前提和关键,智能感知的基础在于泛在的数据采集,常见的数据来源包括各类声光热电力传感器、条形码、计算机/手机/平板电脑/手环等智能终端、系统固有的机器/设备或者智能仪表、系统人员数据、企业的管理数据、本地/云端存储的历史可追溯数据等,数据传输方式通常有现场总线和工业以太网技术、射频识别技术、无线蓝牙技术、工业互联网技术等。
物理实体信息感知的手段包括直接和间接两类。
直接手段是指物理实体本身带有传感器,能采集自身的数据;
间接手段是通过物理实体外在的环境感知,间接获取物理实体的运行状态。
例如,针对某些机械设备,其内置的温度、振动等传感器可以感知其运行状态,而通过视频、声音等方式从外部环境采集设备信息,可以获取其运行的外在表现状态。
这些外在传感器的信息也是物理实体数据采集的一部分。
物理实体的另外一个功能是“精准执行”,即能接收虚拟实体、数字孪生引擎发送过来的指令,完成某些动作。
依靠高速、低延迟、高稳定的数据传输协议,物理实体能及时接收虚拟系统仿真、分析、优化后的管控命令并精准执行,并将执行结果实时反馈给数字孪生体以进一步迭代优化。
借助互联网、云计算、边云协同等技术,物理实体各组成部分在空间维度上远距离分布式协同控制成为可能,而不必将系统局限在狭小的范围内。
物理实体可以具有分散化、社会化、协同化的特点。
简而言之,为了支撑数字孪生系统的实施,物理实体需要具备数字化接入能力。
从角色来看,物理实体是数字孪生系统的实现基础,同时也是数字孪生系统最终所要优化的目标对象。
2 虚拟实体(Virtual Entity)
虚拟实体是物理实体对应在信息空间的数字模型,以及物理实体运行过程的相关信息系统。
信息系统是物理对象的信息模型抽象,并且包括了一些物理实体运行过程的管理、控制等逻辑。
虚拟实体的模型是指在物理实体设计和运行过程中所构建的几何模型、机理模型以及数据模型。
这些模型可以看作是对物理实体的一个定义。
对于一个工业产品来说,模型包括三维设计模型、有限元分析模型、制造工艺模型、运行过程的数据模型等。
由于当前的很多产品、系统本身就是一个CPS系统,因此,信息系统是物理实体运行过程不可缺少的部分,例如,数控机床所包含的数控操作系统、数控程序,工厂和车间运行相关的ERP、PLM、MES等系统,这些信息系统是物理系统运行必不可少的部分,也是物理实体在信息空间所对应的虚拟实体的一部分。
在数字孪生系统里面的虚拟实体,可以看成是物理实体在信息空间的一个数字化映射。
在数字孪生技术出现之前,这些虚拟实体的组成部分就已经存在,并且在仿真分析、系统运行管控等方面已经开展丰富的应用。
但是这些应用没有充分发挥实时数据的作用,模型之间也没有构建成系统化的联系,因此是局部的、非系统化的“浅层数字映射”。
3 数字孪生引擎(Digital Twin Engine)
数字孪生引擎一方面是实现物理系统和虚拟系统实时连接同步的驱动引擎,另一方面是数字孪生系统智能算法和智能计算引擎核心,为用户提供高级智能化服务。
在数字孪生引擎的支持下,数字孪生系统才真正形成,实现虚实交互驱动以及提供各类数字孪生智能化服务,所以数字孪生引擎即是数字孪生系统的“心脏和大脑”。
如前文分析,数字孪生引擎从功能上来说主要包括交互驱动和智能计算。
数字孪生应用通过构建拟实的界面,充分利用三维模型等来形象地展示计算和分析的结果,提高人机交互的水平。
其智能计算是利用数据驱动模型进行仿真分析与预测,提供传统虚拟实体应用所没有的智能计算结果。
在数字孪生系统出现之前,虚拟实体已经包含了很多反映物理实体运行规律的模型,用来对物理实体进行模拟仿真,同时,虚拟实体中的信息系统也包括了很多物理实体运行过程所采集的数据;
但是,这些模型和数据因为分属不同的应用目的而开发,没有很好地融合起来,不能充分发挥作用。
数字孪生就是解决传统应用模型和数据分离的各自为政的问题,通过两者的融合充分发挥协同作用。
数字孪生引擎的另外一个重要功能,就是完成模型和数据融合,包括相关的数据管理和模型管理功能。
4 数字孪生服务(Digital Twin Service)
数字孪生服务是指数字孪生系统向用户各类应用系统提供的各类服务接口,是物理实体、虚拟实体在数字孪生引擎支持下提供的新一代应用服务,是数字孪生系统功能的体现。
物理实体和虚拟实体在没有数字孪生引擎的支持下,能进行传统意义上的系统运行,完成各自预定的功能。
但是,数字孪生引擎能让物理实体、虚拟实体融合在一起,形成数字孪生系统,具有原来物理实体和虚拟实体独立运行所没有的新的功能。
一个完整的数字孪生系统包括服务接口支持,也就是功能接口,能让数字孪生系统真正地为用户所用。
数字孪生服务包括仿真服务、监控服务、分析服务和预测服务,同时,由于人机交互要求更高,虚拟现实(VR)、增强现实(AR)和混合现实(MR)是数字孪生应用的重要形式,因此,数字孪生服务也包括对这些应用的服务接口支持。
数字孪生服务根据数字孪生系统的不同,具体实现内容也不同,其设计和实现根据不同的行业、不同的规模而不同,同时,随着数字孪生系统的不断进化,其服务内容也会不断增加,是一个逐步完善的过程。
基于数字孪生服务,根据不同的应用需求,可以开发不同的应用。
数字孪生的应用部分可以是传统信息系统的升级,部分是全新开发的应用。
由于移动互联、泛在计算的广泛应用,手机、平板电脑、智能眼镜等将是数字孪生应用的一个新的发力点,也是提供给用户沉浸体验的新手段。
综合上述内容,一个数字孪生系统各个部分的组成结构如图2-16所示。

图2-16 数字孪生系统组成结构图
2.3.2 数字孪生引擎
数字孪生引擎是连接物理实体和虚拟实体,实现数字孪生系统的一个核心模块。
“虚拟实体+数字孪生引擎=数字孪生体”,因此,本节对数字孪生引擎的一般组成进行进一步的说明。
图2-16给出了数字孪生引擎的基本模块,图2-17对其组成给出了进一步的说明。

图2-17 数字孪生引擎的基本组成
1 交互驱动模块
交互驱动模块,是数字孪生引擎用来连接各个相关系统的核心模块,包括物理实体交互驱动接口、虚拟实体交互驱动接口、外部软件交互驱动接口和服务接口。
物理实体交互驱动接口,是从物理实体采集实时数据的接口以及传送给物理实体的指令执行接口。
传统的信息系统应用、管控软件中,也包括了对物理实体的数据采集和指令下达,但是数字孪生系统根据模型和数据融合需求,需要更多的数据,以及更精准的指令执行功能,就需要数字孪生引擎的交互接口来提供额外的驱动接口,实现数字孪生的增强功能。
虚拟实体交互驱动接口,是数字孪生引擎的一个主要接口。
模型、数据大部分通过这个接口进入数字孪生引擎。一些计算结果也通过这个接口传回给虚拟实体。
根据上述分析,虚拟实体包括了数字模型和信息系统,传统的管控功能还是需要通过信息系统完成,而数字孪生引擎所产生的新的数据能辅助模型仿真、信息系统运行更好地完成。
外部软件交互驱动接口,是指物理实体和数字孪生体本身之外的一些软件,为数字孪生系统提供软件环境。
例如,一个数字孪生车间,其主要的软件系统是MES,而企业级的ERP、SCM、PLM等软件系统就是数字孪生车间系统的外部软件;
对于一个建筑来说,BIM是其关键模型,而这个建筑所在的小区信息系统、CIM就是外部软件。
外部软件为数字孪生系统的运行提供了参考信息,以及一些功能支撑,所以需要专门的接口来获取相关的模型和数据。
服务接口,是数字孪生引擎为数字孪生服务模块提供各类模型和数据访问的接口。这类接口比较多,根据不同的实际系统需求而进行定义。
2 数据存储和管理模块
数据存储和管理,是数字孪生引擎运行的一个数据支撑环境。虚拟实体的信息系统包括了物理实体运行过程的相关数据,但是这些数据是根据业务需求而定义的,不能满足数字孪生系统运行过程的数据需求,因此,在已有的信息之外,数字孪生引擎需要定义自己的数据存储和管理。
从这个意义上说,数字孪生引擎的数据存储和管理是虚拟实体中包含的信息系统中的数据存储之外的一个补充。
这个模块一般包括实时数据库、主题数据库和数据仓库。主题数据库存放的是按各类分析主题整理的实时或半实时数据。
数据仓库包括了按一定主题存放的经过分析整理后的数据,用于支持联机分析处理(OLAP)和数据挖掘。
数据抽取、数据转化、数据集成是传统意义上的ETL(抽取、转化、装载)过程,数据更新则是根据物理实体和虚拟实体接口,实时在线更新相关数据的过程。
需要说明的是,由于数据的多样性,所以需要根据不同数据特点来选择关系型数据库、非关系型数据库或者是分布式文件系统来存储不同的数据,数字孪生引擎需要支持多模式数据库管理系统的数据应用集成与管理。
3 模型管理模块
模型管理,主要包括机理模型和基于数据的模型。
这些模型如果在虚拟实体中已经包含,则在数字孪生引擎中无须重建,但是需要对模型进行跟踪,保证这些模型在数字孪生应用中可用和可管理。
模型采集,是指根据数字孪生智能计算和模型/数据融合需要,从虚拟实体中选择相关模型导入到数字孪生引擎模型库的过程。
模型训练,是根据应用需要,从数据中训练新模型的过程。
模型更新,是对模型进行完善和更新的过程。
模型分发,是根据服务需求,对相关模型分发过程进行管理的模块。
4 模型/数据融合模块
模型和数据的融合,是数字孪生的基本特征。脱离了模型的数据分析,就会脱离物理实体的基本逻辑和应用场景,导致数据分析的无目的性;
而离开了实时数据,模型只能作为物理实体设计规划时的静态应用,不能指导实际运行。
模型和数据映射,是建立相关模型和实时数据的关联关系。
例如,利用三维几何模型,可以构建实时数据的空间关系,支持数据在三维空间中的展示;
对于仿真模型引入实时数据,可以完善仿真参数,让模型运行更加贴合实际过程。
模型和数据的比较,是构建模型运行结果和实际系统运行结果的比较关系,这个对于一些管控方案的评估起到关键作用,也能评估模型参数设定是否合理。
数据驱动下的模型更新,是对传统建模过程中参数不确定的一个补充。
在物理实体运行前,很多仿真参数都是假设的,或者是理论模型,不能和实际运行状况吻合。
通过数据分析结果来完善模型参数,让模型更拟实,是数字孪生的一个基本功能。
模型驱动下的数据采集,是利用机理模型来指导数据分析的基础。
传统的大数据一个特点就是价值密度低,其含义就是大量的数据看起来是没有用的,或者说是“无心”采集的;
而在工业领域,由于传感器部署都是需要成本的,没有目的的数据采集在工业领域往往不切实际。
利用机理模型分析需求来指导数据采集过程,有限成本下部署最多的数据感知点,是数字孪生应用顺利开展的一个基础。
数据和模型,是数字孪生系统的两个基本面。
数据代表了物理实体,是从物理实体运行过程采集而来,代表实际;
模型代表虚拟,是从数字模型分析、仿真而来,虚实融合就是模型和数据的融合。
5 智能计算模块
智能计算模块是数字孪生引擎的驱动力,通过智能计算实现数字孪生服务所需要的各类功能。
预测分析,是利用“模型+数据”对物理实体的运行过程进行预测。
可以是一个运行规律的计算,也可以是对几种方案的仿真评估。
给出虚拟实体未来运行趋势的分析,为物理实体的运行提供优化建议。
知识推理,是利用已有的知识模型,对一些事实进行推理分析,得到推理结果的过程。
一般用于规律已知情况下的判断和决策。
在线/离线分析,是利用计算模型,进行在线分析、离线分析。根据所掌握的分析模型以及应用需要,可以选择在线或离线模式。
一般来说,大量的计算需要采用离线模式;
局部的、明确的一些判断,则可以结合边缘计算架构实现在线模式。
X在环仿真,是指“硬件在环仿真”或“软件在环仿真”。
对于一个物理实体,其规划设计、安装调试过程往往是十分复杂的,利用硬件在环仿真,可以对软件设计进行优化;
而软件在环仿真,又可以对硬件设计和安装进行评估和检验。
利用模型和数据的融合,这部分功能在数字孪生系统中可以得到很好的支持。

