
文章来源:今日新材料
自旋量子比特的关键优点之一,就是亚微米级尺寸,使单个硅芯片,可以承载执行有用的量子纠错算法所需的数百万个量子比特。然而,由于每个物理量子比特都需要多条控制线,因此扩展的基本障碍,就是将量子器件连接到其外部控制和读出硬件连接的极端密度。
目前的解决方案之一,就是在毫开尔文温度时,将控制系统共同定位在量子位平台附近,通过微型互连连接起来。即使如此,紧密集成控制的热量和串扰,可能降低量子位的性能,特别是对于电噪声敏感、基于交换耦合的两个量子位缠结门。
近日,悉尼大学、Diraq、新南威尔士大学、Emergence Quantum、庆应义塾大学组成的研究团队在Nature上发文,报道了硅金属氧化物半导体metal-oxide-semiconductor (MOS)型电子自旋量子比特的基准测试,该量子比特由异质集成的低温互补金属氧化物半导体cryo-complementary metal-oxide-semiconductor (cryo-CMOS)电路控制,其功率密度足够低,可以按比例放大。
为了证明低温CMOS,可以有效地执行自旋量子比特的通用逻辑操作,还证明了毫开尔文控制对单量子比特门和双量子比特门的性能几乎没有影响。考虑到亚开尔文CMOS平台的复杂性,大约有100,000个晶体管,这些结果开启了基于“芯片式”控制架构,自旋量子比特紧密封装的可扩展控制前景。
图:悉尼大学开发的低温量子控制平台
图1:器件与基本CMOS操作
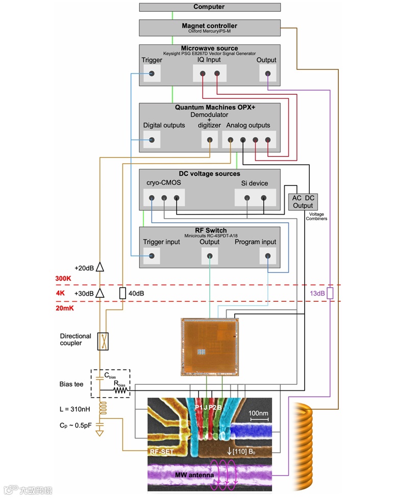
图2:完整实验装置示意图
图3:低温CMOS单量子比特性能基准测试
图4:低温CMOS控制的单量子比特门
图5:使用低温CMOS的双量子比特操作
该项研究,实现毫开尔文(mK)温度下硅基自旋量子比特与10万晶体管CMOS控制芯片的异构集成。该芯片采用28纳米全耗尽绝缘体上硅(FDSOI)工艺,通过“电荷锁定快栅”(CLFG)电路产生100 mV脉冲,功耗低至20 nW/MHz,在稀释制冷机冷却限内支持数千控制单元运行。实验证明,单/双量子比特逻辑门保真度受CMOS热噪声影响极小(单比特保真度仅降0.07%),双比特交换耦合相干时间损失约20%。这一“小芯片”架构解决了量子比特规模化中互连密度与热管理的核心矛盾,为硅基量子计算实用化扫清关键障碍。
量子芯片:
衬底:同位素纯化²⁸Si外延层(残留²⁹Si浓度800 ppm),抑制核自旋噪声。
结构:Al金属栅/SiO₂绝缘层形成双量子点(P1、P2栅极),J栅极调节点间隧穿耦合。
读out:射频单电子晶体管(RF-SET)结合400 MHz LC谐振器实现微秒级电荷态检测。
控制芯片:
28 nm FDSOI CMOS工艺,集成32个CLFG单元,利用低温晶体管低泄漏特性锁定电荷。
全局微波天线(13.9 GHz)配合电压脉冲实现斯塔克调谐共振控制。

