
隐私计算区别于普适计算、城市计算等“计算”概念。
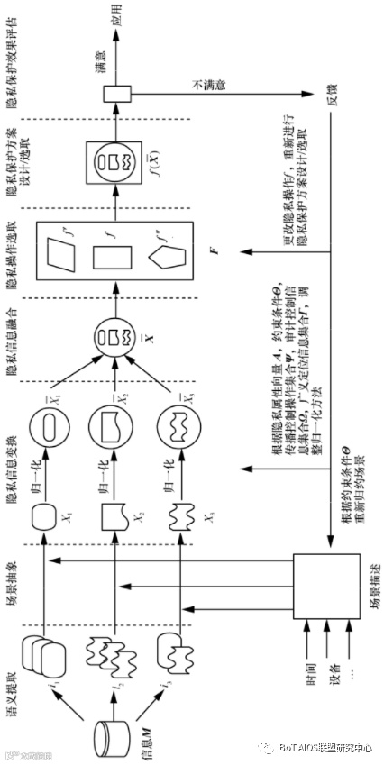
一、隐私计算系统架构
隐私计算的理论如果不能指导隐私信息系统开发,或者不能解决隐私信息系统高能效和高并发的现实需求,那么隐私计算的普适性和普及应用就会受限,隐私计算理论的实用性就不强,因此隐私信息系统架构研究是隐私计算的重要组成部分。
隐私信息系统架构是隐私计算实现的一种指导性的框架,在完整实现隐私计算的基础上,还应该具备隐私信息泛在传播、场景自适应保护、高并发的隐私信息交互、高效能的分布式架构等典型特征。

隐私信息系统架构包括:
语义提取、场景抽象、隐私信息变换、隐私信息融合、隐私操作选取、隐私保护方案设计/选取、隐私保护效果评估等环节。
二、隐私计算技术
隐私计算的核心目标之一是从“计算”的角度指导隐私保护算法研究,针对隐私信息多模态、应用多样化、保护需求动态差异等特点,不断探讨隐私保护算法的基础理论并持续迭代演化。
在实际应用中,需要对隐私保护算法效果有一套量化评估体系及评估方法,从而促进隐私保护算法在产业界的推广应用。
1.概率论与隐私计算的关联性
概率论是研究随机现象数量规律的数学分支,是一门研究事情发生的可能性的学科。
虽然在一次随机试验中某个事件的发生带有偶然性,但那些可在相同条件下大量重复的随机试验却往往呈现出明显的数量规律。
概率论应用在隐私保护领域的核心思想在于其把真实信息隐藏在若干备选信息之中,攻击者无法准确从备选信息中定位到真实信息。常用的基于概率论的隐私保护技术包括:匿名、多样性、邻近性、差分隐私等。
2.信息论与隐私计算的关联性
香农在信息论奠基性论文《通信的数学理论》中基于概率对数据中的信息量大小给出了量化定义。
信息论针对信道传输、无失真信源编码和有失真信源编码给出了理论极限,建立了无失真信源编码定理、率失真编码定理、Slepian-Wolf相关源编码定理、信道编码定理等,为信息传输、信息表示指明了方向,引领了信源编码与数据压缩、信道编码、编码调制理论、信息隐藏等领域的技术发展,为通信、多媒体、网络、人工智能的发展奠定了坚实的理论基础。


