双光谱伺服转台摄像机
产品概述:
双光谱伺服转台摄像机采用高精度两轴伺服平台,内部集成高清可见光摄像相机、红外热像仪等光学传感器。主要用于目标的搜索、观察、跟踪等功能,满足搜救、侦查等各种应用需求。该设备设计结构紧凑、性价比高,安装快捷,控制精度高,可装备于各型车载和船载平台。
产品参数:
|
|
|
|
|
|
|
|
|
|
|
|
|
|
|
|
|
|
|
|
|
|
|
|
|
|
|
|
|
|
|
|
|
|
|
|
|
|
|
|
|
|
|
|
|
|
|
|
|
|
|
|
|
|
|
|
|
|
|
|
|
|
|
|
|
|
|
|
|
|
|
|
|
|
|
|
|
|
|
|
|
|
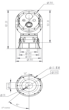
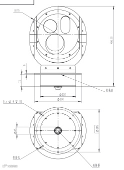
≤Φ350mm×520mm(外包络)
可选配安装方式:
(1)底部法兰安装:安装法兰距离顶部距离520mm;
(2)腰部法兰安装:安装法兰距离顶部距离420mm;
|
|
外形尺寸:


(安装方式1,带底座)

(安装方式2)
中科创欣

高清视界-由你我共同创造
创新 共赢 品质 服务
云台摄像机及配套产品定制生产商
咨询热线:18510868618

