为加强员工对所在岗位工艺流程的掌握程度,拓展员工的培训深度,让烯烃厂员工在熟悉流程、掌握流程、绘制流程中促进岗位操作技能提升,以比武促学习的方式,营造“比、学、赶、帮、超”的浓厚氛围,激发员工“精一岗、会二岗、懂三岗”的积极性,按照烯烃厂党委和公司团委的总体部署,厂团委联合厂生产运行部开展了以“学流程、画流程、提技能、保安全”为主题的青工“岗位手绘PID流程图”大赛。
经历了为期长达两个月的绘制流程图和评审阶段,来自11个主要生产车间的321名青年员工参与了本次活动。新入职员工做到了全员参赛,共计收到手绘PID流程图作品453幅。
(班组员工互帮互助 监督考试)
(班组运行工程师和新员工对照PID学流程)
从学到练、从画到赛,“学风”来袭,这一回,大家铺开纸张、笔走龙蛇,刻苦钻研、认真仔细,争做“岗位手绘流程图”的执笔者。
岗位练兵建新功!
第一阶段岗位流程图共征集103幅作品,各车间的青年员工根据不同岗位、不同单元局部或整体的流程图进行绘制。共评选出一等奖2名,二等奖4名,三等奖6名,纪念奖20名。
★
关注名单 看看是谁力拔头筹
★
由烯烃厂生产运行部组成的专业评审组对上报的作品分车间进行评审,并制定了详细的评比标准,对流程图主要的阀门控制系统、手阀、单项阀、安全阀和各种介质、连锁和参数标注进行了得分点的详细说明,并根据流程准确、布局合理、难易程度、细节掌握、幅面整洁等方面对参赛选手的作品进行综合评价。
Greater
Snow
第二阶段“现场绘制流程图技能比武”预赛阶段共征集350幅作品,由各车间生产领导总负责,对车间不同岗位员工进行本岗位的流程图绘制,对于熟练掌握本岗位流程图的员工可以进行多岗、通岗流程图绘制培训,确保全员参与到活动中来。共评选出优秀作品44幅。
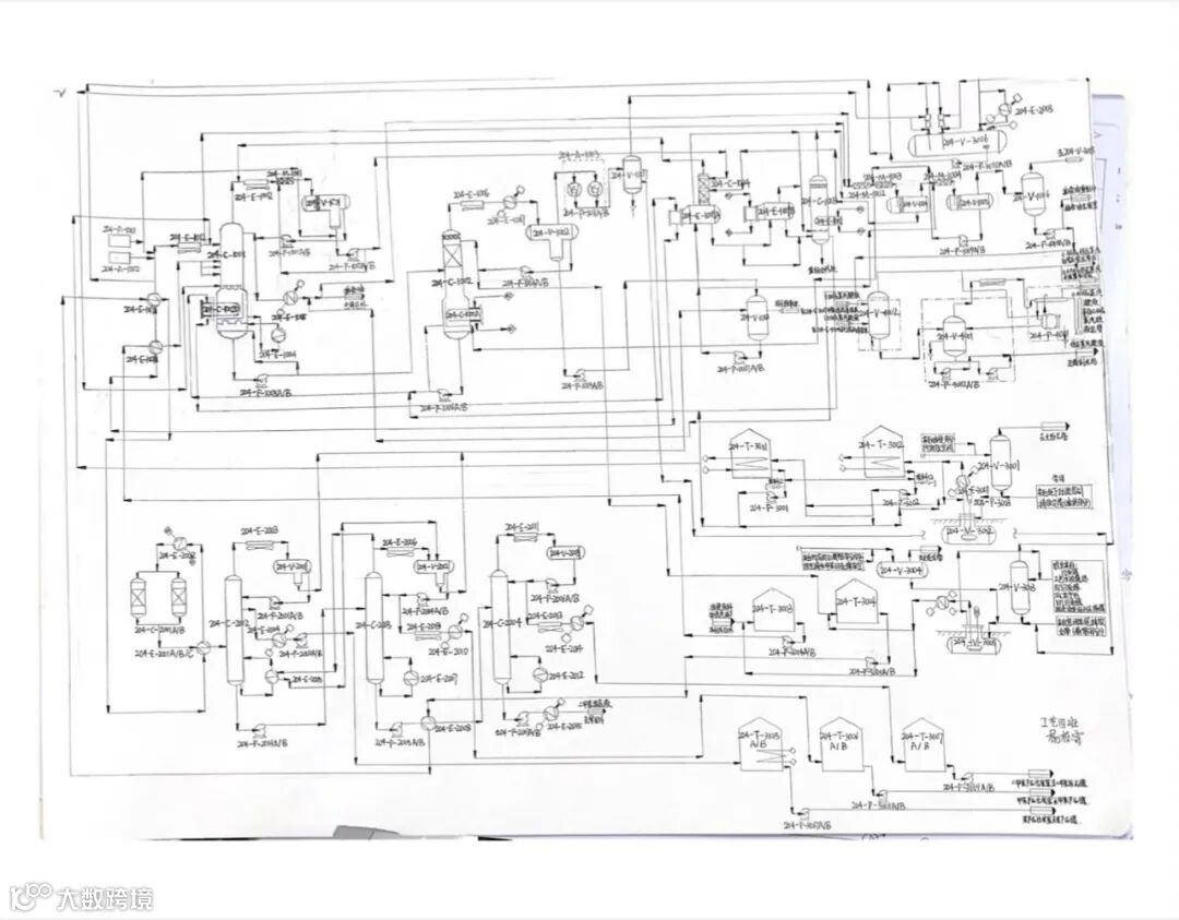
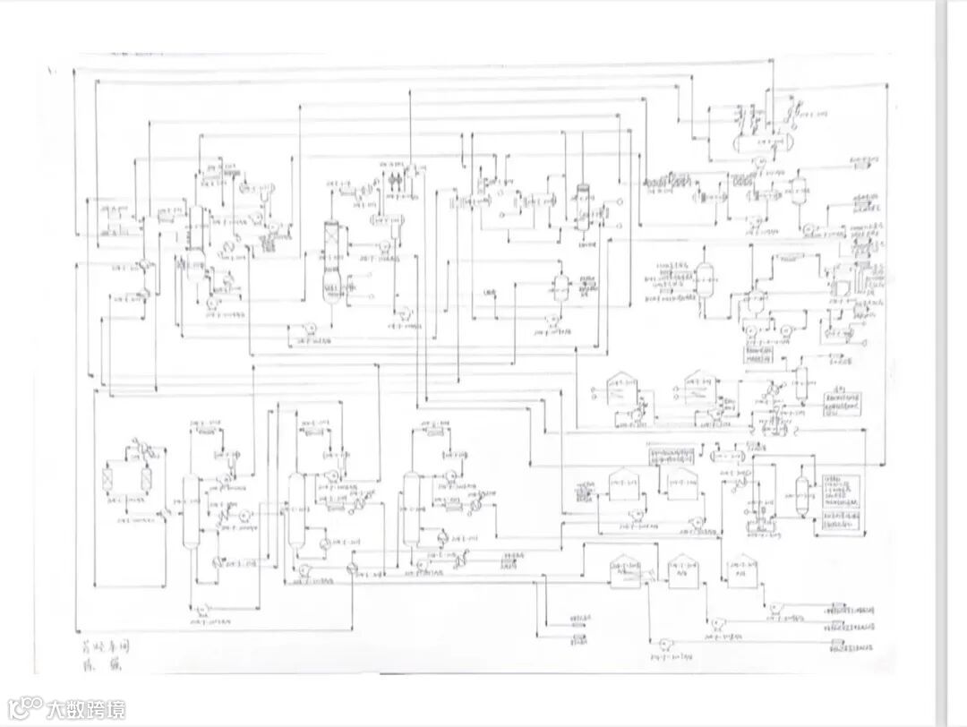
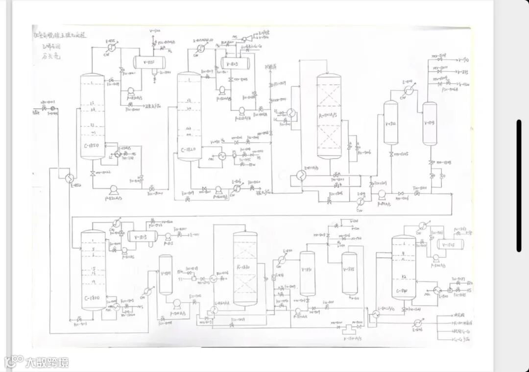
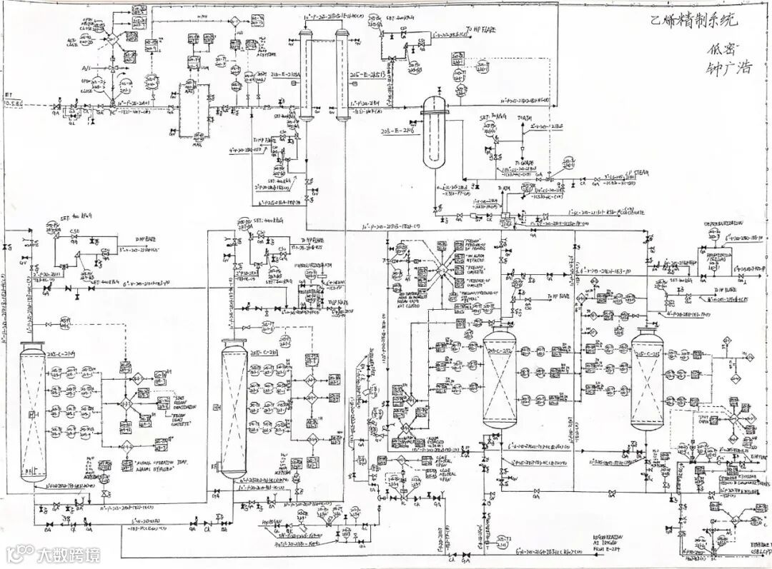
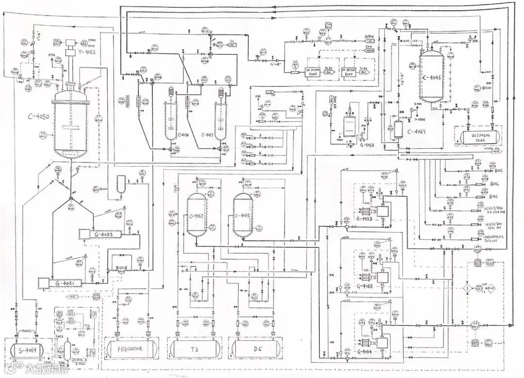
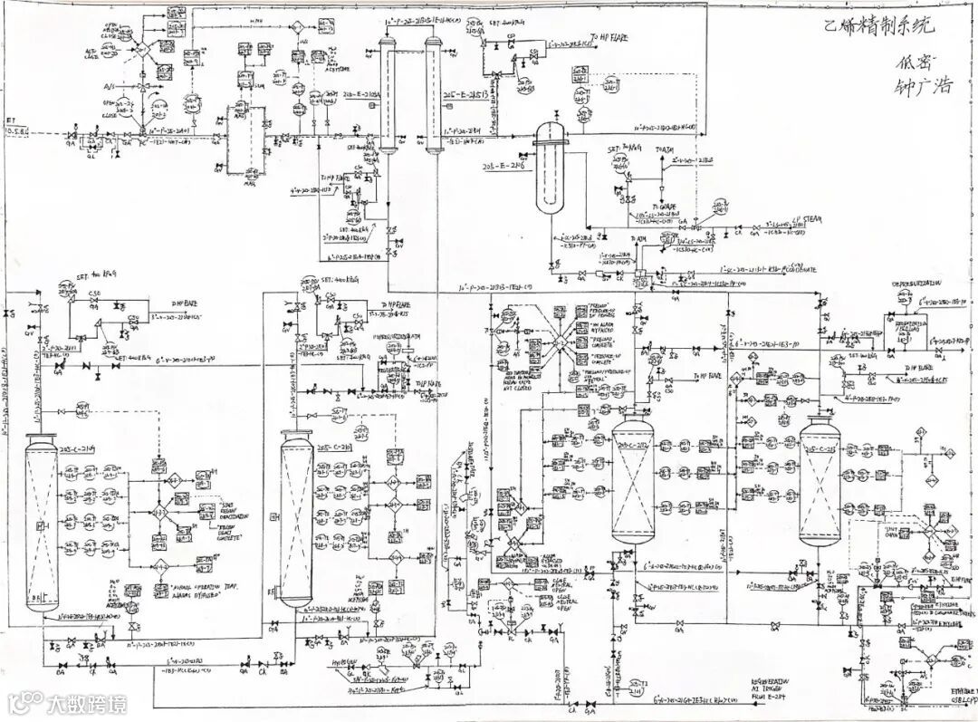
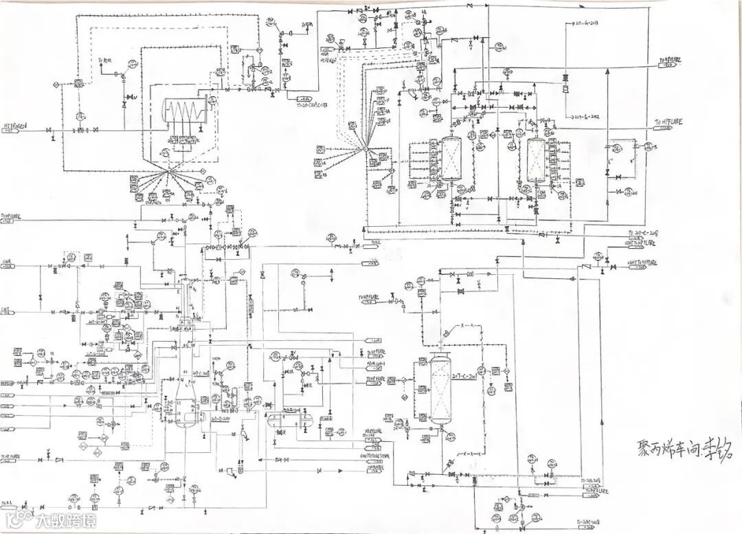
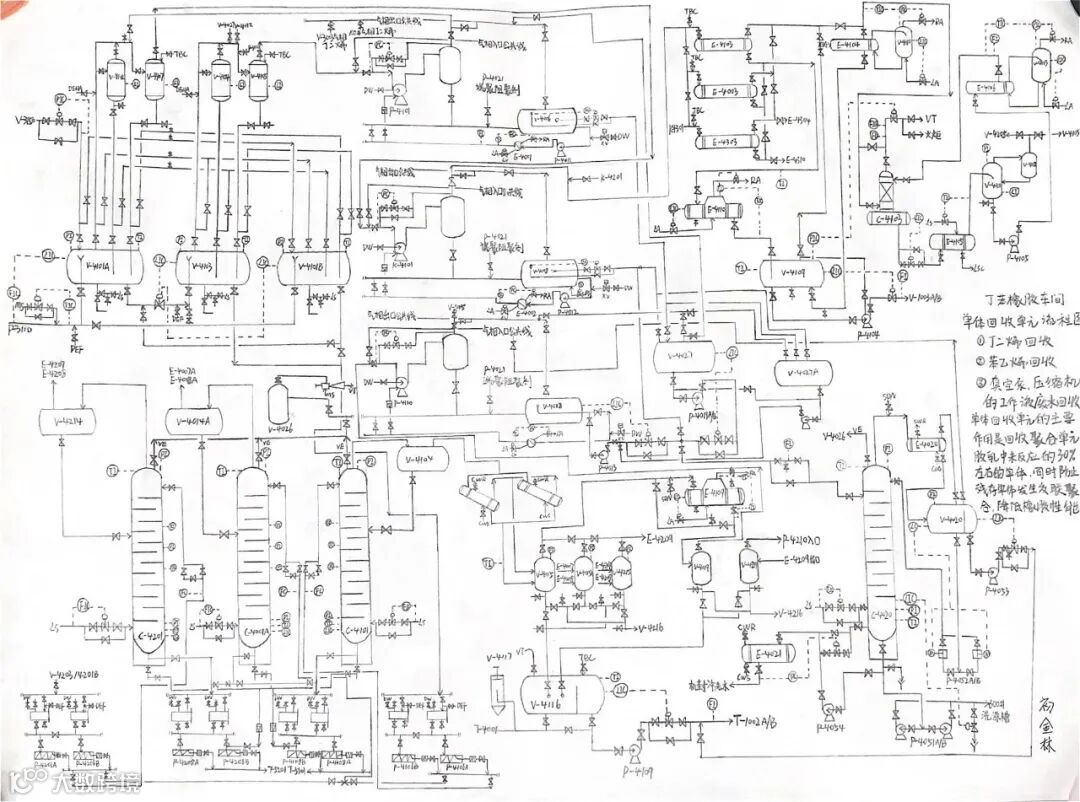
作品展示
左右滑动查看更多
滑动查看更多
技能竞赛促提升!
第三阶段现场绘制流程图大比武,由主办方提供考试专用的图纸和画图工具,根据疫情防控需要,各车间自行选定时间,在本车间进行考试。厂团委和生产运行部派专人进行监督,每个车间派出5名选手进行参赛,评审组根据五名员工画出流程图的正确率进行评分,每个车间评出一名冠军选手进行奖励。
★
来看一看冠军的风采吧
每一次考试时长3个小时,大家优异成绩的背后是努力与勤奋的体现。
★
掌握装置流程是生产的根基。
掌握装置流程是安全生产的根基。本次青工手绘PID流程图大赛活动,以比赛为契机,作为提升青工技能素质和完善岗位知识结构的重要抓手,以赛带练,以练带学,以学助长,调动大家刻苦学习工艺流程的积极性。
用视频记录比赛精彩
锐意进取,斗志昂扬。
勤学苦练,自带光芒!
用奋斗浇灌梦想,
立足岗位扬帆起航!
作者|张宁
视频|李俊桥
责任编辑|张文静 刘英莉 来桂杰
平台编辑|张运泓 李春江
审核|毛军 孙世杰

