抚顺石化公司
青工“岗位流程图”大赛
以练促学
以赛促干
比
学
赶
超
抚顺石化公司始终把培养青年员工作为“一把手”工程,坚持把青年发展作为人才强企工程的重要任务。为加快培养一批技术型、知识型、复合型青年人才,进一步提升员工岗位技能素质,公司以提高青工技术水平、创新能力为重点,开展以“学流程、画流程、提技能、保安全”为主题的青工“岗位流程图”大赛活动,进一步强化青工爱岗敬业的责任意识,让青工真正做到学有所得、学有所获,为广大青年员工施展才干、成长进步搭建了广阔舞台。
More
技能成才 素质建功✦
工艺流程图绘制是岗位人员必备的基本技能之一。此次活动,一是为了检验广大青工的对岗位技能掌握情况;二是为了提升青工岗位精细化操作水平;三是为了激励青工主动加强岗位技能学习,让青年员工在熟悉流程、掌握流程、绘制流程中促进岗位操作技能提升,以比武促学习的方式,营造浓厚的学习氛围,为企业装置安稳长满优运行保驾护航。
一
以练促学 激发潜能
第一阶段
各基层单位精心组织,广大青工积极备战,主动到现场摸索管线、查找流程,向专业管理人员请教工艺原理,严格规范标准操作,提高理论、实际操作水平,夯实工艺流程基础,全面激发员工“精一岗、会二岗、懂三岗”的积极性。
他们严谨认真、细心求实、注重细节,对照各个仪表位号、工艺参数,边学习、边实践、边总结,勤学苦练、力争上游,全面夯实岗位技能基础。
二
以赛促干 “画”出水平
第二阶段
经过上阶段的初步筛选,第二阶段,各厂根据公司整体部署,组织基层单位进行比赛选拔,并以比赛为契机,作为提升青工技能素质和完善岗位知识结构的重要抓手,以赛带练、以练带学、以学助长,调动大家刻苦学习工艺流程的积极性。
考试现场
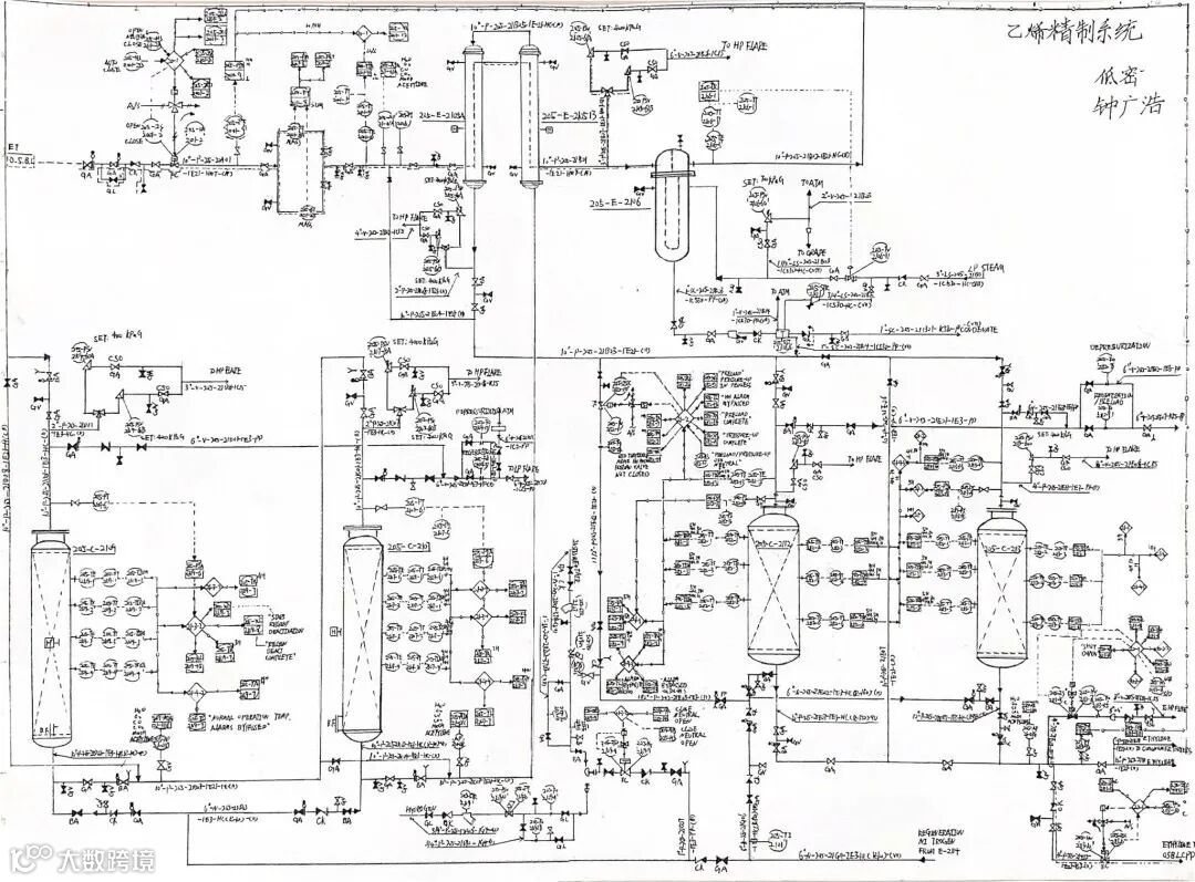
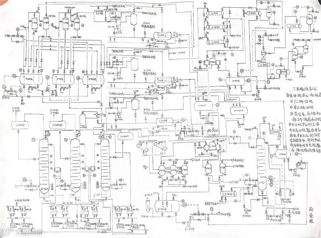
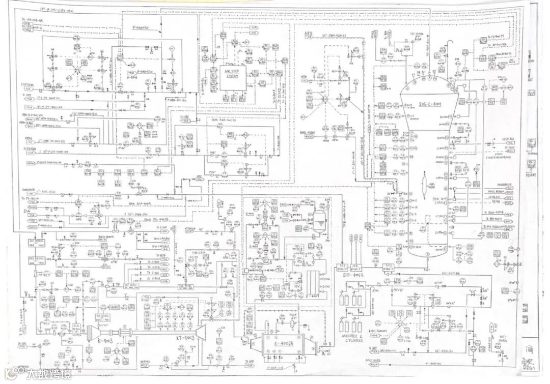
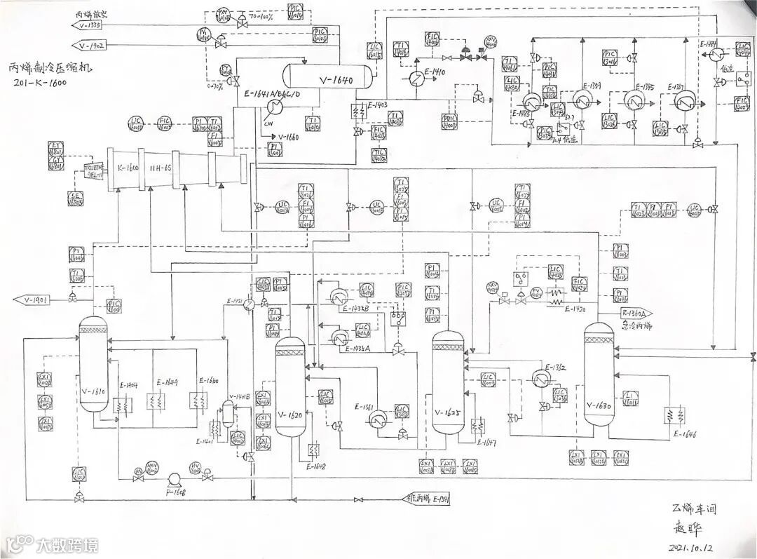
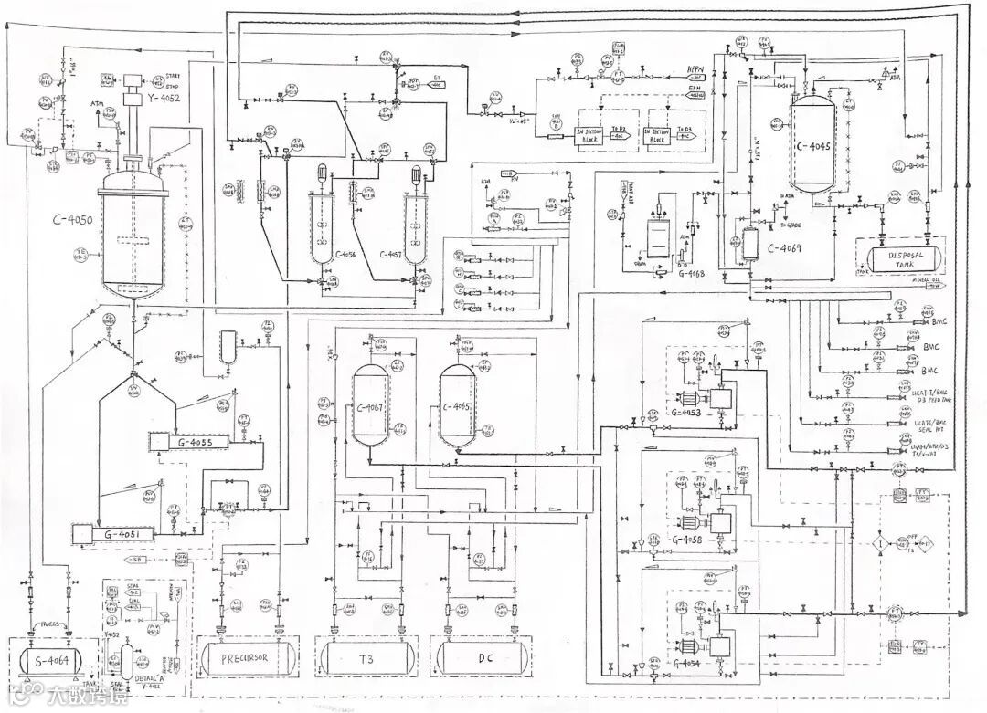
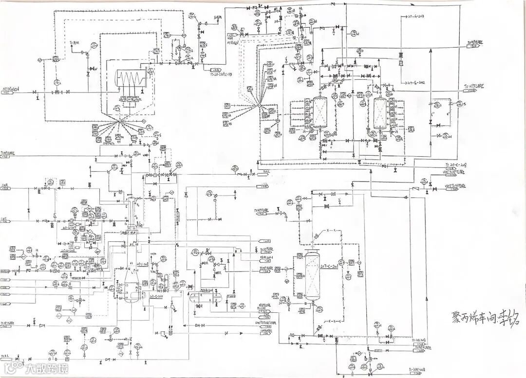
各单位青工们以集中默画的方式认真绘制着装置工艺流程图,用手中的笔尺经过长达3小时的绘制,呈现出一张张高水准的工艺流程图作品。
手绘流程图
各厂相关单位组建评审小组,从流程准确、布局合理、难易程度、细节掌握、幅面整洁等方面对参加流程图大赛的作品进行综合评定,选拔优秀青工参加公司三阶段比赛。
请输入正文
作品展示 左右滑动查看更多
◆ ◆ ◆ ◆
轮岗锻炼筑基础
战训结合提素质
人岗匹配定方向
◆ ◆ ◆ ◆
截至目前,各厂已全部完成第二阶段工作内容。希望各基层单位继续动员全体员工,真正以“干什么学什么,缺什么补什么”为原则,立足岗位实际,结合冬季生产特点,强化青工对操作规程、工艺流程等知识的掌握程度,持续提升广大青工的综合素质和操作技能,积极参加公司团委举办的第三阶段“岗位流程图”集中考试,踏上青年员工成长成才的闪亮舞台!
抚顺石化公司将持续贯彻上级公司领导安排,把强化青工技能素质作为工作重点,继续深入推进青工技能提升,不断创新、科学谋划、积极引导,为公司青年人才队伍培养提供后备青年人才支撑,为企业提质增效贡献青春力量。
踔厉奋发
FIGHTING
笃行不怠
作者|刘司琪 管莹 杜东旭
责任编辑|刘国刚
平台编辑|张运泓 李春江
审核|毛军 孙世杰

