上海图书馆东馆项目是实施“文化东进”战略、“一轴双心”城市文化新布局的重要一环,也是“十三五”时期上海文化设施建设的重大项目。项目总建筑面积114951平方米,其中地上建筑面积78268平方米、地下建筑面积36683平方米。
建立学习型组织
1.项目部建立业务能力学习机制,以提高项目管理人员综合业务监理水平。系统组织内部人员编制PPT学习贯标体系文件。
2.重要方案内部会审机制:监理项目各工程师联合对方案进行会审,内部召开方案技术讨论,解剖技术、质量、安全等重难点,形成方案审查意见。
3.收集外部相关课件,组织项目管理人员学习相关质量、安全管理技术学习。
4.针对核心筒、结构柱清水混凝土特点,开展QC质量活动,强化清水混凝土控制。
5.对饰面级清水混凝土、悬挑钢结构、超厚钢板焊接、钢结构卸载、幕墙精致钢结构及斜面玻璃板块重难点项目重难点分解工序控制分解,制定管理措施及要求,指导现场监理工作开展。
1.形成饰面级清水混凝土监理控制要求
监理项目编制完成饰面级清水混凝土工艺控制要求,落实清水饰面混凝土拌合物的主要技术指标、清水饰面混凝土模板的主要技术指标、结构允许偏差、模板安装控制偏差的控制指标
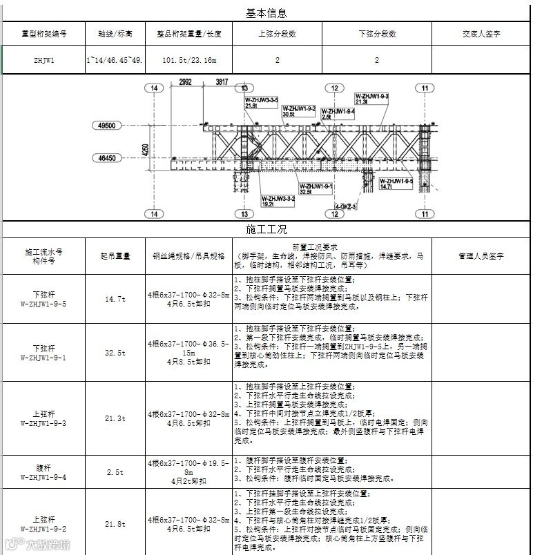
2.超厚焊接及悬挑重型钢结构监理控制要求
审查施工方案,细化焊接拼接顺序,落实工况施工条件。确定卸载流程及前置条件。审查变形数据。复杂的节点要求采用3维模型进行技术交底。编制超厚钢板焊接控制细则,落实焊接工艺评定,审查焊工资质,组织焊工考试。严格落实焊接前预热和焊后消氢保温措施以防裂缝。
3.精钢、悬挑结构幕墙工程监理控制关键要点
制定挤压直角钢龙骨加工验收标准,考察生产厂家能力,过程加工检查、完善验收手段,确保型材加工精度。制定幕墙钢龙骨安装工艺作业指导书、定制钢龙骨生产工艺作业指导书、大窗钢桁架生产技术要求,幕墙工程定制钢龙骨生产工艺作业指导书。
如要投稿:请发送稿件至
dwgzb@jkec.com.cn
长按识别二维码
关注更多精彩内容!

