本文介绍一款创新型设计的螺纹前端带止推垫的塑料微型旋钮KIGMS-SBP。该产品采用高强度工程塑料与不锈钢螺纹结构,具备优异的耐腐蚀性能,适用于自动化设备、仪器仪表及小型机械等需要精密调节和可靠固定的工业领域。
01 产品详情
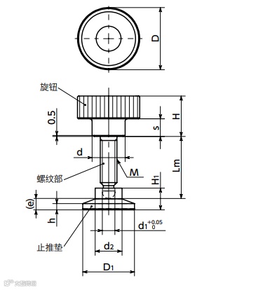
塑料微型旋钮 - 带止推垫 KIGMS-SBP

02 形状图
03 材质、表面处理
04 特点
- 螺纹前端集成止推垫,提升安装稳定性。
- 止推垫相对于螺纹部最大可倾斜15°,适应工件表面不平整或倾斜场景。
- 螺纹部分采用不锈钢材质,耐腐蚀性强。
- 支持根据应用需求定制止推垫的材质与尺寸。
05 相关产品
可提供单件止推垫及无止推垫型号,包括KIGMS、SBP、SBPS系列。

