搜索
首页
大数快讯
大数活动
服务超市
文章专题
出海平台
流量密码
出海蓝图
产业赛道
物流仓储
跨境支付
选品策略
实操手册
报告
跨企查
百科
导航
知识体系
工具箱
更多
找货源
跨境招聘
DeepSeek
首页
>
UR机器人如何脱离和启用示教器使用
>
UR机器人如何脱离和启用示教器使用
AirkingRobots艾科伯特科技
2025-04-14
0
导读:方案说明和结果 Application notice and result该方案针对E系列的设置给出一些指导和介绍。对客户希望脱离示教器使用的情形给出一些指导和参考。
R机器人如何脱离和启用示教器使用
How to disable and enable the teach pendant for UR e-series
1.0 介绍 introduction 3
1.1 方案目的Purpose of this document 3
1.2 硬件设备列表Hardware Equipment 3
1.3 电源要求Power Supply 4
2.0 方案描述 Proposal Description 4
2.1 总体介绍 4
2.2 禁用软件设置 4
2.3 启用软件设置连接示教器到控制箱 8
2.4 远程开机方法 9
2.5 程序的启用与执行 10
3.0 方案说明和结果 Application notice and result 10
1 介绍 introduction
1.1 方案目的Purpose of this document
本文包含优傲E系列机器人快捷更换TP的方法。
本技术方案的目的是通过介绍在使用或者维修TP过程中,在没有备用示教器的情况下,指导客户/集成商实现优傲机器人在脱离示教器下控制机器人的应用。
1.2
硬件设备列表Hardware Equipment
本方案应用以下产品:
优傲机器人软件版本:
所有e系列机器人
1.3
电源要求Power Supply
UR机器人:单相220V AC 10a
2.
方案描述 Proposal Description
2.1 总体介绍
机器人可以脱离示教器运行,这主要可以应用在两个方面。一是某些场合客户为了节省设备空间和重量,需要拆除示教器使用。二是在机器人示教器损坏或送修过程是临时脱离示教器运行程序。
2.2禁用软件设置
1、点击到屏幕右上角的设置按钮
2、找到远程控制选项并点击启用,然后一个示教器的图标会显示在屏幕上
3、找到安装设置-安全-硬件选项卡,输入安全密码取消勾选示教器选项。
4、点击示教器按钮在下拉图标上选择远程控制。
5、右上方的的图标将发生变化,然后关闭机器人
6、取下连接在控制箱上的示教器。
压入示教器两侧的卡子(如下图中红色箭头所示吊坠插头并拔下。完全打开/松开控制箱底部的塑料密封圈并拆下插头和电缆。轻轻拉出示教器电缆。
2.3 启用软件设置连接示教器到控制箱
1、连接示教器到控制箱(参考拆除示教器方法)
2、点击右上角的图标到本地控制
3、找到安装设置-安全-硬件选项卡,输入安全密码勾选示教器选项。
4、然后示教器启用完成。
2.4 远程开机方法
1、在拆除TP之前需要做好以下设置和准备:
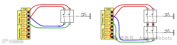
重要提示:当TP示教器被禁用时,必须启用外部紧急停止。
在用户手册中找到:“连接紧急停止按钮”(以下为两种连接方式)
2、利用远程ON/OF 控制,可在不使用示教盒的情况下开启和关闭控制箱。
远程ON 按钮
下图说明了远程ON 按钮的连接方法。
远程OFF 按钮
下图说明了远程OFF 按钮的连接方法。
2.5 程序的启用与执行
1、对于一般零时的脱离示教器使用我们可以用Dashboard
服务
器来启用执行我们现有的程序。
允许通过端口号29999远程控制机器人
控制机器人操作,如导入程序、启动程序等得到机器人状态反馈(如机器人正在运行、停止等)
显示/关闭弹出窗口设置用户权限水平(如GUI界面某些部分禁止访问)例如我们要远程加载程序:可以向机器人发送以下命令;
Load<program.urp>
以上这个命令中的“program”就是需要加载的程序名。我们常用的命令有:
导入程序load <program.urp>
启动程序play (starts loaded program)
停止程序stop (stops running program)
暂停程序pause (pauses the running program)
2、对于机器人长期脱离示教器使用我们可以参考机器人pc控制的方法,对机器人进行监控以及程序执行。
3.0 方案说明和结果 Application notice and result
该方案针对E系列的设置给出一些指导和介绍。对客户希望脱离示教器使用的情形给出一些指导和参考。
【声明】内容源于网络
0
0
AirkingRobots艾科伯特科技
北京艾科伯特科技有限公司(Airking Robotics)是UR机器人,Robotiq,Robosense等机器人领域的金牌授权商,我们面向教育行业,航空航天,工业,生命科学等领域,致力于让协作机器人、移动机器人实现人机交互。
内容
78
粉丝
0
关注
在线咨询
AirkingRobots艾科伯特科技
北京艾科伯特科技有限公司(Airking Robotics)是UR机器人,Robotiq,Robosense等机器人领域的金牌授权商,我们面向教育行业,航空航天,工业,生命科学等领域,致力于让协作机器人、移动机器人实现人机交互。
总阅读
6
粉丝
0
内容
78