文档介绍
本文主要是介绍机器人与注塑机集成的步骤,在集成的时候需要注意的事项等,当然本文不仅限于和注塑机集成,后面集成商在做与机器人与机床类配合的项目的时候,本文可以作为参考。
UR EU67选项介绍
UR原厂也有EUROMap67的选项,这个选项需要而外的购买,如果使用这个选项的话,和IMM集成起来也比较方便,其购买的硬件如下图
硬件准备
为了实现和注塑机的连接,我们需要自己自作一个和注塑机对应的HARTING接头,如下图所示
电源要求
UR机器人:单相220V AC 10A
安全回路
在项目集成的时候,一般需要接两种回路,分别是急停回路和安全防护回路,UR机器人都提供了两种安全回路的电气接口,急停回路和安全防护回路的区别,请参考图2
出厂的时候,急停回路和安全防护回路是短接的,参考图2.1
急停回路
根据安全标准,在机器人集成应用中,机器人的急停回路和外围设备的安全回路需要串联起来,急停回路接线完成之后,需要进行急停回路的测试,测试的基本原则就是当拍下机器人的急停,注塑机需要急停,当拍下注塑机的急停,机器人也需要急停;
2.1.1
接线示例
如何配置急停系统输出,请参考下图
安全光栅
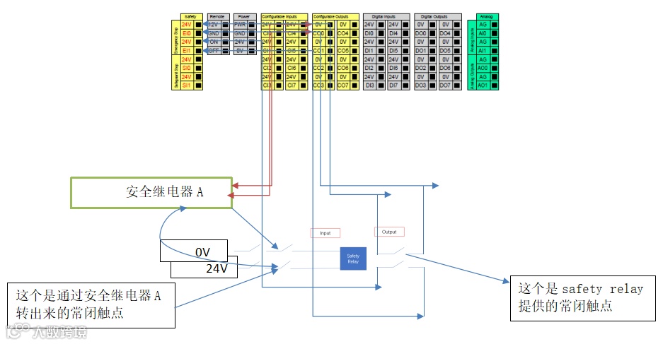
安全光栅的接法有两种,分别是可自动恢复的防护重置和带重置按钮的防护重置;两种接法的主要区别有无配置防护重置,如果配置了防护重置,那么当防护安全回路断开的时候,需要按重置按钮之后,机器人才可以继续工作,如果没有配置,那么当防护安全回路回复之后,机器人自动复位,继续工作;
2.2.1
可自动恢复的防护装置
2.2.2
带重置按钮的防护装置
UR与注塑机之间的通信
一般机器人与IMM之间的通信都是通过硬件线,所以在这我就介绍一下UR机器人如何接线,UR提供的16进16出都是PNP;工具端的2个DO是NPN,2个DI是PNP;
机器人内部电源和外界电源的电气规格请参考下图:
使用内部电源
出厂默认的设置都是使用机器人内部的电源,参考图3.1,当使用内部电源的时候,那么端子排上的0V和24V都是机器人内部的电源;
使用外部电源
安全区域的设置
一般在和机床进行协同作业的时候,都需要设置机器人的安全区域信号,在此我们可以借助缩减模式的信号来给出机器人的安全区域信号,因为我们只想要区域信号,但是不希望机器人的速度降低,为此我们可以将缩减模式下的速度设置成和正常模式的速度是一样的,具体的操作步骤参考如下:
1) 设置安全平面
2) 配置安全信号输出
3) 设置缩减模式的速度
IO信号的设置
UR机器人与IMM之间的信号交互如下表1 和表2,表1是注塑机给机器人的,表2是机器人给注塑机的,这些信号是根据EU67来定义的信号;
机器人IO设置界面
根据表1和表2来设置机器人的信号名字
模区安全信号
模区安全信号就用我们上面设置的缩减模式的信号,按照以前的项目经验,我们都是用一个继电器转的;
信号测试
以上信号接线完成之后,需要进行信号的测试,以确认信号接线没有问题,方可进行下一步;
程序的模板以及讲解
程序讲解
产品型号更换的现实
一般来说IMM都会有很多套模具,这就涉及的型号的切换,我这个程序实现换型的方法如下;
Step1 :将Type1保存,
Step2 再次点击“Save SubProgram”,此刻将文件名改为“Type2”
然后在修改程序2里面的点位即可,这些工作完成之后,还需要修改一处,如下图;
通过以上两步,从而实现了新产品的导入,到需要切换到TYPE1的时候,需要手动调用type1
艾科伯特(AirkingRobots)专注于具身智能机器人领域,提供 UR 等系列机器人的模仿学习、强化学习完整解决方案,涵盖数据采集设备定制、政策训练优化、跨载体迁移适配等全链条服务。如需了解具体技术细节或方案咨询,可联系 AirkingRobots 获取专业支持。
更多案例请关注公众号:
商
务
联
系
邮箱:info@airkingrobots.com
电话:13161062216
—— E N D ——
点个喜欢吧

