法兰连接基座(Boden)
工艺:机加工
材料:2017/2017A
数量:7500件
需求:价格请报含税运包装FOB上海进仓费,能做的厂商速联系。
截止时间:2025.7.20
收货地:上海
定位销
工艺:机加工、热处理
材料:45#
数量:100件
需求:自动化加工,请按图纸要求报含税运最优价格,能做的厂商速联系。
截止时间:2025.7.15
收货地:江苏常州
承压底板(Boden)
工艺:机加工
材料:2017/2017A
数量:5000件
需求:价格请报含税运包装FOB上海进仓费,能做的厂商速联系。
截止时间:2025.7.20
收货地:上海市
侧导轨
工艺:机加工、热处理
材料:45#
数量:100件
需求:自动化加工,请按图纸要求报含税运最优价格,能做的厂商速联系。
截止时间:2025.7.15
收货地:常州市
绝缘套
工艺:机加工
材料:聚四氟乙烯棒
数量:11个
需求:请按图纸要求报含税运最优价格,能做的厂商速联系。
截止时间:2025.7.15
收货地:江苏镇江
链轮
工艺:粉末冶金、热处理
材料:PA6
数量:50件
需求:长期合作,每次几十件,请按图纸要求报含税运最优价格,能做的厂商速联系。
截止时间:2025.7.15
收货地:江苏常州
不锈钢件
工艺:机加工
材料:316L
数量:20000件
需求:请按图纸要求报含税运最优价格,能做的厂商速联系。
截止时间:2025.7.15
收货地:江苏常州
轴
工艺:机加工
材料:42CrMo4+QT
数量:5000件
需求:净重44.52KG,价格请报含税运包装FOB上海进仓费,能做的厂商速联系。
截止时间:2025.7.15
收货地:上海市
衬套
工艺:机加工
数量:100件
需求:适用于FORD F-250 SUPER DUTY 2005-2023及F-350 SUPER DUTY 2005-2023车型,起订量50-110件,请按图纸要求报含税运最优价格,能做的厂商速联系。
截止时间:2025.7.15
收货地:温州瑞安
通用衬套
工艺:机加工
材料:SUS302不锈钢
数量:1000个
需求:请按图纸要求报含税运最优价格,能做的厂商速联系。
截止时间:2025.7.15
收货地:镇江市
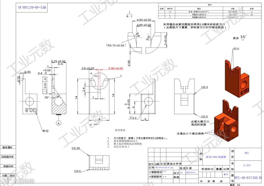
上刀片
工艺:机加工、热处理
材料:DC53/440/高速钢
数量:200件
需求:结算方式为月结,货期20天,请按图纸要求报含税运最优价格,能做的厂商速联系。
截止时间:2025.7.20
收货地:深圳
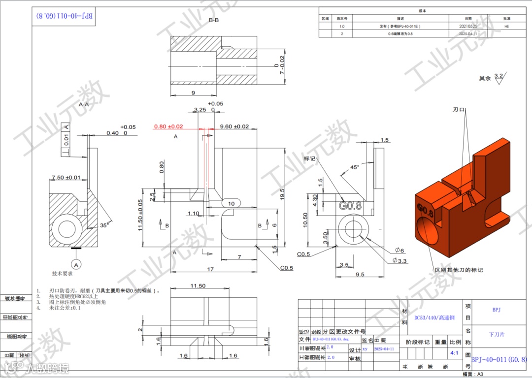
下刀片
工艺:机加工、热处理
材料:DC53/440/高速钢
数量:200件
需求:结算方式为月结,货期20天,请按图纸要求报含税运最优价格,能做的厂商速联系。
截止时间:2025.7.20
收货地:深圳
F079铝锻扳手
工艺:锻造
材料:ALMgSi0,5 F22
数量:30000件/年
需求:注意F22材料热处理机械性能,价格请报含税运包装FOB上海进仓费。
截止时间:2025.7.20
收货地:上海
支撑轴销
工艺:机加工
材料:AISI409不锈钢
数量:2000个
需求:请按图纸要求报含税运最优价格,能做的厂商速联系。
截止时间:2025.7.14
收货地:江苏镇江
夹具六角座
工艺:铸造、机加工
材料:SUS302不锈钢
数量:1000个
需求:请按图纸要求报含税运最优价格,能做的厂商速联系。
截止时间:2025.7.14
收货地:江苏镇江

