1、普通砖砌体砌筑
(1)砖的品种、强度必须符合设计要求,并应规格一致,用于清水砖墙的砖应色泽均匀,边角整齐。
(2)常温施工时,黏土砖应在砌筑前1~2d浇水湿润,一般以水浸入砖四面15mm~20mm为宜;雨季施工不得使用含水率达到饱和状态的砖;冬期施工砖可不浇水,但必须适量加水调整砂浆稠度。
(3)砂浆应随拌随用。常温施工时,水泥砂浆和水泥混合砂浆应分别在拌成后3h和4h内用完;当气温超过30℃时,应分别在拌成后2h和3h内用完。
(4)砌筑前应弹好墙身轴线、边线、门窗洞口线及构造柱位置线。
(5)按室内地坪立好皮数杆,皮数杆应立在墙体转角处、纵横墙交接处以及沿墙长间距不大于1.5m的位置。

立皮数杆示意图

立皮数杆效果图
(6)砖砌体一般采用一顺一丁、三顺一丁或沙包式组砌法,半砖墙用全顺组砌法,圆弧墙用全丁组砌法。砖砌体组砌方法应保证上、下错缝,内外搭接,砖柱不得采用包心砌法。

三顺一丁组砌示意图

沙包式组砌效果图
(7)首先要盘角,盘好复查无误后方可挂线砌墙。
(8)砌筑时要沿纵横两个方向挂水平线,砌筑一砖及以上厚墙应双面挂线,当多人砌长墙使用一根通线时,中间应设几个支线点,小线要拉紧。每皮砖要穿线看平,使水平灰缝均匀一致,平直通顺。水平灰缝厚度和竖向灰缝宽度宜为10mm,但不应小于8mm,也不应大于12mm。
(9)砌砖宜采用“三一砌砖法”,(一铲灰,一块砖,一挤揉),满铺满挤,确保砂浆饱满。砌砖时应将砖放平,并做到“上跟线,下对棱,左右相邻要对齐”。清水砖不允许有三分头,不得在上部随意变活、乱缝。当砌完一步架高时,宜每隔2m左右水平间距,在丁砖立棱位置弹两道垂直线分段控制游丁走缝。
(10)清水砖应随砌随划缝,划缝深度为8mm~10mm,并应深浅一致,清扫干净,混水砖墙应及时将舌头灰刮净。
(11)留槎:砖墙转角处和交接处应同时砌筑,若不能同时砌筑时必须留斜槎,普通砖砌体斜槎水平投影长度不应小于高度的2/3。隔墙与承重墙或柱不能同时砌筑时可留凸槎,但必须沿墙高每500mm加设拉结筋,其埋入长度从留槎处算起每边均不少于500mm(非抗震区)或1000mm(抗震区),末端应有90°弯钩。砌体接槎时,必须将接槎处清理干净,浇水湿润,并应填实砂浆,保持灰缝平直。

实心砖斜槎砌筑示意图

实心砖直槎砌筑和拉结筋效果图
(12)过梁、梁垫安装:其标高、位置及型号必须准确,支座上砂浆平垫满。如铺灰厚度超过20mm时,应用豆石混凝土铺垫。过梁两端支撑点长度应一致并符合设计要求。施工洞上部应加预制钢筋混凝土过梁,洞口净宽不应大于1000mm,并要按留槎方法预埋拉结筋,其侧边离交接处墙面不应小于500mm。宽度小于1000mm的洞口可用钢筋砖过梁。
砌筑钢筋砖过梁应先在门窗口上过梁底部支模板铺水泥砂浆。钢筋砖过梁模板支撑用立于窗台上的琵琶撑,或在两侧砖缝内加钉子挑住模板,中间起拱1/100;过梁底部铺设的水泥砂浆厚度宜为30mm,钢筋要压入砂浆;钢筋按墙厚每300px配一根直径6mm的钢筋,支撑长度不小于240mm,在两端设置向上的弯钩,并将其压入竖缝内;过梁的第一皮砖用丁砖砌筑,此后逐层往上砌,在5皮砖厚度内及钢筋长度内要用不低于M5的水泥砂浆砌筑。

钢筋砖过梁示意图
(13)木砖安砌:木砖应提前做好防腐处理,预埋时小头朝外,大头向内,其数量视洞口高度定。洞口高度在1.2m以内,每边放2块;高1.2m~2m,每边放3块;高2~3m,每边放4块,埋设位置一般在洞口上下四皮砖各放一块,中间均匀布置。对120mm墙可用混凝土制备,以防不牢。

木砖安砌示意图
(14)预留孔洞及穿墙管道:孔洞及穿墙管道必须按设计要求事先预留,不得事后剔凿。电线埋管槽必须用切割机切割,宽度超过300mm的洞口应设置钢筋砖过梁或预制钢筋混凝土过梁。
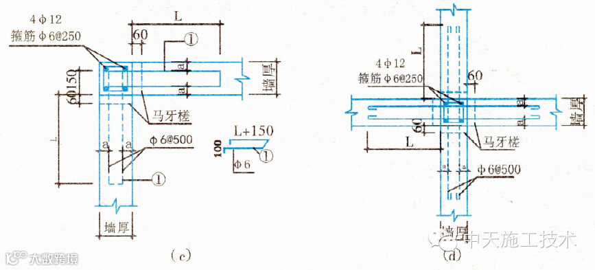
(15)构造柱砌筑:与构造柱连接处砖墙应砌成先退后进马牙槎,每个马牙槎沿高度方向的尺寸不宜超过300mm,也不宜超过五皮砖。当设计无要求时,沿墙高设置拉结筋,每边伸入墙内非抗震区不小于600mm,抗震区不小于1000mm。

构造柱砌筑施工图

构造柱支模施工图
(16)挑砖:砖挑檐、窗台虎头砖、墙上腰线和附墙暖气沟的支点等,均用挑砖来完成。挑砖应该以丁砖挑出,有一皮挑、二皮挑和一二皮间隔挑。每次挑出60mm,最大不大于砖长的1/3,挑出的总和不宜大于墙厚的1/2。挑砖时应挂线,使挑头齐平。砖挑檐砌筑时,每皮都应先砌里面,再砌外面。

挑砖砌筑示意图
(17)虎头砖:用在窗台上的侧砌挑砖,有平砌和斜砌两种。斜砌时用砂浆找坡,里比外高20mm,伸出60mm。虎头砖的两端应伸入窗边墙约半砖。所有窗台都应挂通线,砂浆强度要高些,灰缝要饱满。

窗台虎头砖砌筑示意图
2、小型混凝土空心砌体砌筑
(1)材料:小型空心砌体的规格、外观尺寸、密度等级、强度等级等必须符合设计要求及《普通混凝土小型空心砌块》GB8239和《轻集料混凝土小型空心空心砌块》GB15299;小砌块砌筑砂浆应符合《混凝土小型空心砌块砌筑砂浆》JG860的要求;小砌块灌孔混凝土应符合《混凝土小型空心砌块灌孔混凝土》JG861的要求,其他配套材料应符合相关规范要求。
(2)砌块含水率控制:小型空心砌块常温施工时宜为自然含水率。当天气炎热时,可提前浇水湿润;轻集料混凝土小型空心砌块宜提前2d浇水湿润。
(3)砌块排列:砌筑前应根据砌块尺寸和水平灰缝厚度、垂直灰缝宽度计算砌筑皮数和排数。从房屋外墙转角处定位对孔错缝搭接,尽量做到孔对孔、肋对肋的排列,以提高砌块墙体的整体性和良好的受力状态。砌块排列应尽可能采用主规格和大规格。
(4)芯柱的设置:在外墙转角、楼梯间的纵横交结处,宜设置混凝土芯柱。

芯柱设置示意图
(5)砌块施工:
1)砌筑前,应将基础平面或楼地面按设计标高找平,当高差大于20mm时,应采用C20细石混凝土找平。然后按施工图放墙体轴线、内外墙边线、卫生间隔墙线和门窗洞口边线。在房间四角根据实际需要部位设立皮数杆,按皮数杆控制灰缝和各部位标高。
2)内外墙交接处应沿墙高设拉结筋,且每边伸入墙内不应小于1000mm。砌体中的拉结网片必须设在水平灰缝砂浆中,不得有露筋现象。拉结网片应按设计要求铺设不得错放、漏放。
3)浇筑楼层圈梁时为防止混凝土落入小砌块,孔洞中最上一皮小砌块可采用盲孔小砌块或加密目金属网。窗口两侧砌块孔洞均用混凝土灌实,窗台板不能伸入墙体,应将窗台板加工成异型板安装。
4)内外墙同时砌筑时,纵横墙交接处必须保证芯柱孔洞上下贯通,承重砌块要采用反砌,即大面朝上,砂浆随铺随砌,灰缝饱满、横平竖直。垂直灰缝宽度和水平灰缝厚度控制在10+2mm,水平灰缝饱满度应达到90%以上,竖直灰缝饱满度应达到80%以上。
5)底层室内地面以下、防潮层或窗台下部挂重物处砌体都应采用强度等级不低于C20的混凝土灌实小砌块的孔洞。+0.000以上砌体的插筋位置的第一皮砌块相应部位设置芯柱清扫孔,采用带清扫孔的砌块砌筑,砌筑时应在清扫孔的底部铺一层松散砂,以免黏结落入物。
6)墙体砌筑时,应随砌随用镏子原浆压缝,缺灰处应及时补浆,当灰缝砂浆达到“指纹强度”时应及时压缝。勾缝形式以圆弧状凹缝或“V”形缝为好,勾缝深度应凹进墙面2mm。
7)留槎和洞口处理同普通砖砌体。

洞口施工图
(6)芯柱的施工:
1)芯柱截面不宜大于120×120mm,宜用不低于C15的细石混凝土灌注。
2)钢筋混凝土芯柱每孔中竖筋底部应插入室内地面下500mm,或与基础梁锚固,顶部与屋盖圈梁锚固。
3)芯柱应沿建筑物全高贯通,并与各层圈梁整体现浇。
4)在钢筋混凝土芯柱处,沿墙高设钢筋网片拉结,每边伸入墙体不小于600mm。
5)芯柱部位宜采用不封底的通孔小砌块。在楼(地)面砌筑第一皮小砌块时,在芯柱部位应用开口砌块或U形砌块砌出操作孔,在操作孔侧面宜预留连通孔,用来清理孔内杂物,固定、校正钢筋。芯柱上下楼层的钢筋可在楼板面上搭接,搭接长度不应小于40d,砌完一个楼层高度后,砌筑砂浆必须达到1.0MPa以上方可浇筑芯柱混凝土。

小型混凝土空心砌块墙面效果图
3、填充墙砌体砌筑
(1)空心砖及空心砌块、蒸压加气混凝土砌块、轻骨料混凝土小型空心砌块应分别符合设计要求及《烧结空心砖和空心砌块》GB13545、《正压加气混凝土砌块》GB/T11968和《轻集料混凝土小型空心砌块》GB15229的规定。
(2)常温天气下,空心砖和砌块应在砌筑前提前2d浇水湿润。砌筑含水率空心砖宜为10%~15%,空心砌块宜为5%~8%,加气混凝土砌块宜为15%~20%。
(3)用轻骨料混凝土小型空心砌块或蒸压加气混凝土砌块砌筑墙体时,墙底部应砌烧结普通砖和多孔砖,或普通混凝土小型空心砌块,或现浇混凝土坎台等,其高度不宜小于200mm。地面或楼面高差相差较大时用细石混凝土找平。
(4)填充墙砌体留置的拉结钢筋或网片的位置应与块体皮数相符合。拉结钢筋或网片应置于灰缝中,埋置长度应符合设计要求,竖向位置偏差不应超过一皮高度。
(5)空心砖、轻骨料混凝土小型空心砌块的砌体灰缝应为8mm~12mm。蒸压加气混凝土砌块砌体的水平灰缝厚度和竖向灰缝宽度分别宜为15mm和20mm。灰缝应横平竖直,砌筑完毕后用特制的勾缝工具进行勾缝。
(6)填充墙砌筑时应错缝搭砌,竖向通缝不应大于两皮。空心砖墙、轻骨料混凝土小型空心砌块墙相互错开1/2砌块长,且不应小于120mm;蒸压加气混凝土砌块墙相互错开不小于1/3砌块长,并不应小于150mm。如不能满足时,在水平灰缝中设置2根直径6mm的钢筋或直径4mm的钢筋网片,加筋长度不小于700mm。

空心砖墙、轻骨料混凝土小型空心砌块墙错缝长度图

蒸压加气混凝土砌块墙错缝长度图
(7)填充墙与梁板的连接:
1)当填充墙墙长小于5m时或无抗震设计要求时,填充墙砌至接近梁、板底应留一定空隙,待填充墙砌筑完并至少间隔7d后,再用烧结普通砖斜砌补齐挤紧,斜砌角度为60°左右,砂浆应饱满。

填充墙基础及顶部砌筑示意图
2)当墙长不小于5m时,顶部与主体梁板预留的钢筋拉结。拉结钢筋锚入梁、板内250mm,锚入填充墙内300mm,逐皮随砌随填灌砂浆。抗震设防烈度6、7度时,间距1500mm,抗震设防烈度8度时,间距1000mm。

墙顶部与梁拉接示意图
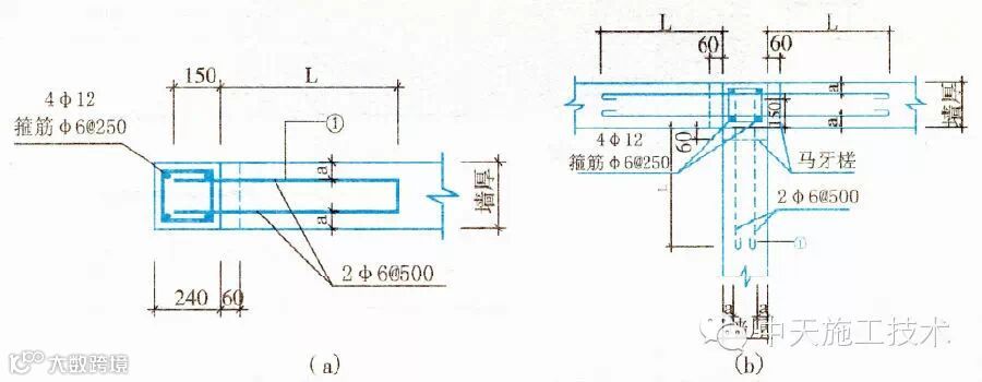
(8)填充墙与构造柱的连接:构造柱与填充墙体的连接处应砌成马牙槎,槎深60mm,从底部先退后进,沿墙高设置水平拉结筋。按照抗震烈度设防不同,拉结筋锚入墙体的长度不同:非抗折设防时长度为600mm;抗震设防6、7度时长度不应小于墙长的1/5且不小于700m;8度抗震设防时,长度沿墙全长贯通。拉结筋穿过构造柱部位与受力钢筋绑牢。


构造柱与填充墙拉接平面示意图

构造柱与填充墙拉接立面示意图
4、洞口留置
(1)后塞口留置门洞口时,其尺寸(高度和宽度)应结合装饰装修的不同做法进行确定。
(2)后塞口门洞砌筑时宜将过梁下第一皮砖向两边各退63mm,预留出门框上冒头的安装位置,避免门框安装时二次剔凿或裁锯上冒头。

后塞口留洞构造
(3)门洞口木砖的预留位置应为距洞口上下第四皮砖,中间距离不大于600mm。木砖为梯形50mm×115mm×115mm,小头朝外,表面涂防腐油。单砖墙或轻质隔墙应采用预制混凝土木砖。

门洞口预留木砖

预制混凝土木砖
5、砌体效果图

填充墙洞口效果图

填充墙转角效果图

砖墙埋管效果图

填充墙构造柱效果图

