来源:筑龙施工
如有侵权,请联系删除
1、采用抗浮底板或筏板基础梁接头位置不应按普通楼层框架梁接头位置设置,且没有错开,基础梁上部纵筋接头应设置在距离支座ln/4区域,下部纵筋接头应设置在跨中区域)。
2、筏板钢筋接头在施工缝处预留长度不够,且接头没错开。
3、独立基础底板钢筋排布,长向钢筋应置于短向钢筋之下。
独立基础底板钢筋设置
(18G901-3 3-9)
基础梁纵筋接头位置设置(18G901-3 3-9)
4、筏板面积较大时,可按25%百分率接头设置搭接长度,现场仍按50%接头百分率设置搭接长度,导致钢筋接头浪费。
5、底板纵筋接头长度有的太长,超过一个搭接长度,有的则太短,不能满足规范所要求的长度。底板通长筋没绑扎成平行直线,导致同截面钢筋根数不同。
受拉钢筋锚固长度设置(16G101-3 P61)
6、筏板封边构造没按规范和设计,擅自设置筏板上下纵筋弯折长度。
封边构造设置要求(16G101-3 P93)
7、当独立基础底板长度≥2500时,除外侧钢筋外,底板配筋长度可取相应方向底板长度的0.9倍,交错放置,可以节约独立基础钢筋用量。
当非对称独立基础底板长度≥2500,但改基础某侧从柱中心至基础底板边缘的距离<1250时,钢筋在该侧不应减短。
独立基础底板配筋长度剪短10%构造(16G101-3 P70)
1、顶层边柱均未设置弯折,16G101规定是当采用柱外搭接时,柱外侧可不弯折,但柱内侧钢筋当梁高度小于锚固时均要求弯折。优先选用梁锚柱,节省钢筋。
2、顶层中柱通常需要弯折,但如果顶层中柱纵筋在梁内满足直锚就不需要弯折。
顶层边柱纵筋设置(16G101-1 P67)
顶层中柱纵筋设置(16G101-1 P68)
3、柱梁节点处柱箍筋未设置或间距太大。柱梁节点是核心节点,是抗震的关键节点,不能省掉梁柱节点内的箍筋。
4、钢筋翻样时,柱上下钢筋根数发生变化区域没在下层调整竖向钢筋长度,因而柱纵筋没有长短交错,导致接头未能错开。
柱梁节点箍筋设置
5、保护层未满足最小保护层厚度,根据最新规范图集要求,钢筋保护层厚度应从最外层钢筋外边缘算起至混凝土表面的距离。
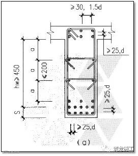
6、暗柱较长时,有些项目现场采用两个U形箍筋组合,并使用搭接连接,此做法增加了钢筋搭接长度,导致钢筋用量增加。暗柱应按16G101图集采用封闭式箍筋做法。
7、底层柱箍筋加密区从地坪以上H0/3开始设置为错误做法,应从基础顶面开始算起(根据结构施工图嵌固端来定)。
暗柱封闭式箍筋设置(16G101-1 P75)
混凝土保护层最小厚度(16G101-1 P65)
箍筋加密区设置(16G101-1 P65)
8、柱插筋施工时,伸入基础中的插筋应采用封闭箍筋,此处箍筋仅为外侧大箍筋(非复合箍),当设计无具体要求时,保护层厚度应>5d(d为柱插筋最大直径),可节约部分箍筋。
柱纵向钢筋在基础中构造(16G101-3 P66)
1、地下室外墙水平筋(外侧与内铡)在同一位置搭接,没有按接头百分率错开接头。
2、地下室外墙水平筋接头未设置在受力最小处。外墙外侧水平钢筋应位于跨中三分之一或墙高四分之一(二者取较小值)区域,外墙内侧应位于支座及支座附近(主要是有壁柱的地下室外墙)。
3、地下室外墙竖向钢筋接头位置错误,根据规范外墙外侧竖向钢筋应位于墙高中间的三分之一区域,外墙内侧竖向纵筋应位于墙高根部的四分之一区域。
地下室水平筋接头设置要求 (16G101-1 P82)
地下室竖向筋接头设置要求 (16G101-1 P82)
4、墙纵向钢筋搭接长度过长,直接按墙高度。墙封顶时墙竖向钢筋应该是减去下面预留长度再加搭接长度。
竖向钢筋连接构造构造(16G101-1 P73)
5、外墙外侧钢筋顶模未设置保护层垫块,导致外墙外侧钢筋露筋等严重后果,最终把整个外墙破坏掉。外墙外侧直接与覆土接触,保护层不少于40mm。
6、结构总说明或基础说明中未注明顶板是外墙的简支支承还是弹性嵌固支承,施工时没有找到施工依据就擅自组织施工。
外墙纵筋折弯设置(16G101-1 P82)
7、地下室挡墙钢筋位置正确顺序应为:竖向钢筋在外侧,水平钢筋在内侧。
8、墙拉筋绑扎不规范,拉筋长度、间距或做法不符合规范要求,例如没拉住墙水平筋,施工时不是垂直拉而是斜拉。
9、墙身竖向分布筋从暗柱竖向钢筋外100mm间距进行布筋,而根据图集18G901规定是以剪力墙分布筋设计间距为准,这样可以节省2根竖向分布筋。
拉结钢筋构造(16G101-1 P62)
构造边缘暗柱钢筋布置(18G901-1 3-15)
约束边缘暗柱钢筋布置(18G901-1 3-9)
10、剪力墙插筋,当基础高度满足直锚要求时,插筋可以可不用全部伸至基础底,采用“隔二下一”的方式插筋,并尽量满足保护层厚度>5d(墙插筋直径),以节约基础锚固区横向钢筋,减少钢筋用量。
墙身竖向分布钢筋在基础中构造(16G101-3 P64)
1、主次梁交接处,主梁两侧附加箍筋。主次梁交接处未布置箍筋,只布附加箍筋为错误做法。
2、梁底筋漏绑,导致梁钢筋并在一起,并筋影响其受力。绑扎梁底钢筋宜先把梁抬高,用钢管支架固定,待梁上下钢筋包括腰筋全部绑扎完成后再把梁落下去。
3、梁拉钩施工按一端90°,一端135°,应该都为135°,施工时可以先一端加工成90°,待绑扎完后再用扳手弯成135°。
主次梁斜交箍筋设置( 16G101-1 P88 )
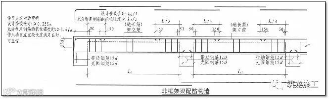
4、非抗扭的非框架梁下部纵筋伸入支座图集要求为12d,现场按锚固长度设置,将造成钢筋的浪费。
非框架梁下部纵筋设置 (16G101-1 P89)
5、梁洞口周围未布置钢筋。规范严禁在梁上开洞,但也不可避免要在梁上开洞,补救措施就是对洞口进行加强。
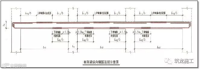
6、梁接头没有设置在受力较小处(上部纵筋为跨中三分之一区域),而是设在受力最大处,有的把梁上部钢筋设在梁支座处或附近。
钢筋接头设置范围(18G901-1 2-1)
7、吊筋按次梁高度施工为错误做法,应该是按主梁高度施工。
8、梁垫块做法不对,垫块强度不够而粉碎,导致梁直接与模板接触,露筋无疑;有的用横筋直接支承在板上,易露筋。
9、梁拉筋漏放或斜放,有的没绑扎,起不到拉筋作用。
10、梁二排钢筋位置不对,离一排距离过大,起不到受力作用。
吊筋设置要求(16G101-1 P88)
二排钢筋设置位置(18G901-1 1-2)
11、梁上部钢筋采用绑扎接头却未在接头位置加密箍筋,按规范要求在接头位置设置横向箍筋,间距为min(5d,100),如果采用绑扎连接,则梁将近乎变成全加密。梁纵筋最好采用机械连接或焊接(非电渣压力焊),这样就不需要对接头进行箍筋加密,可节约箍筋。
12、梁上部钢筋间距过密,混凝土浇筑困难。
13、几个方向梁相交重叠,梁上部钢筋无保护层甚至超过梁高度,这种情况可以把次梁上部纵筋放在主梁上部纵筋之下解决。
钢筋搭接区箍筋设置(16G101-1 P59)
14、非框架梁是非抗震(一般设计图中标注的L梁),箍筋弯钩平直段也无需10d,平直段长度为5d即可。(16G101-1第62页)
15、框架梁在墙、柱中的锚固长度以梁砼来定,实际应该以墙、柱的砼强度来确定梁在墙、柱中的锚固长度,这样可以减少锚固长度节省钢筋。如C30梁与C50墙连接处,三级抗震钢筋搭节省37d-28d=9d。
框架梁锚固长度设置
16、梁侧腰筋设置,应按梁腹板高度(即梁高减去板厚)减去梁底保护层后进行计算设置。
17、梁上部贯通钢筋由不同直径钢筋搭接时,搭接长度的计算以小直径钢筋为准。
18、梁上托柱的情况,梁上柱插筋的固定只能采用绑扎搭接,不得采用焊接。
梁侧腰筋设置(16G101-1 P90)
纵向受拉钢筋抗震搭接长度设置(16G101-1 P61)
梁上部不同直径通长筋搭接长度设置(16G101-1 P84)
1、板筋的搭接长度过长。
2、板上部钢筋接头位置错误,板上部钢筋接头应在跨中,却设置在支座。
3、板接头可按百分率25%要求设置,而不是按50%施工,可以节省搭接长度钢筋。
4、双向板下部双向交叉钢筋上、下位置关系应按具体设计说明排布;当设计未说明时,短跨方向钢筋应置于长跨方向钢筋之下。
板钢筋接头设置(18G901-1 4-3)
双向板下部钢筋设置(18G901-1 4-6)
5、板下部纵筋伸入支座长度按全伸入支座施工,而规范要求为max(5d,b/2),按规范要求设置伸入长度可以节省钢筋。
板下部纵筋伸入支座长度设置(16G101-1 P100)
6、板上部纵筋伸入支座La,实际施工不管支座有多宽均按伸入支座对边弯折15 d,当支座宽度不能满足锚固长度时才需要弯折15d,如果满足且支座很宽,板上部钢筋可以弯折,但弯折长度加在支座内平直段长度等于锚固长度即可,没有必要一定要到支座外侧,或当平直段长度满足锚固长度可不弯折,视情况而定。
7、板带边缘钢筋锚固长度过长,将造成钢筋的浪费,应按照图集要求进行设置。
板带边缘钢筋锚固长度设置(16G101-1 P105)
更
多
精
彩
请猛戳右边二维码
公众号ID
gh_ed562317da30

