
日前,基础设施分公司金融岛外环路地下空间项目圆满完成基坑整体围护体系施工,标志着项目即将转入主体结构施工新阶段。

▲项目效果图
该项目位于郑州北龙湖金融岛,是公司首个上跨运营地铁线路的市政道路项目,具有整体安全风险高、技术难度大等特点。项目建成后将进一步提升郑东新区形象,完善金融中心城市配套服务及功能。
自开工以来,项目管理人员坚定信心、克难前行、匠心建造,已顺利完成了围护桩施工、土体加固、监测点布置等施工任务,工程建设安全平稳,项目履约有序推进。


▲项目航拍示意图
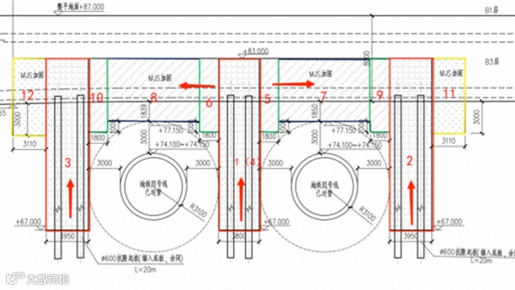
项目主体采用三层管廊结构,基坑最大深度20m,紧邻北龙湖,涌水涌沙及基坑失稳风险较高。同时,线路上跨郑州地铁4号线及龙源十三街街道隧道,施工全周期涉及深基坑支护及降水、运营地铁线路保护、高大模板工程及支撑体系等各类危大工程。

▲管理团队“碰头会”
困难既是挑战,亦是机遇,更是展示公司“铁肩担当、能打硬仗”“勇于突破、敢于亮剑”精神传承的舞台。项目管理团队秉承“承有志 诚必达”企业文化理念,严格落实质量管控和安全文明施工要求,确保项目履约高效优质推进。项目设立党员示范岗,发挥先锋带动作用,常态化召开早晚“碰头会”和生产例会,及时解决堵点、难点问题。












