点击上方「蓝字」关注我们
项目概况: 加强城市地质工作是落实党中央、国务院战略部署的重要措施,是优化城市空间结构、扩展城市地下空间的必然要求,是建设美丽城市、提高城市宜居水平的迫切需求,是建设“智慧城市”的重要支撑。因此,东营市东营区开展城市地质三维建模工作,从而能更清晰地描述各种地质信息、待定区域岩性或某一区域地层的厚度等,直观有效地表达各种地质现象间的拓扑关系,大大加快专业技术人员对地质现象的认识,提高工作效率,进而服务东营市东营区开发建设,推动优势地质资源绿色开发,培育新产业,加强东营市东营区地质与地下空间探测科技创新。
三维地质建模流程图
东营区开展三维可视化地质结构建模工作,建模总面积267.7平方公里,通过三维地质建模平台导入二维剖面,将建模区域划分为67个独立的单元网格。平差处理后对每个单元格的交叉处进行检查,并根据检查结果反复对二维数据进行修改、导入、一致性处理、自动创建互交剖面单元格、剖面单元格检查,视觉观察确认形态无误后进行建模。
东营区涉及的钻孔资料种类众多,资料的详实和可靠程度也不相同,在进行三维可视化地质结构建模前,对这些资料进行分类整理,对能够用于地质三维建模的资料进行筛选,选取其中能够用于层序地层分析、建立层序标准体系的钻孔。
建立标准层序体系后,对钻孔进行层序分层,建立时间与岩性全部符合的地层界面。
钻孔数据进行层序分层后,采用不规则三角网形成地层界面,并基于线性插值、克里金插值等插值算法对生成地层曲面进行平滑,再用这些层面数据生成地质体,建立三维可视化地质构造模型。
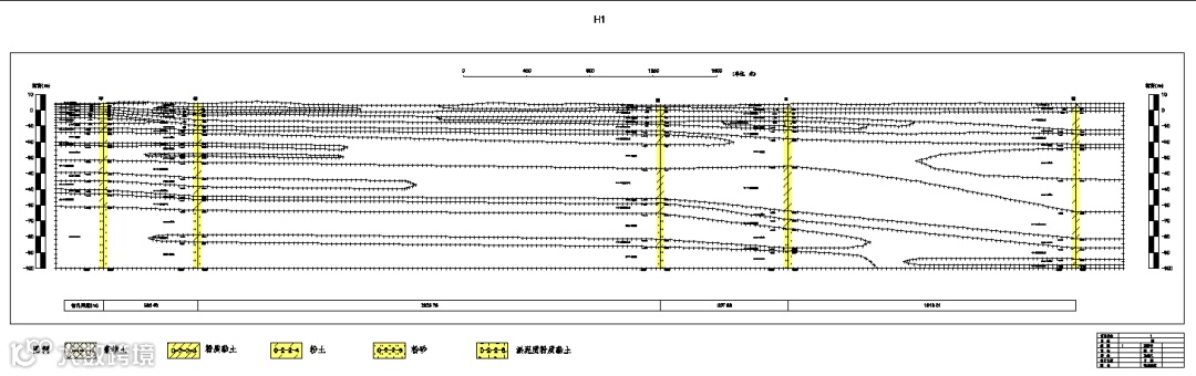
(一)剖面布设
(一)剖面布设
根据东营区的地质结构情况,结合已有资料布置剖面线,并制作工作区拐点虚拟钻孔,确定符合工作区范围的外围剖面线,根据已布置的剖面线手动录入钻孔编码。本次三维建模工作共收集参考了63个钻孔数据,使用的施工孔数量为32个,收集孔数量为31个,虚拟钻孔数量为25个。布设了23条剖面线,其中东西方向13条剖面,南北方向10条剖面,剖面长度共计389.5千米。
剖面布置图
(二)剖面绘制
(二)剖面绘制
根据生成的二维剖面,在参考大量的地质资料以及遵循地层沉积规律的同时,结合相关专家的指导意见来绘制地层走向,对不符合地质规律的钻孔进行重新分层,根据更新数据多次生成二维剖面并绘制,直至无误符合标准。
地层线绘制完成后,首先进行线拓扑检查,解决线自相交问题,剪断相交线,删除多余部分。在地层线图层中,保留一份钻孔中心线数据,利用竖直的钻孔中心线将地层线截断,从而保证在抽稀过程中,地层线捕捉的交点不偏移,使剖面线上的点在既能表达正确的地表起伏形态情况下又能使点不至于太密集,便于后续三维建模工作的推进。
地层线抽稀增密示意图
线拓扑造区示意图
生成地层区后,依据《山东省城市地质技术要求(试运行)》中各地层的颜色花纹规范标准,手动赋予剖面相应的地层属性以及颜色花纹。
剖面绘制成果示意图
交互剖面检查功能可以检查剖面交叉处属性等信息不一致情况,将二维剖面导入三维场景中,进行检查,检查类型包括属性一致性、层厚一致性、层界一致性、地层区编码四项。将检查出的不一致情况进行修改,通过反复检查、三维导入观察、修改二维数据,直至最终的剖面数据检查无误。
交叉剖面检查错误图
三)三维建模
(三)三维建模
本次东营区三维地质结构建模的工作区建模面积是267.7平方公里。通过三维地质建模平台导入二维剖面,将建模区域的交叉网格划分为67个独立的单元网格。平差处理后对每个单元格的交叉处进行检查,人工观察。通过人工反复对二维数据进行检查、修改、导入、一致性处理、自动创建互交剖面单元格、剖面单元格检查,直至视觉观察,形态确实无误进行建模。
对于非交叉剖面或边界处无法自然封闭的单元格,可以通过手动添加辅助线的方式进行封闭,之后按照封闭单元格相同方式建模。除剖面数据外,在单元格内的空白区域,将钻孔、等值线等能够揭示地质构造信息的数据进行约束,也可将这些信息在构面过程中加以利用,以提高模型精度。
平面地质区导入
生成单元格
单元格生成后,进行单元格面、平面地质图面文件转线文件,着手绘制地质界线。通过线编辑(剪断线、线上加点、线上删点、线上移点、线上焊点、光滑线等)方式,绘制断层辅助线、第四系辅助线、地层辅助线,为构建地质面做准备。
单元格转线
当单元格内存在断层时,必须优先构建断层面。利用地质图和地层剖面上的地层线,形成网格内的断面,再利用断层面和剖面的约束来构建其他地层界面。在构面时若遇到上下两个面重叠或交错在一起,可通过面平滑移动点功能,设置好影响半径,拖动面的部分区域来解决面重叠交错问题。
构建地质面
通过选取地质面、断层面、单元格面、强约束下顶面构建单个单元格块体,构建的单元格块体通过“判断封闭性”检查才能进行构体,若出现不封闭可先进行构体,通过体封闭性检查工具找出不封闭错误。
构建地质体
相关资讯
中安数码
了解更多资讯
扫码二维码关注我们
点一点「在看」支持我们~

