我经常在我的故障排除研讨会上向与会者解释,我在炼油厂过程操作中遇到的50%的问题实际上是控制问题。另一方面,Foxboro的Shinksky先生(世界级的过程控制专家)告诉我,50%的控制问题实际上是过程问题。我相信以上两种说法都是对的。
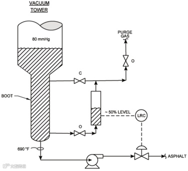
很可能,我最喜欢的控制故障故事发生在新奥尔良我家附近的墨菲炼油厂。问题如图 28‑1所示。所示的真空塔不能保持良好的真空,因为真空系统因过量的裂解气而过载。我认为过量裂解气的来源是由于减压塔底部沥青的过度裂解。裂解是时间和温度的函数。虽然真空塔釜温度为正常的680–690℉,但沥青在真空塔釜中的停留时间可能会过长。除此之外,真空塔釜玻璃上可见的液位和控制台上指示的液位显示正常液位为40–60%。仪表技术员对液位变送器进行重新校准,确认指示的液位是正确的。
真空塔的正常压力应该是35mmHg。目前的压力是80mmHg。更高的压力降低了沥青的质量,因此不得不作为燃料油出售,而不是作为铺路级沥青出售。这使得沥青的价格降低了大约每桶20美元,由于约有12,000桶减压塔底被降解为价值较低的燃料油产品,炼油厂每天损失25万美元!
图28‑1错误的低液位指示
怎么办?
对我自己来说,作为一名独立顾问,解决方案是显而易见的。我回到家,把整个问题都忘了,在建议墨菲石油真空塔塔釜液位太高之后。第二天,我在一封电子邮件中记录了我的结论。
一年过去了。一天,一个年轻的工程师,Gene,刚刚被分配到这个单位,正在阅读与真空差有关的旧电子邮件。看了我一年前的邮件,吉恩决定出去调查一下现场的问题。参图 28‑1,他指出:
液位接口的1/2’’“顶部测压口”关闭。
弛放气体(即第二级蒸汽喷射器排出的裂解气)的1/2’’连接是打开的。
液位接头的压力不是真空塔釜中80mmHg压力,而是第二级蒸汽喷射器出口处的400mmHg压力。
吉恩认为弛放气体的压力压下了液位接头中的液体,并产生了一个虚假的低液位指示,然后:
关闭弛放气体流量。
打开上层接口上的“连接”。
几分钟内,LRC底部液位控制阀打开到100%。真正的塔釜液位降到了50%。塔的真空度从80mmHg提高到约35mmHg。第二天,真空塔底部产品符合铺路级沥青的要求规格。
这并不是这个真实故事的结尾。墨菲石油公司的高层管理人员意识到他们因这一控制问题而失去的所有财富,决定解雇工厂的大部分运营管理和技术支持团队——包括Gene。
在很多现场都能发现装置长期运行在高能耗、损失大的非正常工况。这些问题的解决涉及方方面面,需要很多经验。但是无论如何都应该有一种看不惯的精神,不断寻求解决问题的新方法新途径。
小到一个回路,大到一个车间都需要有久久为攻、持续改进的精神。
欢迎关注“上海华理自动化系统工程有限公司”


