多变量系统之间的变量耦合关系不可避免。有时候为了优先保证高优先级的变量控制,必须尽量减少这种耦合影响。解耦控制一度成为一种控制策略。
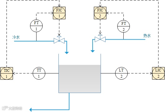
在PID整定中,耦合控制回路也可以通过牺牲部分性能,选择不同的λ实现解耦。当然了也可以通过控制结构的改进实现解耦。例如下图所示的用冷热水控制液位和水温的控制中。当用量发生变化时,不仅仅液位会波动,而且水温也会波动。

当水温的波动不被接受时,可以考虑如下的解耦控制方案。当热水流量变化时通过等比例调节冷水流量,可以确保热水对温度的影响被基本抵消,从而实现水温和热水波动的解耦。如果希望热水温度的波动也被解耦控制则需要更复杂的控制方案和更多检测仪表。在实际工作中,因为干扰不严重而且控制要求并不高,可能并不需要这么复杂。

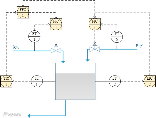
一般来说要坚持至简至优的原则。所以最初的设计中使用了串级可能也是不必要的,两个单回路通过不同的参数整定往往就能满足低要求。
如果对水温有严格要求,后面的串级+比值是个合理方案,当然了也可能需要更复杂的方案。很多控制问题必须仔细理解才能定义准确。如果要求更严格的控制液位又应该如何设计控制方案呢?
……
很可能很多人会想到,增加仪表,在液位控制中使用前馈+串级的组合控制策略。但是实际情况是液位需要严格控制吗?液位的区间控制也许才是更本质的需求。我曾经围绕各种异常情况问题设计了各种各样的复杂控制策略,但是使用复杂的控制策略,并不等于对控制问题本质的深刻理解。不至简至优则不是最合适的控制方案。
当实际应用中出现热水流量不足导致液位失控的时候,理论上是应该通过超驰控制加入更多冷水。但是实际上这种工况经常发生吗?需要超驰控制这么复杂的控制方案吗?当不经常发生时,必要的人工干预就能解决问题,如果经常发生则必须进行工艺改进才是正道。失去温度控制保证设备安全要考虑更多细节。

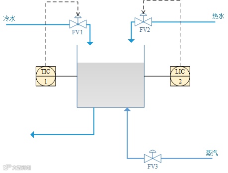
在实际应用中,现场的情况是可能连流量计也没有,而且还经常遇到了两个问题:1)当下游用户用水量过大时,会导致热水调节阀全开液位失控;2)热水的温度有时候不够高,会导致冷水调节阀全关,混合后的温度仍达不到设定值。当工艺有缺陷时仅仅靠控制不可能解决根本问题,为此增加了蒸汽流量调节阀。如何利用FV3解决上面的问题?这个方案设计前面给过但是还是修饰太多不够本质。至繁归于至简-论控制方案设计
控制方案设计的原则:
-
理解问题本质 -
在约束条件下工作 -
要追求可接受的目标 -
方案设计要至简至优

其实不仅仅是冷热水,这是个多变量控制方案设计原则,适用于大多数工业场景。

