实验目的
验证LDO、REF、和电阻分压三种调零方式对HJ118输出零位的影响。
|
1、设定增益G=200,
计算得出RG=251.3Ω。
2.按照电路图连接HJ118、HJ4225(LDO)、HJ580(REF)以及分压所需要的电阻。
|
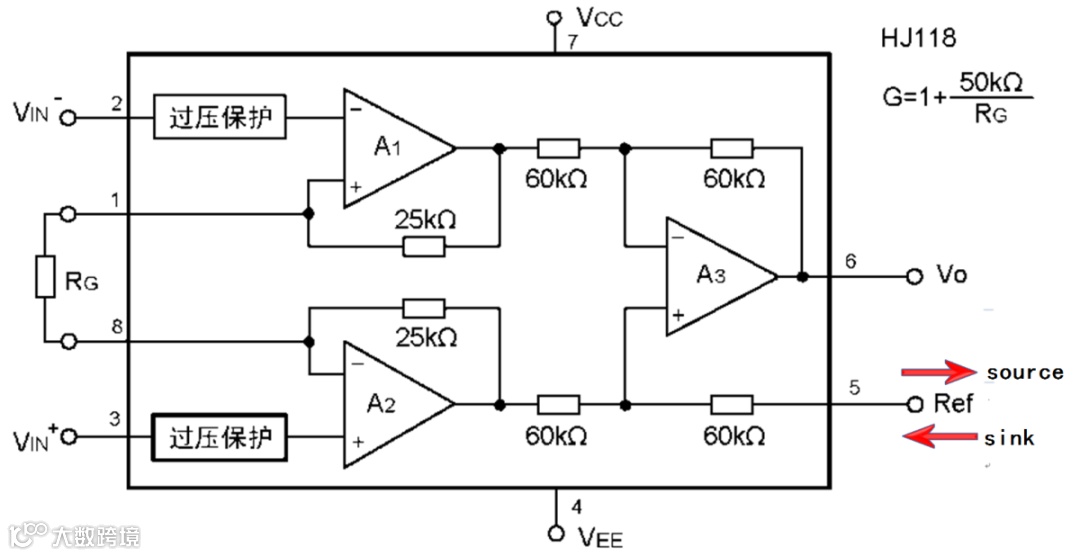
HJ118是一种低功耗高精度通用单片仪表放大器,内部采用了激光修调技术。HJ118具有非常低的输入失调电压和输入失调电压温度漂移系数。通过一个外接电阻,增益从1~10000可变。电流反馈输入电路提供了G=100时的70kHz带宽。可用于精密数据采集系统,如电桥放大器、热偶放大器、RTD敏感放大器、数据采集等。气密性和耐温度冲击性能远优于塑封的INA118,更适合一些军用高端电子仪器使用。
其主要特点如下:
低输入失调电压 |
50μV |
低温度漂移系数 |
0.5µV/℃ |
低输入偏置电流 |
5nA |
高共模抑制比CMRR |
110dB |
宽电源电压范围 |
±1.35~±18V |
输入保护 |
±40V |
低静态电流 |
350μA |
输出与输入的关系:
Vo=AvD*ViD + VREF + ViSO*AvD + ViC/CMRR
AvD=1+(50kΩ/RG)
ViD:输入差模电压,为0V
VREF=2.5V
ViSO:等效到输入的失调电压,计算为1mV
ViC:输入共模电压
CMRR:共模抑制比
所以实验中:Vo=2.5+ViC/CMRR
1、分别测量HJ4225、HJ580的输出电压和通过电阻分压所得的电压(记为Vref空)。
2、按三种调零方式分别连接到HJ118的REF端,测量三种调零方式下REF端对地的电压(记为Vref)。
3、测量-IN和+IN之间的共模电压值(记为ViC)。
4、分别测量三种连接方式下HJ118的输出电压值(记为Vo)。
5、通过改变-IN和+IN对电源之间的电阻阻值,改变ViC,测量ViC,测量HJ118的输出。
6、通过改变-IN和+IN对电源的正负极性,改变ViC,测量ViC,测量HJ118的输出。
1.通过不同大小的电阻分压
图3不同电阻分压时实验电路图 |
![]() |
2.共模电压为正时:
图4共模电压为正时实验电路图 |
![]() |
3.共模电压为负值时:
图5共模电压为负时实验电路图 |
![]() |
1、通过表1可以得出:在使用电阻分压的调零方式时,分压电阻越小,分压调零方式对HJ118的输出影响越小。
2、通过表2、6可以说明:ViC较小时,LDO与REF调零方式对HJ118的输出影响较小。
3、通过表2、3、4、5对比可以得出:ViC变大时,LDO调零方式对HJ118的输出影响较REF调零方式对HJ118的输出影响大。当ViC进一步变大时,LDO调零方式对HJ118的输出影响较REF调零方式对HJ118的输出影响更大。
4、通过表6、7、8、9可以说明:ViC为负值时,LDO与REF调零方式对HJ118的输出影响不大。
1、LDO、REF和电阻分压这三种调零方式中,电阻分压的调零方式对HJ118的输出影响最大,REF调零方式最稳定。
2、当共模电压为正值且较大时,LDO调零方式对HJ118的输出影响比REF调零方式对HJ118的输出影响大;当共模电压为负值时,LDO和REF调零方式对HJ118的输出影响区别不大。
分析:
OFFSET TRIMMING
The INA128/INA129 is laser trimmed for low offset voltage and offset voltage drift. Most applications require no external offset adjustment. Figure 6 shows an optional circuit for trimming the output offset voltage. The voltage applied to Ref terminal is summed with the output. The op amp buffer provides low impedance at the Ref terminal to preserve good common-mode rejection.
Figure 6 . Optional Trimming of Output Offset Voltage |
CMRR与R外的关系示意图如下图所示
|
CMRR与频率f的关系示意图如下图所示
|
由三运算放大器构成的仪表放大器,外接到参考端(Ref)的阻抗大小,直接影响共模抑制比(CMRR),进而影响输出零位。正确地认识这点,并在工程上予以重视,无疑对保证系统指标有积极意义。












