随着国际环境的不确定性和中美摩擦不断升级,美国等针对中国集成电路行业的打压呈逐步扩大化趋势,采购进口集成电路越发困难,价格成百倍千倍飞涨,严重影响中国经济发展及国家安全,集成电路产业走国产化道路必然是大势所趋。鉴于国家对集成电路产业的政策支持力度进一步加大,逐步将集成电路产业链实现国产化替代,我公司在推出的200余种国产化集成电路的基础上,经过前期市场调研、方案论证和实验验证及自身的技术积累与研究,推出了航晶微电子自产的精密隔离放大器HJISO124和HJISO124A,可原位替代进口ISO124。
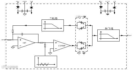
HJISO124/HJISO124A隔离运算放大器使用航晶微电子专利技术,依托自己成熟的厚膜工艺平台而研发的,HJISO124为±15V供电,HJISO124A为+5V单电源供电。该放大器采用拥有的独立知识产权的MOD调制、DEMOD解调技术、差动电容隔离技术和模拟PID控制,使得隔离信号的完整性得以保障,使用时只需要配置高CMTI的DC//DC,即可安全可靠工作。
特点:HJISO124
1)PIN-to-PIN兼容ISO124(HJISO124)
2)高低边均无需做电源旁路
3)供电均加接反保护(HJISO124);供电均加接反保护(HJISO124A)
4)内部组成芯片均已国产化,其规范符合GJB2438厚膜集成电路要求
5)CMTI共模瞬变抑制能力强
![]() |

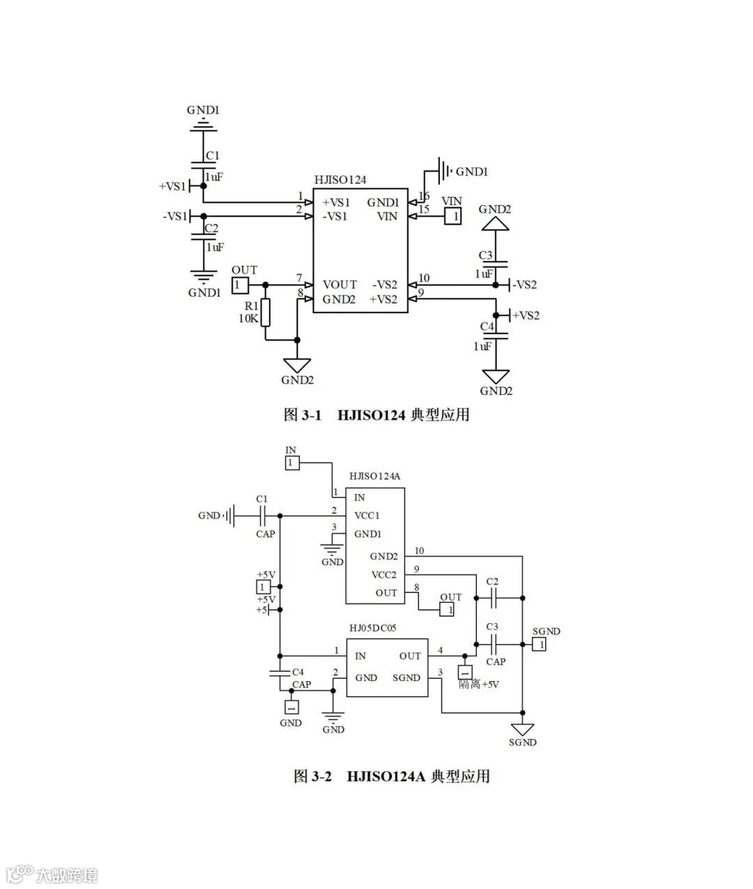
HJISO124采用HD16-08型陶瓷双列外壳(选型HJISO124S)。
HJISO124A采用HD14-02D型陶瓷表贴外壳(选型HJISO124ADW)外形尺寸图2;

引出端功能见下表:



HJISO124参考ISO124,HJISO124A典型应用如图3所示。

注意事项
1)相对于标准的DIP-16封装,HJISO124虽然引脚排距为标准的7.62mm,但壳体宽度较宽,使用时注意两侧元件布局;
2)HJISO124外壳与8脚相连,不可接其他电位
1. HJ5B40 隔离放大器
2. HJ278 三端隔离放大器
3. HJISO100 隔离放大器
4.HJ05DC05S1WA 隔离型DC/DC电源模块
陕西航晶微电子有限公司
电话:029-89259995
传真:029-89259996
E-mail:hj@hangjingic.com
网址:www.hangjingic.com
地址:西安航天基地工业二路299号3号楼9层


