
BPI倍特力聚合物锂离子电池使用指南
目录
一、锂离子电池基础知识
二、锂离子电池常见故障分析
三、锂离子电池装配注意事项
四、锂离子电池安全使用注意事项
一、锂离子电池基础知识
1、锂离子电池反应原理

充电时,锂离子由正极迁移到负极,并嵌入石墨层(负极电位升高,正极电位降低);放电时,锂离子由负极石墨层脱出,嵌入到正极活性物质层(负极电位降低,正极电位升高)。

2、什么是锂离子电池
Li-ion电池是由锂电池发展而来。以前照相机里、电子表等用的扣式电池就属于锂电池。锂电池的正极材料是锂金属。负极材料是碳材。按照大家习惯上的命名规律,我们称这种电池为锂电池。
Li-ion电池的正极材料是氧化锂钴,负极材料是碳材。电池通过正极产生的锂离子在负极碳材中的插入与脱插来实现电池的充放电过程,所以人们称之为Li-ion电池。
自1991年日本索尼公司开发成功以碳材料为负极的锂离子电池以来,锂离子电池已迅速向产业化发展,并在移动电话、摄像机、笔记本电脑、便携式电器上大量应用。
3、锂离子电池优点
电压高:单体电池的工作电压高达3.7-3.8V(电芯电压可充到4.2V),是Ni-Cd (镍镉) 、Ni-MH (镍氢)电池的3倍.
比能量大:即材料能达到150mAh/g以上的比容量(3-4倍于 Ni-Cd,2--3倍于Ni-MH),已接近于其理论值的约90%。
循环寿命长:一般均可达到500次以上,甚至1000次以上,磷酸铁锂的可以达到2000次以上。对于小电流放电的电器,的使用期限,将倍增电器的竞争力.
安全性能好:无公害,无记忆效应, Li-ion中不含镉、铅、汞等对环境有污染的元素:部分工艺(如烧结式)的Ni-Cd电池存在 的一大弊病为“记忆效应”,严重束缚电池的使用,但Li-ion不存在这方面的问题。
自放电小:室温下充满电的Li-ion储存1个月后的自放电率为2%左右,大大低于Ni-Cd的25-30%,Ni、MH的30-35%。
可快速充放电:充电30分钟容量可以达到标称容量的80%以 上,现在磷铁电池可以达到10分钟充电到标称容量的90%。
工作温度范围高:工作温度为-20~60°C,随着电解液和正极的改进,期望能扩宽到-40~80°C。
4、锂离子电池缺点
1) 电池成本较高。主要表现在LiCoO2的价格高(Co的资源较少),电解质体系提纯困难。
2) 需要保护线路控制。
a、 不耐受过充:过充电时,过量嵌入的锂离子会永久固定于晶格中,无法再释放,可导致电池寿命短及产气造成气鼓。 故必须在4.1V-4.2V的恒压下充电;
b、 过放保护:过放会导致大量活性物质容量不可逆而大量衰 减,故也需要有保护线路控制。
3)需要多重保护机制:由于错误使用会减少寿命,甚至可能导致爆炸,所以,锂离子电池设计时增加了多种保护机制。
保护电路:防止过充、过放、过载、过热。
5、3C消费类聚合物锂电池
a 数码相机电池
b 便携音箱、GPS电池
c 智能手机、MID电池
d 移动DVD电池

6、圆柱锂离子应用领域
主要面向笔记本电脑、数码相机等应用;
随着数码产品如手机、笔记本电脑等产品的广泛使用,圆柱式锂离子电池以优异的性能在这类产品中得到广泛应用,并在近年逐步向其他产品应用领域发展。

电池正极组成
BPI聚合物锂电池正极采用钴酸锂或锰酸锂作活性物质
锂离子电池正极主要由以下五部分组成:
1、基体材料:铝箔
2、活性物质:
钴酸锂;镍钴锰酸锂(三元材料);锰酸锂; 磷酸铁锂
3、添加剂:炭黑(导电剂)等
4、粘结剂:PVDF(聚偏氟乙烯)
5、集流体(极耳):铝带
正极物质:活命物质+碳黑+PVDF

电池隔膜组成
目前锂电隔膜的结构:
PP PE PP/PE/PP PP/PP PE/PE

隔膜结构锂电膜的特点

电池负极组成
锂离子电池负极主要由以下五部分组成:
1、基体材料: 铜箔
2、活性物质: 石墨、钛酸锂等
3、添加剂: 炭黑(导电剂)等
4、粘结剂: CMC SBR
5、集流体(极耳): 镍带

锂电池结构

锂离子电池生产流程


二、锂离子电池常见故障分析
1、锂电池失效处理办法
(1)为什么会出现电池零电压(低电压)?及其处理方法?
(2)电池组或带线路板电池零电压(低电压)的情况是怎样造成
的?如何处理?
(3)电池/电池组充不进电有哪些情况?
(4)电池/电池组放不出电有哪些情况?
(5)有哪些原因可能导致电池的使用寿命短?
(6)什么是过充?过充会带来哪些不良后果?怎样避免?
(7)什么是过放?过放会带来哪些不良后果?怎样避免?
(8)电池在什么样的情况下会发生鼓胀?如何预防?
(9)造成电池短路有哪些因素?会造成什么样的后果?如何预防?
(1)为什么会出现电池零电压(低电压)?及其处理方法?
1)电池有无遭受外部短路或过放、反充(将电池正负极或充电器正负极反接,电
池充电时相当于强制过放);用电器电路是否正常;点焊品电池是否又烧焦的
痕迹。
2)电池有无受高倍率大电流连续过充,导致电池机芯膨胀,内部正负极直接接触
短路。
3)电池极耳是否完好。
处理方法:
1)了解客户电池的具体使用情况;
2) 取同型号电池充电后接入用电器,判断用电器是否正常;
3)将电池以1C电流充电30分钟,开路放置10分钟左右,如电池的开路电压稳定在
电池的正常电压范围内,则电池可基本恢复正常。如电池已受破坏,则电压无
法恢复;如电池未使用便出现此现象后,用1C充电电压无法恢复,则需专业技
术人员进一步分析。
4)建议客户注意点焊电流和焊针间的距离,并尽量减少来回折叠极耳的次数。
(2)、电池组或带线路板电池零电压(低电压)的情况是怎样造成
的?如何处理?
1) 检查电池是否零(低)电压;
2) 检查电池组的连接及电子元件、保护电路有无异常。
3) 检查充电设备或充电电路在充电状态下有无充电电压/电流输出;
4) 环境温度是否过高导致充电效率低;
处理方法:
1) 了解客户对电池的具体使用情况及使用条件;
2) 同单电池的步骤分析进行处理;
3) 取同型号电池与万用表(电流档)串入电路充电,根据充电电流数
值判断充电设备是否正常。
4) 建议客户选用稳定性能较好的充电设备或充电电路;
5) 了解客户是否属于自行组装电池组。如果没有,或未使用前便有此
类现象,则需专业技术人员作进一步的分析。
(3)电池/电池组充不进电有哪些情况?
1) 检查电池或电池组是否是零电压、高内阻电池;
2) 检查电池组的连接及电子元件、保护电路有无异常;
3) 检查充电设备或充电电路在充电状态下有无充电电压/电流输出;
4) 环境温度是否过高导致充电效率低;
处理方法:
1) 了解客户对电池的具体使用情况及使用条件;
2) 取同型号电池与万用表(电流档)串入电路充电,根据充电电流
数值判断充电设备是否正常。
3) 重复单体电池零电压步骤分析、处理;
4) 建议客户选用稳定性能较好的充电设备或充电电路;
(4)电池/电池组放不出电有哪些情况?
现象:充电后,装入设备中,设备不能工作,电池组的开路电压不变化或
变化不大
1) 检查电池/电池组是否零电压,高内阻电池;
2) 电池组内接电子元件、保护电路有无损坏;
3) 检查设备放电电路是否正常。
4)极耳是否折断,形成断路
处理方法:
1) 用充满电的同型号电池/电池组接入设备,设备是否工作正常;
2) 使用万用表检测电池内接电子元件、保护电路是否正常。
3) 重复单体电池零电压步骤分析、处理;
4) 如属用电器放电电路异常,建议客户及时修理、更换用电器;
5) 如客户没有对电池组自行改装,则需专门的技术人员作进一步的分
析。
(5)有哪些原因可能导致电池的使用寿命缩短?
1)客户的充电器或充电电路是否与电池匹配、输出电压/电流是否稳定;
2)是否按操作要求使用电池/电池组(如:电池的使用和储存的环境等);
3)客户所用电池品种是否与客户设备要求相一致。
4)有无连续过充或过放电池/电池组;
处理方法:
1) 了解电池具体使用情况;
2) 查看充电器铬牌标称额定电流及电压;
3) 用万用表与电池串入电路充电,检测充电电流是否过大。
4) 建议使用与电池 /电池组匹配及更稳定的充电器或充电电路已及与设备
相匹配的电池;
5) 建议客户按要求使用电池/电池组,尽量避免过充、反充或过放;
(6)什么是过充?过充会带来哪些不良后果?怎样避免?
理论上,Li-ion电池在一定倍率的恒流恒压下充电,当充电转换为恒压4.20V充电后,充电电路中电流为0.01C时,恒压充电的状态仍在进行,即被视为过充。
过充可能导致漏液、变形、起火、在恒压失效后随着充电的加深电压达到一定程度会引起鼓胀,是损害电池性能的主要原因之一。
在电池外部加PCB板保护,或在充电器中设置保护线路和/或时限装置(根据充电电流而定)来防止电池过充可以达到防止和保护的作用。
(7)什么是过放?过放会带来哪些不良后果?怎样避免?
电池在一定倍率下恒流放电,当电池电压达到2.4V时,放电状态仍在继续,即为过放。
过放可能导致漏液、零电压以及负电压,是损害电池性能的主要原因之一。
在电池外部加PCB板或在充电器中设计保护线路和/或时限装置来防止过放。
(8)电池在什么样的情况下会发生鼓胀?如何预防?
电池鼓胀有以下几种原因:
1) 外部短路超过电池的承受限度;
2) 过充电。充电电压超过限定值
3) 线路板失效
4) 温度过高或者过低
5)电池外膜被刺破或漏液
如何预防?
电池移动过程中,注意轻拿轻放,以免机械损伤电池外膜壳,导致漏液鼓胀
严禁任何导电物体把正负极导通
点焊线路板前,一定要检查线路板是否合格,以免电池过充
(9)造成电池短路有哪些因素?会造成什么样的后果?如何预防?
1) 外部导体直接连接电池的正负极;
2) 组装时电池外部冲击力导致内部(微)短路;
3) 内部结构存在不良(如极粉刺刺破隔膜后正负极相接)
如果电池外部接触到任何金属导体都有可能导致外部短路。Li-ion电池外
部短路时可能导致外壳变形、漏液、起火、鼓胀。
严格禁止任何导电的物体连接导通在正负极之间或正负极耳直接导通。
注意轻拿轻放,保护电池的外膜壳。

三、锂离子电池装配注意事项
1、电池装配前准备事项
A:所有作业人员要戴好棉手套及静电环;保持台面整洁无
任何尖锐物;
B:作业台面最好要用绒布铺平整,无任何其它与作业无关的
物质;
C:在转用时电池摆放整齐有序,不能有堆积与碰撞电池及
划伤表面铝塑膜;
D:所有焊接电池使用的恒温烙铁温度都必须控制在
350±50℃,焊接时间小于3S;
2、电池检测操作过程中注意事项:
A:所有作业员在测试电压、内阻时不能将电池的极耳或引线进行
短路;
B: 进行剪电池极耳或引线时剪刀不能碰伤电池表面任何地方;
C:在电池下拉的时要轻拿轻放,避免对电池造成损伤;
D:在焊接引线的时烙铁不能烫伤电池引线;电池的正负极不能焊反
E: 在进行电池功能测试时,不能将电池的正负极接反,更不能将电
池的正负极短路;
3、电池与整机组装注意事项:
A:全检所有电池外观,在确保电池外观良好的情况下才进行组装;
B: 电池在进行组装前要将每个电池作好绝缘措施,防止电池在组装
过程中发生短路;
C:所有电池组装后都要进行确认检查电池表面有无损伤,有无被挤
压,有无将电池正负极接反等,确保每个电池组装后的有一定的
的空间(3MM以上);
E:电池组装周围位置必须平整无尖锐状物品相接触;
F:电池组装后非试验品严禁跌落,跌落后电池不能以良品使用;
G:整机维修时建议将电池取下,避免因操作不当损伤电池。
4、电芯操作注意事项:
由于电芯属于软包装(铝塑膜包装),为保证电芯的性能不受损
害,必须小心对电芯进行操作。
A、铝箔包装材料易被尖锐部件刺损,诸如镍片,尖针。
禁止用尖锐部件碰撞电池;
取放电芯时,请修短指甲或戴上手套;
应清洁工作环境,避免有尖锐物体存在!
B、顶侧封边:
顶侧封边非常容易受到损害。
禁止弯折顶侧封边!

C、折边:
折边在电池生产过程中已完成,并通过了密封测试。
禁止打开或破坏折边!

D、极耳:
极片的机械强度并非异常坚固,特别是铝极耳.
禁止多次弯折极耳!

E、机械撞击:
禁止坠落、冲击、弯折、损坏电芯电池!禁止将已用背胶粘在主机上的电池用力拆下!拆下的电池禁止使用!


5、电池外壳设计时注意问题
由于电芯的自身结构较为特殊,因此设计或使用时必须注意:必需充分考虑电芯的装配空间,使电芯装配后不能受挤压。注意外壳内空、电芯厚度、充电膨胀厚度等尺寸1)电池外壳内腔必须平整,无毛刺;2)电池外壳胡内腔长度:保证电芯装配后前后有0.5mm以上的空间。3)电池外壳的内腔长度:保证电芯装配后两侧有0.5mm以上的空间。4)电池的内腔高度:除去电芯的厚度+双面胶的厚度,有>0.2mm的空间如下图所示


四、锂离子电池安全使用注意事项
1、充电
A、充电电流:充电电流不得超过产品规格书中规定的最大充电电流 使用高于推荐值电流充电将可能引起电芯的充放电性能、机械性能和安全性能的问题,并可能会导致发热或泄漏。
B、充电电压:充电电压不得超过产品规格书中规定的充电电压。 充电电压绝对不能超过产品规格书中规定最高的极限充电电压。充电器的设计应满足这个条件。充电电压高于充 电极限电压值时,将可能引起电芯的充放电性能、机械性能和安全性能的问题,可能会导致发热或泄漏并引起安全问题。
C、充电温度:电池必须在产品规格书指定的环境温度范围内进行
充电。
D、禁止反向充电:正确连接电池的正负极,严禁反向充电。若电池正负极接反,将无法对电芯进行正常充电。同时,反向充电会降低电芯的充放电性能、安全性,并会导致发热、泄漏。
2、放电:
A、放电电流:放电电流不得超过本产品规格书规定的最大放电电流,大电流放电会导致放电芯容量剧减并导致过热等一系列问题。
B、放电温度:电芯必须在产品规格书中指定的环境温度范围内进行放电。
C、过放电:需要注意的是,在电芯长期未使用期间,它可能会用其自放电特性而处于某种过放电状态。为防止过放电的发生,电芯应定期充电,将其电压维持在3.8V/至3.9V/之间。过放电会导致电芯性能、电池功能的丧失及产气。
3、电池保护电路
电芯/电池包装应配有PCM以正确保护电芯/电池。PCM应具备以下功能以保证安全并防止损坏电芯性能:过充、过放、过流和短路保护等
A、过充电保护:当电池中任一电芯的电压达到最大充电上限电压时,过充电保护应立刻停止充电。
B、过放电保护:当电池中任一电芯的电压达到最小放电下限电压时,过放电保护应立刻停止放电。
C、过流保护:当电池在充电或者放电过程中,经过电路的电流高于过流保护电流时,过流保护应立刻停止充电或者放电功能
D、短路保护:当电池在充电或者放电过程中,外部电路发生短路时,短路保护应立刻停止充电或者放电功能。
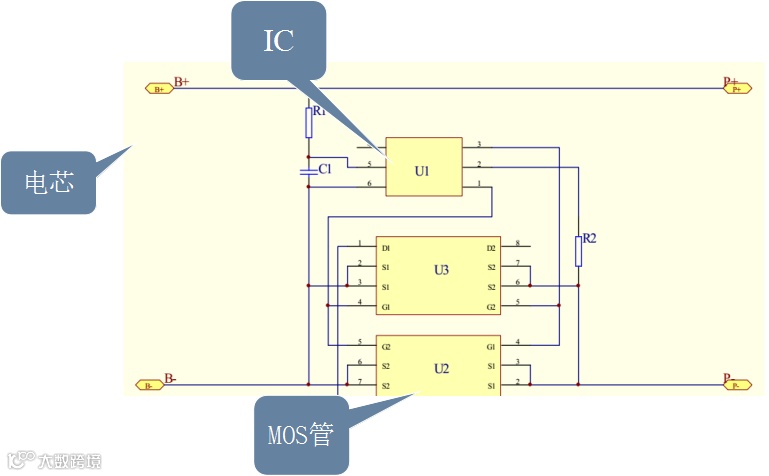
4、保护板的组成
保护板通常包括控制IC、MOS开关及辅助器件NTC、ID存储器等。其中控制IC,在一切正常的情况下控制MOS开关导通,使电芯与外电路沟通,而当电芯电压或回路电流超过规定值时,它立刻控制MOS开关关断,保护电芯的安全。
保护板的外形

5、保护板的几项实用指标
A、导通电阻:
定义:当充电电流为500mA时,MOS管的导通阻抗。
由于通讯设备的工作频率较高,数据传输要求误码率低,其脉冲串的上升及下降沿陡,故对电池的电流输出能力和电压稳定度要求高,因此保护板的MOS管开关导通时电阻要小,单节电芯保护板通常要求<60mΩ,如太大会导致通讯设备工作不正常,如手机在通话时突然断线、电话接不通、噪声等现象。
B、自耗电流
定义:IC工作电压为3.6V,空载状态下,流经保护IC的工 作电流,一般极小.
保护板的自耗电流直接影响电池的待机时间,通常规定保护板的自耗电流小于8微安.
C、电流能力
保护板作为锂电芯的安全保护器件,既要在设备的正常工作电流范围内,能可靠工作,又要在当电池被意外短路或过流时能迅速动作,使电芯得到保护.
D、机械性能、温度适应能力、抗静电能力
保护板必须能通过国标规定的震动,冲击试验;保护板在-40到85℃能安全工作,能经受±15KV的非接触ESD静电测试.
6、单节电芯保护板的电路原理

7、设计注意事项
A.外壳坚韧度
电池外壳应该有足够的机械强度使聚合物电池免受机械撞击。
B .电池的固定
电池最大面积的一面应该固定在外壳上,安装后电池不能有松动。
C. 外壳内部设计
外壳内安装电池的部位不应有锋锐边。
D.禁止电池短路
E.机械撞击
聚合物电池比金属壳方形电池的机械耐久性更小。
跌落、碰撞、弯曲等等都可能会降低聚合物电池的性能
8、操作注意事项
如果使用烙铁焊接保护板,下面的注意事项对于确保电池性能非常重要:
A.焊接铬铁的温度必须可控且可防静电;
B.焊接时铬铁的温度不宜超过400℃;
C.焊锡时间不能超过3秒钟;
D.焊锡次数不能超过5次,待冷却后才能进行下一次焊锡;
9、存储
a、电芯储存温度必须在产品规格书指定的环境底下进行。
长期存储电池(超过3个月) 须置于温度为23±5℃、湿度为
65±20%RH。贮存电压为3.80V~3.90V,贮存电量为40%~60%。
b、电池存储超过六个月后,需对电池进行充放电循环保养,避免
电池寿命缩短。
c、当电池存储在主机里,且主机没有硬关机的情况下,需三个月
对电池进行充电一次,避免由于主机枆电而造成电池过放,电
池寿命缩短。




深圳市倍特力电池有限公司
地址:广东省深圳市龙华区大浪同富邨工业园
电话:0755-28078088 传真:0755-28078588
江西省倍特力新能源有限责任公司
地址:江西省宜春经济技术开发区春顺路999号
电话:0795-3282999 传真:0795-3174988
全国免费客服热线:400-0667-800 Email:betterpower@betterpower.com.cn
网址:www.betterpower.com.cn
专业“锂电池、镍氢电池、镍锌电池”大型制造商,全球知名品牌指定供应商!


