
引
言
庚子年的“新型冠状病毒肺炎”席卷全球,口罩乃至口罩机成为了当前形势下最炙手可热的东西。那么口罩应该怎么选,又是怎么生产出来的呢?今天就跟着小编来了解一下你所不知道的那些事。。。
口罩的分类
口罩目前国内分三种:
第一种是作为医疗器械管理的口罩,如:医用防护口罩、一次性普通医用口罩;医用外科口罩,目前医用口罩主要是这三种。生产此类产品,需要向省级食品药品监督管理局器械处申请办理“医疗器械产品注册证”、“医疗器械生产许可证”,目前均需要10万级以上的洁净车间,并具备微生物试验能力和相关理化试验能力。
第二种是劳保口罩(特种劳动防护用品),需要向省级技术监督局申请"工业品生产许可证",并向国家安全生产监督管理总局申请“特种劳动防护用品安全标志”认证(“LA”认证)。
第三种是日常防护口罩,这个相对简单,不用办理任何许可证照,将产品向有资质的第三方检测机构按照相应标准送检,取得合格的检测报告,即可上市销售。
新冠肺炎只有第一种医用口罩可以隔离,万不可生产后两种当第一种售卖!!!
口罩相关行业及国家标准
每款口罩要符合一定的标准才能起到它相应的防护作用,要达到各种严格的标准除了生产材料的要精挑细选品质达标、生产环境达标之外,选择相应质量上乘的口罩生产设备按照相应的标准严格生产加工也非常关键。

1)分类:
N系列:防护非油性悬浮颗粒无时限
R系列:防护非油性悬浮颗粒及汗油性悬浮颗粒时限八小时
P系列:防护非油性悬浮颗粒及汗油性悬浮颗粒无时限
有些颗粒物的载体是有油性时,而这些物质附在静电无纺布上会降低电性,使细小粉尘穿透,因此对于防含油气溶胶的滤料要经过特殊的静电处理,以达到防细小粉尘的目的。所以每系列又划分出了3个水平:95%,99%,99.97%(即简称为95,99,100),所以共有9小类滤料。
2)欧盟EN149标准:
FFP1类别口罩:最低过滤效果》80%
FFP2口罩:最低过滤效果》94%
FFP3类别口罩:最低过滤效果》97%
3)澳大利亚AS1716标准:
P1:最低过滤效果》80%
P2:最低过滤效果》94%
4)日本MOL验证标准:
根据日本2005年2月7日颁布的0207006号法令,防尘口罩标准如下表
| 测试环境条件 | ||
|---|---|---|
实验粒子 |
DOP(液体) |
NaCl(固体) |
粒径分布μm |
0.15-0.25 |
0.06-0.1 |
实验浓度[mg/m3] |
≤100 |
≤50 |
实验流量[L/min] |
85 |
85 |
试验时间 |
供应总量200mg |
供应总量100mg |
| 替换式防尘口罩标准 | ||||
|---|---|---|---|---|
区分 |
过滤效率[%以上] |
吸气压力[Pa以下] |
排气压力[Pa以下] |
|
DOP |
NaCl |
|||
RL3 |
RS3 |
99.9 |
160 |
80 |
RL2 |
RS2 |
95.0 |
80 |
70 |
RL1 |
RS1 |
80 |
70 |
70 |
| 一次性抛弃型口罩标准 | ||||||
|---|---|---|---|---|---|---|
区分 |
过滤效率[%以上] |
吸气压力[Pa以下] |
排气压力[Pa以下] |
|||
DOP |
NaCl |
有气阀 |
无气阀 |
有气阀 |
无气阀 |
|
DL3 |
DS3 |
99.9 |
150 |
100 |
80 |
100 |
DL2 |
DS2 |
95 |
70 |
50 |
70 |
50 |
DL1 |
DS1 |
80 |
60 |
45 |
60 |
45 |
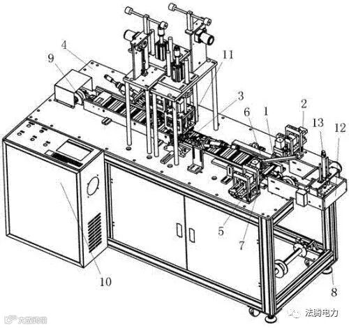
全自动口罩机及口罩生产线介绍
口罩生产设备及生产工序


口罩机是将多层无纺布通过热压、折叠成型,超声波焊接,废料切除,耳带鼻梁条焊接等工序制造出具有一定过滤性能的各种口罩,口罩设备不是单台的机器,它需要多台机器的配合完成各种不同的工序。


口罩机:生产口罩之机械,现市面上的口罩机有:HD-0301平面口罩机、HD-0304杯型口罩机、鸭嘴口罩机、折叠口罩机、纱布口罩机等。
平面口罩机系列根据耳带的焊接方式和使用方法不同可以分为:内耳带口罩机,外耳带口罩机,绑带式口罩机,生产这三种平面口罩都需要用到口罩本体机,它是组成平面口罩不可或缺的部分。







口罩的整个生产工序还是比较多的,尤其是后续消毒环节,这就是为什么0.5秒造一个口罩,这么快的生产效率却依然口罩紧缺的原因了,了解口罩生产工序首先从口罩本身组成结构说起,我们剪开一个医用口罩,可以发现口罩是有三层无纺布的,这也是医用口罩国家标准要求的,否则就达不到防护的要求。




1)将三层无纺布原料经过机器叠合在一起
2)卷边,把鼻夹缝合进去
3)将大片无纺布沿着斜面由左到右逐渐变窄做出“折叠结构”
4)压片:把口罩表面压平整
5)口罩的全自动单个裁断和缝边
6)再用无纺布,对口罩进行补边处理
7)再次裁断补边
8)通过超声波焊接方式,固定挂耳绳
9)最后通过质检,杀菌消毒后包装成品

中国口罩早已经实现流水线生产,在正常情况下,一般一台机器每秒就可生产出2至3只口罩。那么为什么有原材料的情况下,市面上的口罩数量还很紧缺呢?因为口罩在出厂时,必须要经过消毒。据工信部官微:中国 生产口罩的速度非常快,仅需 0.5秒/只,但生产后的解析消毒的标准流程,需要7天到半个月。
工信部在官微中指出,医用口罩,采用环氧乙烷灭菌,灭菌之后,口罩上会有环氧乙烷残留,必须通过解析方式,使残留的环氧乙烷释放,达到安全含量标准,经检测合格后,才能出厂上市。





铸造优秀团队
共创企业辉煌
为法腾骄傲 为自己骄傲
-END-

让用电更省心



造高端设备 建智慧工厂
立民族品牌 创行业标杆


