熟悉指针式喷灌机的朋友都知道,设备运行是由最后一跨设备先走,然后带动倒数第二跨走,再带动第三跨…….以此类推,但是你可能并不真正了解它的运行原理。今天艾瑞德电气工程师给大家讲解一下电器件到底是如何让喷灌机转圈的。
首先,先把喷灌机控制线路的各电缆作用给大家看一下。

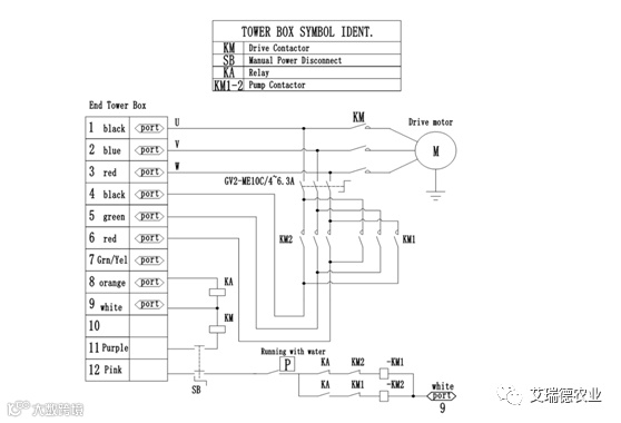
喷灌机动力线如下:

这个相信大家都很熟悉了,接下来给大家把喷灌机主要电器件的功能介绍一下。
一、集电环


指针式喷灌机中心点是固定不动的,跨体围绕中心点转圈,如果没有集电环,跨体电缆势必会出现缠绕,最终导致设备无法运行。集电环其实就是固定滑环,外层是碳刷,中心轴安装在喷灌机中心点上方,设备运行时,中心滑环和中心点不动,外层碳刷围绕滑环运动。电缆通过中心孔接线到滑环线上,跨体线缆连接碳刷端子,这样滑环就可以不断的给设备供电了。
二、中间塔盒


指针机由最后一跨行走,带动倒数第二跨的导向杆,使倒数第二跨和倒数第一跨之间有个角度,位于倒数第二跨上面的中间塔盒,通过导向装置触碰塔盒内部的行程开关SQ1,SQ1通过控制接触器KM来控制驱动电机行走,这样以此类推,直到跨体之间保持一条直线,微动开关断开,跨体停止行走,设备的行走方向如图取决于电控柜输出的橙色和棕色线决定。此外当设备出现故障时,跨体间夹角过大,便会触碰到安全微动开关SQ2,使安全回路断开,设备停机保护。
三、末端塔盒

前面提到,设备总是由最后一跨先走,末端塔盒就是安装于设备尾跨上方控制最后这一跨行走的塔盒。当电控柜发出行走信号时,末端塔盒最先响应,通过控制接触器来控制最后一跨的行走电机,从而带动整个跨体行走,末端塔盒不控制行走电机的方向,反向由电控柜通过控制相序来控制。
四、末端增压泵塔盒

当喷灌机安装尾枪时,通常会安装增压泵进行增压,由于喷灌机跨体电源线只有3根线,增压泵需要和跨体电机共用此电源,但喷灌机需要正反转运行切换的时候,改电源相序会进行调整,如果增压泵电机不进行相应的相序调整势必造成增压泵反转,水压不足,且长时间运行造成增压泵故障。因此在有增压泵的情况下,我们将末端塔盒替换为增压泵塔盒,增压泵塔盒具有调整相序,根据水压自动开闭功能。
电源从如图1、2、3号端子进入,经过跨体运行接触器KM,KM出线去控制跨体电机M。在接触器KM上端并接电源线到增压泵电机保护器GV2,GV2出线接到增压泵正反接触器KM1和KM2,KM1和KM2出线接到增压泵电机。紫色线为百分率表信号线,进入11端子后通过电源开关SB直接接入跨体电机接触器KM 线圈,控制跨体电机行走。橙色线为反转信号线,进入8端子后接入继电器KA,继电器KA的吸合和释放决定了增压泵接触器KM1和KM2 哪一个启动。增压泵启动粉色线从端子12进入经过电源开关SB后接入压力开关,压力开关出线接入继电器KA常开点和常闭点,KA常开点和常闭点出来后接入接触器KM1和KM2。也就是橙色线决定增压泵正反转,而粉色线决定增压泵什么时候运行,粉色线串进压力开关,压力只有达到的情况下增压泵才启动。
看得这里,大家都明白了吗?

