大数跨境

轴承推荐丨欧凯轴承推荐6311 2rs深沟球轴承

轴承推荐丨欧凯轴承推荐6311 2rs深沟球轴承 欧凯轴承
2020-02-28
1
导读:深沟球轴承的应用范围非常广,它们适用于高速和超高速,适应两个方向的径向和轴向载荷,并且几乎不需要维护,深沟球

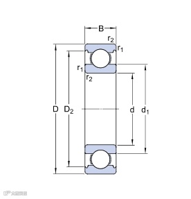
深沟球轴承的应用范围非常广,它们适用于高速和超高速,适应两个方向的径向和轴向载荷,并且几乎不需要维护,深沟球轴承是应用较广泛的轴承类型,欧凯轴承提供多种设计、变型和尺寸的深沟球轴承。

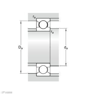
深沟球轴承类型有单列和双列两种,深沟球结构还分密封和开式两种结构,开式是指轴承不带密封结构,密封型深沟球分为防尘密封和防油密封。防尘密封盖材料为钢板冲压,只起到简单的防止灰尘进入轴承滚道。防油型为接触式油封,能有效的阻止轴承内的润滑脂外溢。

深沟球轴承主要承受径向载荷,也可同时承受径向载荷和轴向载荷。当其仅承受径向载荷时,接触角为零。当深沟球轴承具有较大的径向游隙时,具有角接触轴承的性能,可承受较大的轴向载荷 ,深沟球轴承的摩擦系数很小,极限转速也很高。



【声明】内容源于网络
0
0
欧凯轴承
内容 392
粉丝 0
欧凯轴承
总阅读398
粉丝0
内容392