
案例8:橡胶材料的墨汁现象和沾香问题
在乳品、饮料、果汁以及其它采用管道化连续作业的工厂,已经广泛采用了CIP清洗系统,由于各种清洗液均为化学试剂,普通橡胶材料受此影响会发生氯化、氧化而老化,从而产生黑色杂质或黑色液体,这种现象称为“墨汁现象”。
黑色异物和液体混入到食品中,将会污染物料、滋生细菌,从而影响消费者的身体健康,同时食品企业也会面临处罚、诉讼和召回风险,将会极大地降低品牌价值。

作为推荐的对策,华尔卡运用多年研究的弹性体掺和技术,以EPDM和HNBR两种材料为基础,成功开发了白色弹性体橡胶,可以避免墨汁现象的同时,还具备与传统黑色弹性体相同的性能。
同样的,在多种商品共用同一流水线的情况下,橡胶密封材料容易染上香料香味,然后再传导给下一种商品的问题也会带来困扰,有可能产生奇怪的气味,降低消费者的评价,也会引起消费者对食品饮料中是否含有不健康成分的担忧。
作为推荐的对策,使用PTFE在橡胶材料上面覆膜,隔断橡胶材料与流体的接触,沾香问题就可以得到解决,而且PTFE材料同时还具备食品级的萃取标准,以及不粘附性。

案例9:法兰的间隙腐蚀和电偶腐蚀
间隙腐蚀又称缝隙腐蚀、空隙腐蚀, 是两个连接物之间的缝隙处发生的腐蚀,在金属和金属间的连接(如铆接、螺栓连接)缝隙、金属和非金属间的连接缝隙,如密封垫片与法兰间的缝隙,以及金属表面上的异物和金属表面之间构成的缝隙,都会出现这种局部腐蚀。
今天我们想说明的是垫片与法兰面之间发生的间隙腐蚀,垫片的密封是通过增加垫片的表面压力,减少垫片与法兰面之间的间隙来实现的,此时的平均间隙约为0.1~10μm,由于法兰和垫片的接触面的内径侧的紧固面压相对较低,当含有氯离子的流体渗入垫片内部以及垫片与不锈钢法兰的间隙中,不锈钢将因钝化膜的形成反应导致形成氧浓差电池,造成pH值下降和氯离子浓度上升,随之导致法兰面金属的快速溶解,发生间隙腐蚀。

我们在实际应用中,发现有些场合更容易发生与密封垫有关的间隙腐蚀。
① 以前使用石棉压缩板垫片时,由于石棉垫片渗透性高、易湿,石棉垫片中含有的数百ppm的氯离子更容易流入间隙,导致发生氯浓缩,出现间隙腐蚀,以前的对策就是在不锈钢法兰上使用经过脱氯离子处理的石棉垫片,或者使用四氟包覆垫片,目前全面使用无石棉垫片后,也有推出脱氯离子处理的无石棉垫片(6500AC、6503AC)作为对策;
② 当介质为氯离子含量较多的海水时,使用不锈钢法兰也容易发生典型的间隙腐蚀,而且很多时候还使用了石棉或无石棉垫片,此时对策一样是使用脱氯离子的垫片(6500AC、6503AC),以及涂覆防腐蚀膏(密封膏)以避免出现间隙;

③ 氟塑料的渗透性小,而且不含氯离子,但是氟化物会破坏钛和钛合金表面的氧化膜,所以在钛法兰上使用PTFE类垫片,也可能引起钛法兰的间隙腐蚀,而一般的对策就是在钛法兰面上喷镀0.5%铂钛。

除以上对策外,在法兰紧固方面还有提高垫片的紧固面压,想办法补偿法兰的变形、对法兰接合面进行平滑处理等应对方法,也可以降低间隙腐蚀的影响。
(二)除了间隙腐蚀,金属法兰面有时还容易发生电偶腐蚀,电偶腐蚀也称为异金属腐蚀或接触腐蚀,是电位不同的两种金属在电解质中接触,形成了伽伐尼电池,就导致贱金属的腐蚀加速,贵金属的腐蚀减缓。
以往碰到的案例包括:
① 在不同金属组成的法兰接合部使用金属垫片时,会形成电池,从而发生法兰腐蚀的现象;
② 还有柔性石墨和不锈钢接触也会形成电池,导致不锈钢表面的氯离子迁移,钝化状态膜局部破损而发生腐蚀;
③ 还有在海水介质中,不同电位的金属相遇,也会形成电极电位差,导致电位相对低的金属腐蚀;
④ 还有把金属管道埋设在混凝土建筑下面时,混凝土和原生土壤之间的电位差也会引起金属的腐蚀;
⑤ 有些电车的铁轨附近埋入的金属管道,也会受到铁轨上流出的杂散电流的影响,如果某个位置流出的电流比较集中,就也会对此处的金属管件造成腐蚀。
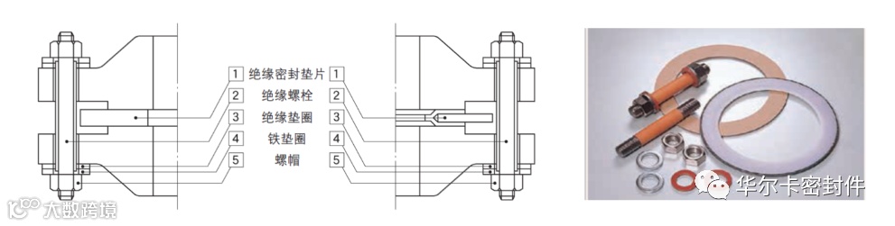
在容易发生电偶腐蚀的部位,应当使用电气绝缘的垫片套装作为解决对策,通常使用氟塑料垫片或氟塑料包覆垫片,并为螺栓配上绝缘垫圈和套管,将法兰接头变成绝缘接头。

本期我们介绍了一些垫片材料对于流体和法兰产生影响的案例,作为选用时的参考,下一期我们还将针对垫片尺寸和型式方面,继续分享选定不当的案例。
以上内容部分参考自:
松下 明日香,华尔卡技术志,No.34,(2017)
西田 隆仁,现代密封垫片概论,(2015)

