半导体陶瓷是指具有半导体特性、电导率约在10-6~105S/m的陶瓷。半导体陶瓷的电导率因外界条件(温度、光照、电场、气氛和湿度等)的变化而发生显著的变化,因此可以将外界环境的物理量变化转变为电信号,制成各种用途的敏感元件。热敏半导体陶瓷材料就是其中的一种。
热敏半导体陶瓷材料又称热敏电阻陶瓷,是一种电导率随温度呈明显变化的陶瓷,属于功能陶瓷中的一种。热敏电阻器一般可分为正温度系数(PTC),负温度系数(NTC)和临界温度电阻器(CTR)三类。而临界温度电阻器(CTR)是属于负温度系数(NTC)中的一种。所以,以下小编将从正温度系数(PTC)和负温度系数(NTC)两个大类来跟大家一起了解一下热敏电阻陶瓷。
PTC材料多半是以BaTiO3或BaTiO3固溶体为主晶相的半导体陶瓷元件。在一定的温度范围内,其阻值随温度的增加而增加,当发热和散热达到平衡时,此电阻就保持恒定的阻值和温度,可作为恒温加热使用。按材料的居里点(Tc)可分为低温、高温,按阻值可分为低阻、高阻,按使用电压可分为低压、常压和高压,按曲线陡度可分为缓变型和开关型。
据世界上最大的电子陶瓷生产公司之一的日本村田制作所报导,PTC产品的品种规格已达169种。利用PTC陶瓷既发热又控温的特性,可以制造许多家用电热电器,如彩电消磁器、暖风机、卷发器、暖脚器、手炉等等。近年,人们将半导体陶瓷材料涂覆在玻璃、陶瓷、搪瓷等器皿上,通电发热用来制造电热壶、电火锅、电热水器等。
该类有三种不同类型的阻温特性。一是缓变型的热敏电阻;二是负温度突变型,又称临界温度系数热敏电阻(CTR),在特定温度内,其阻值急剧下降;三是阻温特性为直线的陶瓷热敏元件。
常温(300℃)NTC热敏陶瓷材料,大多数是尖晶石型氧化物半导体陶瓷,其中包括二元系材料及多元系材料。二元系陶瓷材料主要有MnO-CuO-O2系、MnO-CoO-O2系、MnO-NiO-O2系等金属氧化物陶瓷。三元系热敏陶瓷材料主要有Mn-Co-Ni系、Mn-Cu-Ni系、Mn-Cu-Co系等含Mn的金属氧化物。也有不含Mn的NTC热敏陶瓷材料,如Cu-Ni系、Cu-Co-Ni系等。这些氧化物按一定配比混合,经烧结后,性能稳定,可在空气中直接使用,它们的电阻温度系数约为(-1%~-6%)/℃,工作温度在-60~+300℃之间,广泛用于测温、控温、补偿、稳压、遥控、流量流速测量及时间延迟等技术领域。
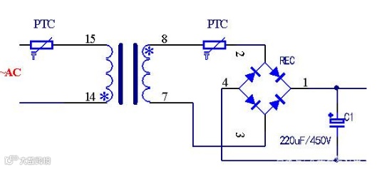
PTC过压、过流、过载等保护作用应用非常广泛,把PTC直接串联在电路当中,在线路出现短路或其他原因导致电流过大时,PTC热敏电阻的内阻迅速无穷倍增大,能够抑制电流过大甚至阻断电流从而保护所需元件或后级电路。当故障排除时,又会恢复到最初的低阻状态,继续导通电路。使用PTC热敏电阻可以对电源电路进行有效的限流保护,合理的设计热敏电阻能使电源电路可靠高效的运行。主要被用于电源变压器、各种充电器、各种仪器仪表等过流过热保护场合,这是PTC热敏电阻利用最为广泛的一种作用,我们也见的比较多,特别是在电源设备当中。如下图,PTC热敏电阻串联进去电路作为过流保护元件,即对变压器进行保护。
电机在启动时都要克服自身的惯性,例如对于单相启动,在启动时需要较大的扭矩。当转动正常后,需要的扭矩不是很大,这时候可以给电机添加辅助线路,可以理解为辅源,相当于电动车爬坡时候需要一个更大的动力,将PTC热敏电阻串联进启动辅助线路当中。
例如对于冰箱的压缩机而言,在启动时候电阻受热阻值变大,压缩电机的启动绕组通电,同时压缩机主绕组运行,当电阻受热变得非常大时候,这时候启动绕组相当于断开,压缩机得以正常运行。
这种PTC热敏电阻作用是消除彩色阴罩以及地磁等杂散磁场对彩色画面的影响,普通彩色电视机中的自动消磁电路一般都由两部组成,即消磁线圈和消磁电阻。PTC消磁元件是利用其电流--时间特性进行工作的。
串接入消磁电路后,由于PTC元件初始电阻很小,消磁线圈中通过的初始电流较大,使线圈产生一个强大的交变磁场。PTC消磁元件因自身发热,电阻随之上升,电路中的电流会被逐渐衰减,使线圈中的交变磁场也随之减弱,从而达到消磁目的。此系列产品运用于彩色电视、彩色显示器及其他CRT的消磁电路。
通过在燃油滤清器中增设恒温PTC热敏电阻类型的加热器,可以提升燃油的温度,从而增加燃油的流动性。这可以避免燃油在寒冷地区或低温条件下发生胶质、石蜡析出,以及水滴结冰堵塞滤芯,解决低温条件下发动机喷嘴易堵塞,供油不畅等问题。
尽管LED具有高效照明、低耗电的特点,但作为高亮度LED元件本身却处于异常的高温状态。村田制作所生产的陶瓷PTC热敏电阻“POSISTOR”能简单实现LED照明设备过热保护的方法,不仅能降低成本,还能提高LED照明设备的安全性。
PTC加热器具具有节能、恒温、安全、寿命长的特点,并逐渐取代电热管成为解决空调器低温制热效果差的问题。PTC电加热能够根据房间温度的变化以及室内机风量的大小改变发热量,调节室内温度,从而达到迅速、强劲制热的目的,有效改善空调在寒冷无地暖地区的运用。
PTC热敏陶瓷电阻可以用来加热芯片,应用在通信设备的低温加热领域,根据其在-40℃低温下,电阻值很小,功率大,可对设备进行快速加热;待加热到芯片能正常启动时,PTC热敏电阻的温度还没达到居里温度,加热器就会被关停。因此它可以满足设备低温下的加热要求。
NTC热敏电阻由于灵敏度高、可靠性高及价格低廉,而被广泛应用于家用电器、汽车以及工业生产设备的温度传感与控制。从元件的功能角度看,主要有以下作用:①温度检测及控制②温度补偿③抑制浪涌电流
作为测量温度的热敏电阻传感器一般结构较简单,价格较低廉。没有外面保护层的热敏电阻只能应用在干燥的地方;密封的热敏电阻不怕湿气的侵蚀、可以使用在较恶劣的环境下。由于热敏电阻传感器的阻值较大,故其连接导线的电阻和接触电阻可以忽略,因此热敏电阻传感器可以在长达几千米的远距离测量温度中应用,测量电路多采用桥路。利用其原理还可以用作其他测温、控温电路等。主要用于汽车、内燃机车、大型电机、油浸变压器等的冷却系统作定点测温的感温元件,也可用在其它场合的温度测量。
热敏电阻传感器可在一定的温度范围内对某些元器件湿度进行补偿。例如,动圈式仪表表头中的动圈由铜线绕制而成。温度升高,电阻增大,引起温度的误差。因而可以在动圈的回路中将负温度系数的热敏电阻与锰铜丝电阻并联后再与被补偿元器件串联,从而抵消内于温度变化所产生的误差。补偿由于温度引起的漂移误差,适用于一般精度的温度测量和在计量设备、对数放大器、晶体管电路中的温度补偿。
CMF片式NTC热敏电阻还适用于半导体集成电路、液晶显示、晶体管及移动通讯设备用石英振荡器的温度补偿;可充当电池的温度探测、计算机微处理器的温度探测以及需要温度补偿的各种电路。
过热保护可分为直接保护和间接保护。对小电流场合,可把热敏电阻传感器直接串人负载中,防止过热损坏以保护器件,对大电流场合,可用于对继电器、晶体管电路等的保护。不论哪种情况,热敏电阻都与被保护器件紧密结合在一起,从而使两者之间充分进行热交换,一旦过热,热敏电阻则起保护作用。例如,在电动机的定子绕组中嵌入突变型热敏电阻传感器并与继电器串联。当电动机过载时,定子电流增大,引起发热。当温度大于突变点时,电路中的电流可以另十分之几毫安突变为几十毫安,因此继电器动作,从而实现过热保护。适用于转换电源、开关电源、UPS电源、各类电加热器、电子节能灯、电子镇流器、各种电子装置电源电路的保护以及彩色显示像管、白炽灯及其它照明灯具的灯丝保护。
给NTC热敏电阻传感器施加一定的加热电流,它的表面温度将高于周围的空气温度,此时它的阻值较小。当液面高于它的安装高度时,液体将带走它的热量,使之温度下降、阻值升高。判断它的阻值变化,就可以知道液面是否低于设定值。汽车油箱中的油位报警传感器就是利用以上原理制作的。热敏电阻在汽车中还用于测量油温、冷却水混等。
ABOUT CERADIR
「CERADIR™先进陶瓷在线」——先进陶瓷行业垂直化服务平台,致力于为用户提供一站式 B2B 解决方案,专业服务全球先进陶瓷供应链上下游工厂、贸易商、服务商而自主开发的B2B行业平台,吸引全球供应商和采购商入驻。


