
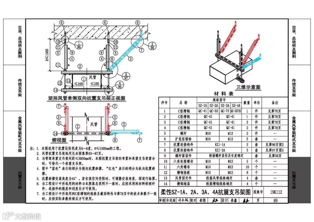
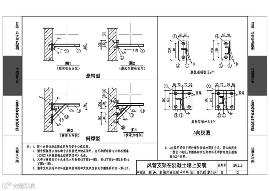
由深圳优力可科技股份有限公司参编的国家建筑标准设计图集19K112《金属、非金属风管支吊架(含抗震支吊架)》已于2019年1月正式出版发行。

19K112图集封面

优力可提供技术资料

1.重磅!优力可科技负责起草的国家标准《建筑抗震支吊架通用技术条件》GB/T 37267-2018 获批发布
4.国家建筑标准设计图集 || 优力可科技主编16D707-1《建筑电气设施抗震安装》业已发行

点击标题下方蓝色字体,关注优力可科技
优力可科技
由深圳优力可科技股份有限公司参编的国家建筑标准设计图集19K112《金属、非金属风管支吊架(含抗震支吊架)》已于2019年1月正式出版发行。

19K112图集封面

优力可提供技术资料

1.重磅!优力可科技负责起草的国家标准《建筑抗震支吊架通用技术条件》GB/T 37267-2018 获批发布
4.国家建筑标准设计图集 || 优力可科技主编16D707-1《建筑电气设施抗震安装》业已发行

点击标题下方蓝色字体,关注优力可科技