案例:仪器经常早上第一遍质控好多结果偏高,再做一遍质控结果能正常。

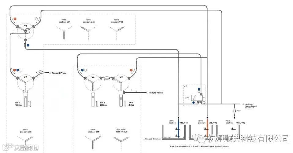
故障原因:经过检查,2500微升三通阀从前面看是好的,但拆开发现背后有漏液。个人分析是该三通阀密封性不好,导致液体有回流。中间三通阀密封不好会导致diluent回流,在开始做的时候可能diluent里面会有少量气泡,导致结果偏高。



我自己做了一个实验,在正常关机状态下由于,3个三通阀分别密封性不好的话,会对应发生不同液体的回流。


对于三通阀背面漏液的情况,具有将强的隐蔽性,后面我也会将这一块检查纳入自己团队对BNII仪器大维护保养中(如半年保养和年度保养),拿下注射器模块外壳,做一下检查,这样做也是很方便做到的。——拧松上面背后的两个螺丝,就可以将外壳整个提起来。



