
一个细节非常不起眼,但忽略了一个细节,它就有可能引起连锁反应,最终导致严重的后果。下面介绍增值税表格填写中最容易忽略的16个细节,为企业纳税保驾护航。
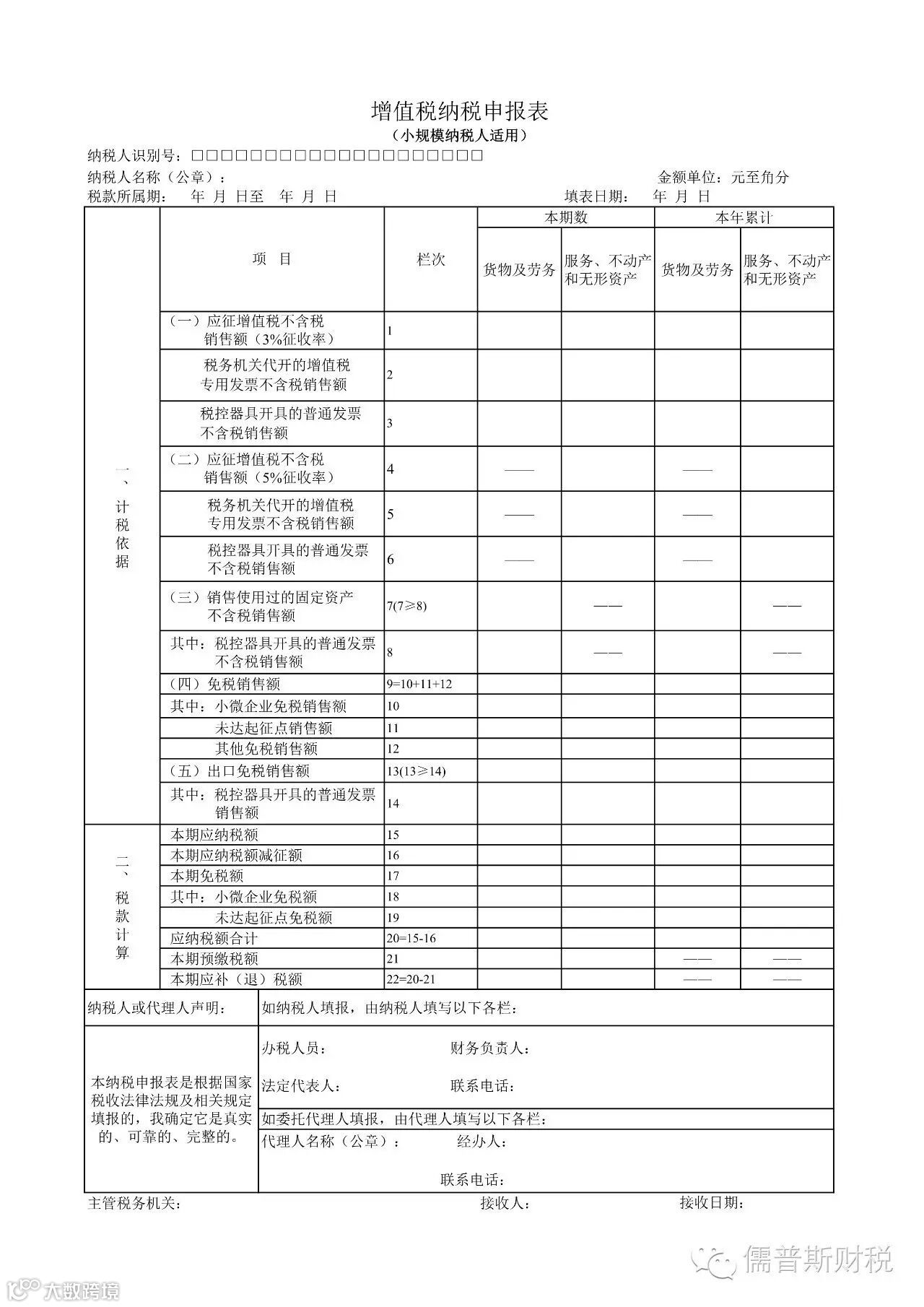
01.问:小规模纳税人(非个体工商户和其他个人)有代开增值税专用发票的情形,本季度销售额包括代开部分不超过9万,符合小微企业标准。对于代开的部分,如何填写增值税申报表?
答:代开专票视不同情况分别填列在第2栏“税务机关代开的增值税专用发票不含税销售额”、第1栏“应征增值税不含税销售额(3%)”或者第5栏“税务机关代开的增值税专用发票不含税销售额”、第4栏“应征增值税不含税销售额(5%)”;小微免税销售额填列在第10栏“小微企业免税销售额”以及18栏“小微企业免税额”;代开专票预缴税额填列在第21栏“本期预缴税额”。
02.问:既享受小微企业免税的优惠又有差额征税应税服务事项,《增值税纳税申报表(小规模纳税人适用)附列资料》第8栏“不含税销售额”是否必须填列在《增值税纳税申报表》(小规模纳税人适用)第1栏“应征增值税不含税销售额(3%征收率)”“本期数”“服务、不动产和无形资产”栏次?
答:《增值税纳税申报表(小规模纳税人适用)附列资料》由发生应税行为且有扣除项目的纳税人填写,各栏次均不包含免征增值税项目的金额。享受小微企业免税优惠的企业,即使有差额征税应税服务事项,不需要填写《增值税纳税申报表(小规模纳税人适用)附列资料》。
03.问:营改增后,地税发票延用期间,继续使用地税发票的营改增业务,应该在地税还是国税申报?
答:应在国税申报缴纳增值税。增值税一般纳税人申报时填写到《增值税纳税人申报表附列资料(一)》“开具其他发票”栏中;增值税小规模纳税人申报时填写到《增值税纳税申报表(小规模纳税人适用)》第1、4、9栏中。
04.问:纳税人在地税机关已申报营业税未开具发票,2016年5月1日以后补开了增值税普通发票,该部分发票在营改增后该如何填报?
答:在地税机关已申报营业税未开具发票的业务,2016年5月1日以后补开增值税普通发票的,不需要再就该部分申报缴纳增值税。
05.问:须挂账的纳税人应如何填列一般纳税人主表第13栏“上期留抵税额”?
答:本栏“一般项目”列“本月数”:试点实施之日的税款所属期填写“0”;以后各期按上期申报表第20栏“期末留抵税额”“一般项目”列“本月数”填写。
本栏“一般项目”列“本年累计”:反映货物和劳务挂账留抵税额本期期初余额。试点实施之日的税款所属期按试点实施之日前一个税款所属期的申报表第20栏“期末留抵税额”“一般货物、劳务和应税服务”列“本月数”填写;以后各期按上期申报表第20栏“期末留抵税额”“一般项目”列“本年累计”填写。
06.问:《本期抵扣进项税额结构明细表》与《增值税纳税申报表附列资料(二)》有什么勾稽关系?
答:《本期抵扣进项税额结构明细表》第1栏“税额”列-《附列资料(二)》第12栏“税额”列-《附列资料(二)》第10栏“税额”列-《附列资料(二)》第11栏“税额”列。
07.问:企业购进需分期抵扣进项税额的不动产,应如何填写《不动产分期抵扣计算表》?
答:全部进项税额填入该表第2列“本期不动产进项税额增加额”,本期允许抵扣的60%填入该表第3列“本期可抵扣不动产进项税额”。
08.问:企业购进需分期抵扣进项税额的不动产,留待第13个月从销项税额中抵扣的部分应如何填写《不动产分期抵扣计算表》?
答:《不动产分期抵扣计算表》第3列“本期可抵扣不动产进项税额”:填写符合税法规定可以在本期抵扣的不动产进项税额。
09.问:适用差额征税的小规模纳税人,主表第1栏“应征增值税不含税销售额(3%征收率)”,应填写差额前还是差额后的销售额?
答:纳税人发生适用3%征收率的应税行为且有扣除项目的,本栏填写扣除后的不含税销售额,与当期《增值税纳税申报表(小规模纳税人适用)附列资料》第8栏数据一致。
10.问:企业销售旧货,已在税务机关做过旧货的简易征收备案,是否需要在《增值税减免税申报明细表》体现?
答:需要。暂时填写在销售固定资产一栏。
11.问:小微企业如何填写增值税申报表?
答:符合小微企业免征增值税政策的免税销售额,应填入《增值税纳税申报表(小规模纳税人适用)》第10栏“小微企业免税销售额”。个体工商户和其他个人不填写本栏次。
符合小微企业免征增值税政策的增值税免税额,应填入《增值税纳税申报表(小规模纳税人适用)》第18栏“小微企业免税额”。
12.问:个体工商户符合小微企业免征增值税政策的免税销售额应如何填写增值税申报表?
答:应填入《增值税纳税申报表(小规模纳税人适用)》第11栏“未达起征点销售额”。
13.问:小微企业的免税额应如何计算填列?
答:小微企业免税额应根据申报表第10栏“小微企业免税销售额”和征收率计算。
14.问:企业跨区提供建筑服务已经预缴的增值税款如何填写增值税申报表?
答:一般纳税人填写《增值税纳税申报表附列资料(四)》(税额抵减情况表)和《增值税纳税申报表》(一般纳税人适用)第28栏“分次预缴税额”;小规模纳税人填写《增值税纳税申报表》(小规模纳税人适用)第21栏“本期预缴税额”。
15.问:享受小微企业税收优惠的企业有代开的增值税专用发票,在填写《增值税纳税申报表》(小规模纳税人适用)第10栏“小微企业免税销售额”时是否应扣除代开专票的部分?
答:是的,第10栏“小微企业免税销售额”不包括代开增值税专用发票那部分销售额。
16.问:小规模纳税人提供跨境免税服务如何填写申报表?
答:填写《增值税减免税申报明细表》第8、9栏,以及《增值税纳税申报表》(小规模纳税人适用)第13栏“出口免税销售额”。













文章来源:中国税务报




