
说起安全生产台账
不少单位都认为安全生产台账可有可无
也有人痛批形式主义盛行
但是你知道吗?
健全安全生产台账资料
是相关法律法规赋予各单位的一项义务
也是安全生产管理工作的一项重要内容!

更重要的是
一旦发生安全生产事故
事故调查的手段之一就是查阅安全生产台账
为事故原因分析提供数据资料
等到追究责任的时候那可就为时已晚
这台账,说不定哪天就成了你的“护身符”
你说它重要不重要?!

如何做好安全生产台账?
赶紧往下看
这份“企业安全生产档案目录”可参考!
安全生产规章制度
1. 安全生产责任制度;
2. 安全培训教育制度;
3. 风险分级管控和隐患排查管理制度;
4. 安全检维修管理制度;
5. 安全作业管理制度(含八大危险作业);
6. 危险化学品安全管理制度;
7. 生产设施安全管理制度(可做成一个通用制度,下含特种设备安全管理制度、建(构)物安全管理制度、电气安全管理制度、安全防护设施管理制度、劳保用品管理制度、消防及应急设施及器材装备管理制度、监视和测量装置管制度);
8. 安全投入保障制度(安全生产费用管理制度);
9. 劳动防护用品(具)和保健品发放管理制度;
10. 事故管理制度(包括事故报告制度);
11. 职业卫生管理制度;
12. 仓库、罐区安全管理制度;
13. 安全生产会议管理制度;
14. 剧毒化学品安全管理制度;
15. 安全生产奖惩管理制度;
16. 防火、防爆、防尘、防毒管理制度;
17. 消防管理制度;
18. 禁火、禁烟管理制度(可纳入防火防爆管理制度);
19. 特种作业人员管理制度。
其他制度:
1. 安全生产委员会(安全领导小组)章程;
2. 安全责任考核制度(应规定考核职责、频次、方法、标准、奖惩办法等);(纳入安标绩效考核制度中)
3. 风险评价程序或指导书;
4. 重大危险源管理制度;
5. 识别和获取适用的安全生产法律法规标准的管理制度;
6. 建设项目安全设施“三同时”管理制度;
7. 关键装置、重点部位安全管理制度;
8. 监视和测量设备管理制度;
9. 生产设施安全拆除和报废管理制度;(纳入生产设施安全管理制度中)
10. 承包商管理制度;
11. 供应商管理制度;(我公司命名为供方管理程序)
12. 变更管理制度;
13. 生产作业场所职业危害因素检测制度;
14. 安全标准化绩效考核制度;
15. 安全生产规章制度和操作规程评审和修订管理制度;
16. 应急救援管理制度。
安全工作台帐
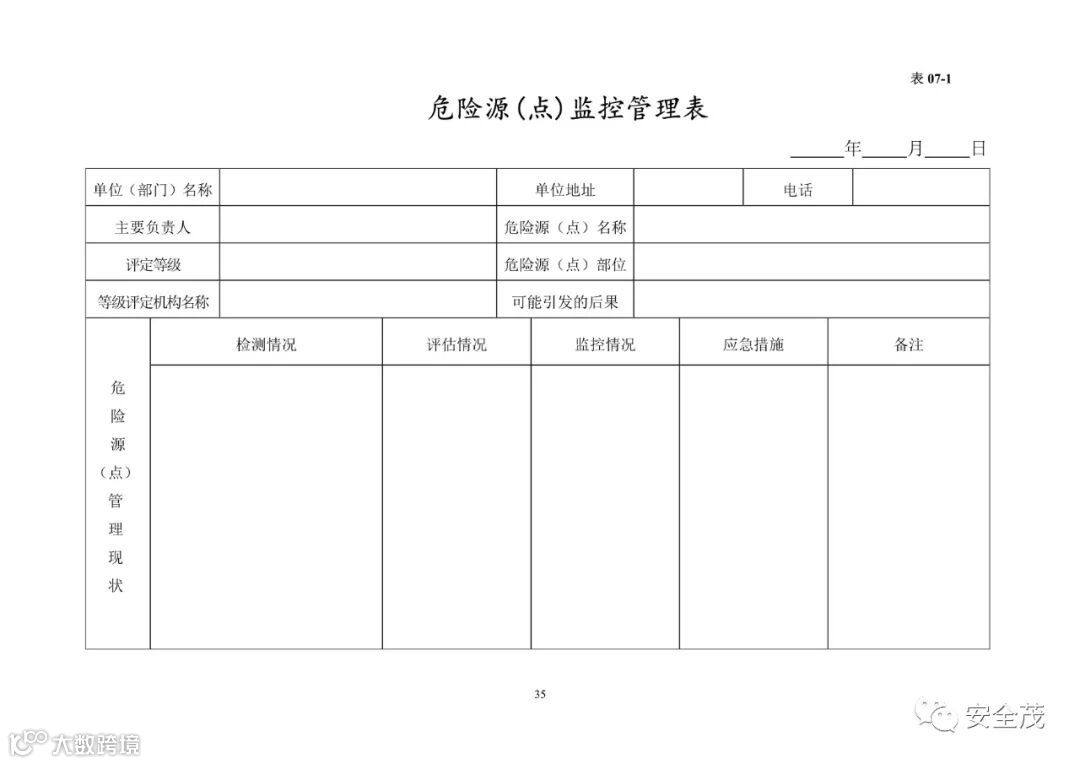
1. 生产设施台帐(设备设施一览表、重要设备台帐、特种设备台帐、建构筑物台帐、安全设施台帐、监视和测量设备校验台帐);
其中包括:
(1)设备设施一览表(栏目设置应包括设备名称、工艺位号、规格型号、材质、重量、生产厂家、容积、出厂日期、安装日期、投产日期、图号、价格等内容)
(2)重要设备台帐(栏目设置应包括设备位号、设备名称、按涉及的需求重点进行管理的相关因素(剧毒化学品、重大危险源、重要环境因素、特种设备规范、对关联系统安全环保重要连带影较大范围影响)、生产管理及技术要求、实施情况等内容);
(3)特种设备台帐(栏目设置应包括设备名称、工艺位号、制造单位、出厂编号、使用证编号、设备注册代号、定检日期、检验结果、复查日期等内容);
(4)建构筑物台帐(栏目设置应包括种名称、位置、设计单位、施工单位、竣工日期、设计使用年限、占地面积、结构形式、防火等级等内容);
(5)安全设施台帐(栏目设置应包括种类、名称、位置、数量、责任人等内容);
(6)监视和测量设备管理台帐(包括易燃易爆、有毒有害、防雷防静电等监视测量设备和压力表、温度计、液位计等,设置栏目应包括分类、名称、安装位置、规格型号、测量范围、精度等级、编号、制造单位、检定周期、检定结果、复检日期等内容);
2. 职业卫生防护设施台帐(主要包括防尘、防毒、防暑降温等设施,如冲淋器、洗眼器等;栏目设置应包括:种类、名称、位置、校验、维护日期、更新情况、责任人等内容);
3. 防护急救器具台帐(如空气呼吸器等,栏目设置应包括器材名称、使用单位、存放位置、数量、保管负责人、领取时间、使用维护情况等内容);
4. 个体防护用品发放台帐(记录发放和更换等情况);
5. 安全警示标识台帐(包括标识类别、标识名称、单位、设置地点、设置时间、数量、维护责任人等内容);
6. 灭火器材台帐(栏目设置同上);
7. 事故台帐(内容包括事故时间、事故类别、伤亡人数、损失大小、事故经过、救援过程、事故教训、“四不放过”处理等内容);
8. 隐患整改台帐(应含隐患名称、检查日期、原因分析、整改措施、计划完成日期、整改负责人、整改确认人、确认日期等项目内容);
9. 安全检查台帐(包括检查时间、检查形式、检查对象、参加人员、发现问题及处理情况等内容);
10. 各类作业证审批台帐(按作业类别分别设立台帐);
11. 安全费用提取及使用台帐(安全费用包括:完善、改造和维护安全防护设备、设施,应急救援器材、设备和现场作业人员安全防护,安全检查与评价,重大危险源、重大事故隐患评估、整改监控,安全技能培训,应急演练发生的费用等);
12. 新职工三级安全教育台帐(包括姓名、性别、出生年月、文化程度、人厂时间、车间或部门、工种、培训学时(厂级、车间、班组)、考试绩[厂级、车间、班组]);
13 .特种作业人员台帐(包括单位、工种、姓名、性别、出生年月、文化程度、专业工龄、培训单位、考核成绩含理论和实作、取证时间、复审时间、发证编号等内容)。
安全档案
1. 重大危险源档案(包括危险物质名称、数量、性质、位置、管理人员、管理制度、评估报告、检测报告等);
2. 重大隐患档案(包括重大隐患评价报告与技术结论、评审意见、隐患治理方案(五定)、竣工验收报告);
3. 特种设备档案(包括特种设备原始资料和检维修资料、注册登记证、定期检验检测报告等);
4. 从业人员安全培训教育档案(一人一档,可做成员工安全培训登记表,包括姓名、身份、培训时间(开始时间、结束时间)、培训班名称、培训内容、举办单位、考核成绩等内容);
5. 关键装置、重点部位档案(包括名录(危险物质名称、数量、性质、位置)、管理制度、安全检查报告等);
6. 承包商档案(包括承包商资格预审、选择,承包商开工前准备的确认和承包商表现评价、续用等资料);
7. 供应商档案(包括供应商资格预审、选择,供应商续用评价和经常识别与采购有关的风险等资料);
8. 化学品档案(包括1. 化学品普查表2. 化学品建档登记表3. 危险性不明的化学品鉴别分类报告(若有)4. 危险化学品安全技术说明书和安全标签5. 非危险品的理化、燃爆数据和危害);
9. 职业卫生档案(包括1. 职业病危害项目申报表,2. 职业卫生管理制度、操作规程和应急救援预案,3. 职业病防治工作计划和实施方案,4. 职业危害因素监测、评价结果(报告),5. 职业病防护设施台帐,6. 劳动者个人防护用品台帐);
10. 从业人员健康监护档案(包括1. 劳动者的职业史和职业中毒危害接触史,2. 相应作业场所职业中毒危害因素监测结果,3. 职业健康检查结果及处理情况,4. 职业病诊疗等劳动者健康资料)。
计划与总结
1. 年度安全工作计划(公司及所有部门均应有计划,公司的计划应包括安全投入计划,当然安全投入计划也可单列);
2. 年度综合检修计划(含安全设施检维修计划,计划应做到“五定”:定检修方案、检修人员、安全措施、检修质量、检修进度)、检修方案;
3. 安全培训教育计划(可单列,也可纳入安全工作计划);
4. 年度职业卫生防治计划(也可纳入年度安全工作计划);
5. 安全检查计划(每次综合检查及专项检查前,年初应有个总计划可纳入安全工作计划);
6. 班组活动计划(可每季度制定);
7. 隐患整改计划(方案);
8. 公司及所有部门均应有年度工作总结;专项安全活动结束后也应有总结。
应急预案及演练
1. 事故应急救援预案;
2. 重大危险源应急预案(可与事故应急救援预案合并,即可做成综合预案及现场处置方案);
3. 关键装置、重点部位应急预案(现场处置方案)。公司应急预案,应整合成一个有机整体。小公司的专项应急预案最好是合并到公司综合预案及现场处置方案中。
4. 应急预案评审记录;
5. 应急预案备案证明(上级部门及协作单位签收记录);
6. 应急须知向社会告知(如信息卡及发放记录);
7. 应急救援预案培训记录;
8. 应急演练方案;
9. 应急演练记录;
10. 应急演练效果评价报告。
原始过程记录
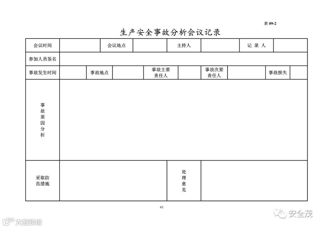
1. 安全会议记录(安委会例会、安全员例会、生产经营调度会等);
2. 厂、车间值班记录;
3. 安全目标完成的考核记录;
4. 安全责任考核记录(安全奖惩原始记录);
5. 作业活动清单;
6. 设备设施清单;
7. 工作危害分析(JHA)及风险评价表(记录);
8. 安全检查表分析(SCL)及风险评价表(记录);(危害辨识及风险评价清单或报告)
9. 重大风险及控制措施清单;
10. 风险评价结果培训记录(以班组为单位组织的,可记入班组活动记录中);
11. 年度风险评价(评审)及风险控制效果评审(检查)记录(报告);
12. 重大危险源定期检测(报告)记录;
13. 重大危险源评估报告;
14. 重大危险源监控记录;
15. 企业适用安全生产法律法规及其他要求清单(及更新记录);
16. 企业适用安全生产法律法规及其他要求宣传、培训记录(在会议、班组活动记录中有也可以);
17. 企业适用安全生产法律法规及其他要求向相关方传达的记录;
18. 法律法规及其他要求符合性评价报告(每年至少1次);
19. 不符合项原因和责任分析及整改落实情况记录;
20. 安全生产规章制度和操作规程定期评审记录;
21. 安全培训教育计划变更记录;
22. 从业人员(含管理人员)上岗前培训及年度再教育考试(核)记录;
23. “四新”培训考试(核)记录;
24. 新职工“三级”安全教育记录;
25. 转岗、复工二、三级安全教育记录;
26. 外来参观、学习人员安全须知培训记录;
27. 外来施工单位作业人员安全培训记录(厂级、车间级);
28. 班组安全活动记录;
29. 安全培训教育需求识别记录(包括所有基层单位);
30. 安全培训教育效果评价报告(记录);
31. 安全设施专人管理(检查)记录(可纳入安全员检查表、所在岗位负责人检查记录);
32. 安全设施检修记录;
33. 安全阀、压力表校验记录(可制成表格形式,压力表校验记录表应包括名称、安装位置、测量范围、精度等级、编号、制造单位、校验日期、红线位置等内容;安全阀校验记录应包括安装位置、安全阀型号、工作压力、起跳压力、回座压力、校验日期、校验结果、下次校验日期等内容);
34. 防雷防静电、易燃有毒气体浓度监测报警装置测量校验记录(报告);
35. 安全联锁装置试验维护记录;
36. 关键装置、重点部位承包人承包点安全活动记录;
37. 关键装置、重点部位年度安全检查报告;
38. 安全生产管理部门考核承包人到位情况记录;
39. 检维修记录(包括年度(月)综合检修计划、日常检维修计划的落实情况);
40. 检维修交出及验收单;
41. 有关管理部门(如安全部门)对检维修现场检查记录;
42. 作业许可证存根(包括动火、进入受限空间、破土、临时用电、盲板抽堵、断路、登高、起重作业等);
43. 作业风险分析记录(可与作业证记录合并);
44. 承包商施工作业现场安全管理(检查)记录;
45. 危险化学品出入库记录;
46. 变更(人员、工艺、技术、设施、机构等)申请及验收表(记录);
47. 应急咨询服务值班记录;
48. “一书一签”培训记录;
49. 产品“一书一签”发放记录;
50. 作业场所职业危害因素定期检测记录;
51. 劳动防护用品(器具)定期校验及检查记录;
52. 应急抢险与救援记录、防护器具使用情况记录;
53. 应急救援器材检查维护记录(可放在专柜中,定期收集存档);
54. 安全警示标志标识检查维修记录;
55. 各类安全检查表(记录);
56. 隐患整改通知书;
57. 隐患整改验收及实施效果验证记录;
58. 安全标准化绩效考核记录。
其它资料
1. 安全标准化实施方案及推进过程相关资料;
2. 文件化的安全生产方针、目标;
3. 企业主要负责人安全承诺书(亲笔签名);
4. 企业各级、各类人员年度安全目标责任书(内容有针对性,不能千篇一律);
5. 建立安全生产委员会的书面文件;
6. 安全管理网络体系框图;
7. 主要负责人、安全生产管理人员安全资格证书;
8. 特种作业人员、安全培训合格证书;
9. 安全费用提取的标准资料;
10. 工伤保险缴费凭证;
11. 生产设施建设“三同时”文件、建设“六阶段”的资料和审查意见;
12. 各种报警器、检测仪器的说明书;
13. 安全阀、压力表、温度计、液位计等安全附件的技术资料;
14. 特种设备定期检验报告;
15. 多个承包商交叉作业的安全管理协议(可写入合同中);
16. 生产设施拆除方案、风险评价以及报废验收资料;
17. 承包商施工现场管理情况的资料(入厂证管理、培训教育管理、各种作业活动相关手续的管理、施工人员劳动保护用品管理、安全设施管理、安全联席会议管理、安全检查管理等);
18. 职业危害申报表;
19. 事故调查处理报告(含未遂事故)。
安全检查表
1. 各级综合检查;
2. 专业检查;
3. 季节性检查;
4. 节假日检查;
5. 四不两直突击检查;
6. 日常检查。
建议看此文的朋友赶紧对照一下
尽快健全安全生产台账
等到事故发生之后才想到要补齐台账
那一切都来不及了!
附《2020版企业安全生产管理全套台账》
点击“阅读原文”进入搜索“台账”
企业HSE风险管理审核清单
体系元素 |
审核要点 |
1.1安全生产方针 |
传达、宣贯安全生产方针,并保留相关记录。 |
1.2安全生产责任制 |
制定各岗位安全生产责任制。 |
责任制颁布后对员工进行宣传、培训并保留相关记录。 |
|
对各岗位安全生产责任制的到位情况进行年度评估。 |
|
制定各岗位安全生产责任制到位情况考核办法,并执行。 |
|
机构与职能发生变化时及时对责任制进行修改。 |
|
每年对责任制的全面性、合理性与可操作性进行回顾,对存在的问题进行修订。 |
|
责任制修订后与员工进行沟通。 |
|
将员工拒绝程序向所有的员工进行沟通与说明。 |
|
员工清楚拒绝程序。 |
|
客观调查和统计分析拒绝事件。 |
|
对拒绝事件分析结果提出改进措施。 |
|
1.3安全生产法律法规与标准 |
获取法律法规的渠道畅通。 |
建立了法律法规与标准清单(库),并识别与安全生产相关法律法规与标准的有效性及适用条款。 |
|
车间级制度符合法律法规的要求,并有编制、审核和批准人员签字。 |
|
每年对建立的法律法规与标准清单(库)进行回顾。 |
|
1.4安全生产目标与指标 |
根据上级要求层层分解安全生产目标与指标 |
收集上级安全生产目标与指标文件化资料,提供本单位安全生产目标与指标文件化资料。 |
|
安全生产目标与指标结合本单位实际进行量化分解,做到可测量。 |
|
制定实现目标与指标的各层次工作计划及保障措施。 |
|
工作计划按期顺利开展。 |
|
每月召开安全生产分析会定期对目标、指标和相应工作计划完成情况进行监测、分析。 |
|
对工作计划执行中发现的问题及时采取了补救措施。 |
|
每年对目标与指标完成情况进行回顾,包括经验、存在问题及建议措施。 |
|
1.5安全生产会议 |
按期召开安全生产会议。 |
会议形成会议记录,并明确工作任务、完成的时限、责任人。 |
|
对会议提出的行动或建议措施,进行跟踪、检查、验收、反馈及效果评价。 |
|
1.6安全管理机构与人员配置 |
配备了专、兼职安全管理人员。 |
构建了车间、班组二级安全管理网络。 |
|
安全区代表、内审员、事故/事件调查员参加了相关培训。 |
|
被任命的安全区代表、内审员、事故/事件调查员有任命书,并知晓和履行职责。安全区代表每月开展检查。 |
|
1.7安全生产文件与数据的控制和管理 |
有安全生产过程所需的文件,包含:工作标准、技术支撑标准、记录格式及检查表、上级发放的通知、会议纪要、通报等。 |
安全生产过程所需的文件符合实际工作需要。 |
|
每年对安全生产文件管理进行回顾,及时清理。 |
|
1.8流程与变化管理 |
工作和管理流程化 |
1.9安全生产信息沟通 |
针对以下情况向员工进行了沟通,并有相关记录:法律、法规;上级文件、管理标准和要求;企业标准、制度;有关生产及事故/事件信息;风险概述;应急程序及设施;纪要、简报、简讯;员工或相关方对安全生产的建议和抱怨 |
负责人每月与员工就安全重要内容对话,对话是否满足以下要求:对话采用一对一方式;对话前提前做好计划;处理特定的或与员工关心的安健环问题 |
|
员工熟悉合理化建议制度,掌握建议的渠道、方式 |
|
将收集的建议登记,并递交上级部门。 |
|
1.10供应商与承包商管理 |
完善承包商合同签订以及安全资质、培训、产品质量和服务保障能力、安健环表现的相关资料。 |
对承包商进行安全技术交底 |
|
按期对承包商作业现场进行检查和评价,检查中关注承包商的安健环表现,并将评价结果向物质供应中心和技改室上报。 |
|
1.11安全科技 |
涉及本部门的安全科技项目应做好实施前的风险分析及应用过程控制措施的落实。,是否对运用效果进行了回顾。 |
1.12纠正与预防 |
制定涉及本单位的纠正和预防行动工作书面计划,计划中包含:执行纠正和预防行动的责任部门、人员、事件。 |
纠正和预防行动执行情况得到及时反馈。 |
|
从以下方面收集纠正与预防计划项目:日常工作中发现的危及安全生产的问题;变化管理;检查与审核;事故/事件调查;风险评估;任务观察;培训程序评估。 |
|
各级人员按要求执行纠正与预防计划。 |
|
纠正和预防行动的执行情况每月沟通。包括:管理责任人与执行责任人沟通;执行责任人与安全区代表、员工沟通,并有沟通的资料或记录。 |
|
在执行过程中,必要时对纠正与预防行动计划进行调整。 |
|
跟踪纠正与预防行动效果,评估其是否解决了问题产生的根本原因,是否降低或消除了风险。 |
|
纠正与预防行动执行、跟踪、反馈、沟通记录保存完整,并方便随时可以查阅和使用。 |
|
2.1风险评估与控制总体原则 |
建立设备、作业、职业健康与环境风险评估的实施工作计划,并明确风险评估工作任务、完成时间、责任人员 |
对开展风险评估的人员进行风险评估方法的培训。 |
|
开展危害辨识工作 |
|
开展基准风险评估 |
|
开展基于问题的风险评估 |
|
开展持续的风险评估,、设备、作业、环境及职业健康风险评估结果的进行时时动态控制和分析 |
|
对风险评估结果中不可接受的风险制订了控制措施 |
|
在每年或内、外部变化发生时对风险评估进行回顾和更新 |
|
风险评估的结果文件化,年度风险评估需由领导签字形成书面文件。 |
|
针对基准风险评估结果中所有高风险的问题和发生的事故/事件暴露出的所有高风险问题进行基于问题的风险评估。 |
|
对风险评估结果中不可接受的风险制订控制措施,明确了措施实施、完成的时间和责任人。 |
|
对风险控制措施实施的效果进行测量、评估。 |
|
2.2总体风险评估 |
开展了中期(2-5年)风险评估工作 |
开展了短期(年度)风险评估工作 |
|
运行中遇到方式变化等情况时及时进行电网风险评估 |
|
在进行风险评估时充分考虑了可能发生的潜在风险:外部因素、内部因素 |
|
按照上级要求的方法开展电网风险评估分析 |
|
风险评估报告提出了以下措施建议 |
|
风险评估结果及时提供给规划、基建、运行、生产管理部门 |
|
2.3设备风险评估 |
制定设备风险评估计划 |
设备专业管理人员和技术人员参加设备的风险评估并熟悉评估方法 |
|
建立了关键设备清单 |
|
对关键设备实行了分级管理 |
|
关键设备清单定期进行回顾 |
|
对识别的关键设备进行风险评估,分析与之相关的安健环影响及故障模型,并根据分析结果制定针对性措施 |
|
评估结果文件化,经本单位分管领导签字。 |
|
每月对设备风险进行控制分析,保存分析记录并定期对分析进行回顾与更新 |
|
对设备风险预防和控制措施适宜性和有效性进行监测 |
|
2.4作业风险评估 |
对作业风险评估人员进行培训,并有培训记录或资料 |
对作业危害进行了辨识并对风险进行了评估 |
|
对作业风险采取相应的控制措施 |
|
对预防和控制措施的适宜性和有效性进行监测 |
|
对作业风险评估结果进行回顾 |
|
作业风险评估结果文件化并发布,每月对作业风险控制情况进行分析总结,并保存相关记录和资料。 |
|
开展关键任务识别与分析并编制一份关键任务清单 |
|
所有关键任务都建立作业指导书 |
|
每年变化时对关键任务进行回顾 |
|
发生变化时对关键任务进行回顾 |
|
2.5环境与职业健康风险评估 |
有环境与职业健康风险评估的具体工作计划 |
识别和评估健康危害及其影响 |
|
列出影响员工健康的危害因素清单 |
|
确定暴露于健康危害的员工人数、暴露时间及其相关风险 |
|
对识别的影响员工健康的危害因素制定相应的控制措施 |
|
列出可能造成环境影响的因素及重要的环境影响因素清单 |
|
针对识别的环境影响因素已制定了控制措施 |
|
2.6风险概述 |
依据基准风险评估结果制定风险概述,风险概述结果要运用于电网、设备、作业、环境及职业健康风险控制 |
定期或发生变化时,对风险概述进行回顾并更新 |
|
3.1应急管理与响应 |
根据公司应急预案制定应急处置方案 |
对员工进行应急培训并保存记录 |
|
自行开展或参加公司应急演练 |
|
对演练情况进行评估,必要时改进处置方案。 |
|
重要生产场所的显著处是否张贴了紧急疏散路线和紧急联系电话 |
|
3.2事故/事件管理 |
对员工进行事故/事件报告、信息传达与学习的培训 |
所发生的事故/事件都按规定得到及时报告 |
|
上级下发的事故/事件信息及时在部门内进行沟通 |
|
基层班组、生产人员是否对事故/事件信息进行针对性学习 |
|
4.1标识管理 |
对所需标识进行识别 |
将识别出的标识上报安全监察部 |
|
对标识进行检查并保留记录 |
|
向员工和承包商传达标识的意义,有资料或记录 |
|
按变化管理要求对标识进行回顾、更新 |
|
4.2划线管理 |
对所需划线进行识别 |
将识别出的划线上报安全监察部 |
|
对划线进行检查并保留记录 |
|
向员工和承包商传达划线的意义,有资料或记录 |
|
按变化管理要求对划线进行回顾、更新 |
|
4.3通风 |
对生产作业场所空气质量进行风险识别评估 |
向生产技术部上报空气质量检测需求 |
|
根据风险评估或监测结果,完善通风系统与设备、设施 |
|
为进入空气条件不能满足安全与健康要求的作业现场人员配置个人防护用品 |
|
按期对通风系统与设备、设施进行检查 |
|
对个人防护用品进行检查,并对不符合标准的个人防护用品采取有效措施 |
|
按变化管理要求对通风进行回顾、更新 |
|
4.4照明与能见度 |
对作业/工作场所照度与能见度进行识别评估 |
向生产技术部上报照度与能见度检测需求 |
|
根据风险评估或监测结果,完善照明设备、设施 |
|
按变化管理要求对照明与能见度进行回顾、更新 |
|
4.5建筑物、构筑物 |
及时报送建筑物、构筑物的缺陷 |
对本单位范围及与本单位相关的建筑物、构筑物进行识别,定期进行检查 |
|
依据风险评估结果报后勤事务管理中心。 |
|
4.6人机工效 |
就人机工效的目的和作用对员工进行培训 |
开展人机工效调查与评估 |
|
针对调查和评估的结果制定整改措施并实施 |
|
4.7内务管理 |
内务管理应按照定置管理要求实施,按标准执行内务检查 |
检查发现的问题进行有效处理 |
|
4.8消防管理 |
对火灾风险进行评估 |
按照标准和评估结果配置消防设施 |
|
在办公楼、生产场所等区域张贴消防平面布置图和火灾逃生线路图 |
|
向员工进行灭火方法、防护知识和应急处理常识的培训 |
|
对消防设施进行定期检查,对检查中发现的问题及时上报安全监察部 |
|
按照变化管理的要求,将需调整、增补的消防设施及时报安全监察部 |
|
5.1安全工器具与个人防护用品 |
对安全工器具与个人防护用品的需求进行识别、评估 |
按识别、评估情况,向安全监察部上报安全工器具与个人防护用品需求 |
|
按规定发放和存放安全工器具/个人防护用品 |
|
建立安全工器具与个人防护用品清册,明确检测、 检验与维护周期和内容,并在变化后及时更新 |
|
借用安全工器具进行登记 |
|
使用安全工器具/个人防护用品前执行检查并正确使用 |
|
按要求对安全工器具/个人防护用品进行定期检查与试验 |
|
每年或在作业过程及其他条件发生变化时,对安全工器具/个人防护用品的需求评估进行回顾和修订 |
|
5.2手工具 |
建立手工具台帐和领用、发放记录 |
按标准要求,对公用手工具进行编号并实施定置管理 |
|
落实公用手工具的检查、维护、保管责任人 |
|
按期对手工具进行检查、维护并保存记录。 |
|
每年或在作业过程及其他条件发生变化时,对手工具的需求评估进行回顾和修订 |
|
5.3特种设备 |
建立特种设备清册并明确检查、检测、检 验、维护的周期和内容 |
在设备及信息发生变化时及时更新清册 |
|
按照确定的频率和内容对特种设备进行检查 |
|
特种设备的操作人员具备资质 |
|
对特种设备的使用、检查、维护和操作人员进行安全作业培训,培训及人员取证情况报教育培训中心和安全监察部 |
|
特种设备进行检验、检测时,上报安全监察部 |
|
明确标识未经检验或检验不合格的特种设备,并分别存放,做好防止其使用的措施 |
|
5.4测试设备 |
编制测试设备清册、台帐,明确设备的检查、检测、检验与维护的周期和内容,并及时更新 |
根据规程及测试设备的要求建立操作程序,操作程序中明确正确操作步骤、风险控制措施和应急措施 |
|
对测试设备的使用、检查、维护和操作人员进行培训,并特别关注新型测试设备的培训,保存培训记录 |
|
对测试设备按期开展检查、维护、保养工作 |
|
按测试设备清册要求制定相应测试设备送检计划并按时送检 |
|
需持证上岗操作的测试设备,操作人员经过培训并持证上岗,并确保资质证书有效 |
|
测试设备存放环境满足要求 |
|
测试设备按标识状态的不同而分区存放 |
|
测试设备的资料(产品合格证书、使用维护文件、检验与检查记录、使用与维修记录、缺陷及故障记录等)完整齐全 |
|
5.5用电设备 |
编制用电设备清册,明确设备的检测、检验与维护的周期和内容并及时更新 |
根据规程及用电设备的要求建立操作程序,操作程序中明确正确操作步骤、风险控制措施和应急措施 |
|
用电设备按期、按要求开展检测与检查、维护、保养工作 |
|
5.6爬梯、平台及脚手架 |
建立爬梯、平台及脚手架清册,明确维护周期和内容,并及时更新。 |
按期、按规范、规程、标准对爬梯、平台及脚手架进行检查与维护 |
|
爬梯、平台及脚手架具有正确、明显的编号与标识 |
|
5.7机动车辆 |
建立车辆清册或台帐,明确车辆的检查、检测、维护与保养的周期和内容,并及时更新 |
按要求对派车、用车、行车、停车、修车等进行管理 |
|
机动车辆按公安交通管理部门规定进行年检、年审工作 |
|
内部车辆驾驶人员全部持证上岗 |
|
开展对驾驶行为的观察并纠正违章 |
|
6.1规划与设计 |
将本单位电网、设备风险评估纳入县级(配)网规划和建设之中,作为提出规划的依据 |
6.2施工与交接验收 |
针对工程项目进行全过程的风险分析和评估,有风险分析和评估资料 |
针对工程项目风险评估制定的风险控制措施是否在项目实施过程中得到实施和控制 |
|
对工程施工方案进行审核、会审、批准 |
|
指定工程项目实施协调与管理的责任人 |
|
施工前进行安全技术交底 |
|
对施工现场进行安全风险和质量控制的检查、跟踪和评价,对存在问题提出纠正预防措施 |
|
按照验收标准开展质量控制关键点、隐蔽工程的阶段性验收和现场交接验收、资料归档并记录 |
|
过程控制与交接验收发现问题进行书面反馈并跟踪改进 |
|
6.3新设备投运 |
新设备投运前编制相应的启动方案,并进行新设备投运前的风险分析,包括对电网、设备及人员的风险分析 |
新设备投运前编制相应的启动方案 |
|
对新设备的启动方案执行了审核、会审和批准手续 |
|
新设备接管人员接受相应培训 |
|
新投运设备技术资料、台帐的建立或更新得到完善 |
|
新投运设备运行维护所需工器具的配置 |
|
对启动过程的风险进行了有效的控制,如:1.在启动中执行了风险控制措施;2.严格按照启动方案和对应的启动操作票进行现场操作;3.对发现的问题进行了登记、报告和处理,并保存记录;4.新设备投运过程中发现的所有问题进行了跟踪处理;5.按照应急处理程序处理新设备启动过程中出现的紧急事件。 |
|
办理新设备试运行后的交接手续 |
|
对交接的设备进行运行状况检查并做好记录 |
|
6.4调度管理 |
按规定履行调度职能(包括规程、标准的宣贯、专业技术培训、指导、评价、资格认证等) |
按规定的流程、术语填写调度操作票及下达调度命令 |
|
按规定开展负荷预测工作 |
|
按规定编制并执行年、月、日电网运行方式或特殊运行方式 |
|
按规定计算、下达、执行保护(安自)定值 |
|
建立电网设备参数档案 |
|
按规定修订低周减载和事故拉闸顺位表 |
|
6.5运行与维护 |
针对管辖设备、设施执行巡检记录、表格 |
在规定场所开展运行值班和交接班工作 |
|
值班期间对事故、异常等紧急事件进行处理、报告和记录 |
|
值班期间对交接班、值班日志、接发令、工作许可、运行数据等进行记录并做好资料文件归档 |
|
运行值班的值班方式、交接班、值班人员着装、工作许可手续办理符合要求,接发令使用标准术语和履行复诵制度。 |
|
开展设备、设施的日常、定期和特殊巡检工作 |
|
对巡检、维护中发现的问题及时进行记录和报告 |
|
紧急事件及时进行处理和报告 |
|
每年对电气操作人员进行安全知识和技能培训、资格考核并公布其资质 |
|
电气操作前进行了操作风险分析 |
|
电气操作执行操作票,操作前是否进行模拟操作 |
|
电气操作过程执行监护、复诵和记录 |
|
每月对操作票进行检查、回顾并提出改进措施 |
|
定期对运行值班工作的质量进行检查、回顾并提出改进意见 |
|
6.6设备管理 |
按照管理标准对设备生命全过程的技术档案和图纸资料、设备运行技术数据进行收集、登记、更新管理 |
依据设备风险评估结果,按照年度、月度计划有序进行设备的检修改造、预试定检 |
|
在检修改造、预试定检后,对效果进行验收与评价 |
|
对设备缺陷进行了登记、报告、确认、处理、验收和统计分析 |
|
对设备的运行状况进行综合和专题分析并对分析结果进行应用 |
|
6.7作业过程控制 |
是否根据作业任务及其风险准备书面作业文件,如:操作票、检查或验收等记录表格、作业所需的图纸资料 |
针对作业匹配了以下资源:人力资源;安全工器具和个人防护用品;安全标识。 |
|
对作业相关人员进行培训、考核并公布资质。 |
|
执行作业前的风险分析和作业许可 |
|
按照作业的要求实施现场安全技术措施、个人安全防护措施以及设置安全标识 |
|
对执行任务观察人员进行正确观察方法及作用的培训 |
|
按计划进行了任务观察、对观察结果进行统计分析并提出针对性的改进意见 |
|
根据任务观察结果分析确定人员培训、作业方法与流程改进、管理工作标准修订的需求 |
|
任务观察时对好的行为给予表扬和固化 |
|
开展作业现场安全检查 |
|
6.8隔离闭锁系统 |
根据标准对设备或能源进行隔离闭锁及挂标示牌 |
就如何正确执行闭锁程序对员工进行培训 |
|
对隔离闭锁执行情况进行检查 |
|
对使用计算机程序代替人工闭锁的风险进行评估并采取了防止误动的技术措施和管理方法 |
|
多项作业涉及同一个闭锁点时进行重复闭锁 |
|
解锁执行报告、审批、核对和记录要求 |
|
每月对隔离闭锁装置进行检查、维护,并对发现缺陷及时报告和处理 |
|
隔离闭锁系统的解锁钥匙实行定置管理 |
|
当闭锁失效或无法实现闭锁时,采取相应的控制措施 |
|
隔离闭锁系统与设备同时投入运行 |
|
隔离闭锁的执行和解除记录详细、完整 |
|
解除隔离闭锁的报告、批准符合标准要求 |
|
每年对隔离闭锁系统的执行情况、系统的有效性、适宜性和充分性进行检查和回顾,并提出改进措施 |
|
6.9采购与仓储管理 |
物品入库前进行了检验、验收并建立入库记录 |
对仓储人员进行防火防爆、人机工效、货物堆放等知识的培训 |
|
对储存点的防火、防潮、防变形、防腐蚀、防渗漏等措施进行检查 |
|
对仓库进行功能分区、分类并标识 |
|
物品存放或搬运符合人机工效 |
|
物品存放与仓库标识对应,物品与记录相符,物品的堆放符合安健环要求 |
|
仓储区域巡查记录齐全,发现问题得到及时处理 |
|
物品发放、领取、出库及运送的记录 齐全、完整 |
|
对物品搬运和运送过程中的风险进行评估并采取预防和控制措施 |
|
按照先进先出的原则进行物品发放并记录 |
|
结合产品在生产现场的应用情况对产品质量进行跟踪并建立跟踪记录 |
|
剩余物品与废料的处理符合标准规定 |
|
7.1职业健康系统 |
识别本单位涉及的职业健康危害 |
将职业健康监测需求报上级部门 |
|
与食品加工相关的健康风险进行评估并制定控制措施 |
|
为存在职业健康危害的场所配置急救设施和药品 |
|
做到定期检查急救箱并申请补充急救用品 |
|
配置接受过健康与急救知识培训急救员,并持有急救合格证 |
|
张贴标示急救设施位置与急救员名单 |
|
7.2危险物品与废料管理 |
明确危险物品管理的责任部门、人员及职责 |
对所使用的危险物品进行识别并建立清册,并根据采购与使用情况,及时回顾与更新危险化学物品清册与MSDS清单 |
|
下列场所有安全数据清单(MSDS):危险物品使用部门,采购部门,安健环管理部门,消防管理部门,仓库或贮存地点 |
|
MSDS信息融入作业指导书 |
|
构成重大危险源的危险物品仓库取得储存许可证,并定期年审 |
|
所有使用危险物品的人员经过培训,了解物品的危害、处理程序及个人防护用品的正确佩戴 |
|
危险物品仓库满足要求 |
|
实行剧毒物品管理及危险物品的出入库管理,履行审批手续,建立完整记录 |
|
所有危险化学品仓库通风、防火、保安、应急等系统按标准要求进行了检查 |
|
明确废料管理的责任部门、人员及职责 |
|
为废料提供足够和合适的垃圾桶或容器 |
|
危害废料与普通废料分开存放且有明显的标识 |
|
存储窗口与存放区应标示,危害废料应张贴危害信息 |
|
废料报相关部门定期清理 |
|
建立和保存危害废料处理信息的记录 |
|
8.1员工选聘 |
编制所有工种人员(包括临时工)的岗位说明书 |
对岗位说明书进行回顾,必要时进行修编 |
|
根据安全生产工作需要及职业健康分析评估结果制定员工需求计划 |
|
对不适宜岗位要求的员工进行调整 |
|
按期跟踪选聘员工,评估员工与岗位要求的相适应性 |
|
8.2能力培训 |
进行培训需求调查 |
开展培训需求分析,分析时参考岗位要求、员工行为表现、培训需求调查、风险评估与变化管理结果 |
|
根据培训需求分析编制培训计划 |
|
按照计划开展培训,并保存相关记录 |
|
相关人员的安全培训课时满足要求 |
|
员工脱离岗位超过规定时间后,重新上岗前进行培训 |
|
特种作业人员有关考核合格,并取得特种作业操作证 |
|
收集领导、管理人员和员工对培训效果的反馈 |
|
跟踪评估培训内容的针对性,分析培训方法是否适当 |
|
采用考试、接受培训后3个月的现场跟踪等方式评估培训效果 |
|
将员工培训后在现场应用的能力纳入任务观察计划中 |
|
每年对培训需求、培训计划进行回顾、更新 |
|
9.1检查 |
有安全区代表检查工作计划 |
开展安全区代表检查,并保存相关记录 |
|
对标准中要求的内容进行按时检查:如车辆、安全工器具与个人防护用品、用电设备等。 |
|
对涉及人身安全的工器具,在使用前进行例行检查 |
|
按照公司相关要求、通知开展检查,针对检查中发现的问题开展持续的风险评估 |
|
对检查的结果进行统计、分析 |
|
对检查发现的突出问题,及时提出控制建议或纳入纠正预防系统进行整改,并落实控制措施与相关部门、人员进行,对纠正预防措施情况按照1.12要求进行沟通 |
|
检查发现的问题做到闭环控制 |
|
9.2审核 |
针对管理评审中发现的涉及本单位的问题按照要求,拟定整改措施和计划进行整改和落实。 |
针对审核中发现的涉及本单位的问题按照要求,拟定整改措施和计划进行整改和落实。 |
|
10.1其他 |
秋冬季四防(防小动物、防火、防污闪、防覆冰)工作的布置落实情况 |























































































