
据@宁波消防 微博消息,2021年5月6日3时14分,宁波科元精化股份有限公司生产装置发生爆燃,目前火势已控制,现场无人员伤亡,事故原因正在调查中。

5天假期10起事故25死27伤!
事故一:5月1日,东莞一工厂发生有限空间作业窒息事故,4人死亡!
5月1日16时许,位于广东省汕尾市区的信利半导体有限公司组织对第二厂区26号厂房1楼D1水房RO水箱清洗过程中发生有限空间窒息事故,造成正在该水箱内作业的外委单位4名作业人员死亡。
事故原因分析:4名作业人员在进入水箱作业前未落实有限空间作业安全管理“先通风、后检测、再作业”等要求,冒险进入氧含量不足(救援时检测氧含量为7.5%)水箱内作业而窒息死亡
事故二:5月1日,辽宁抚顺一大货车侧翻,导致小车内一家三口死亡!
5月1日,辽宁省抚顺市望花区盘山街与S106省道交叉路口,一辆满载沙子的大货车右转弯时发生侧翻,将一辆正在等信号灯的私家轿车被压在车下,轿车被沙子所埋。轿车内一家三口当场死亡。
经查明,驾驶人鄂某某驾驶的重型平板货车涉嫌超载,导致转弯时侧翻,将正在等信号的小轿车埋压,造成车内3人死亡。
事故三:5月1日,包茂高速一隧道内发生交通事故,4死1伤!
5月1日11时19分许,G65包茂高速进城方向接龙隧道内(1609KM+320M处)发生涉及8车的道路交通事故,造成4人死亡,1人受伤。
事故四:5月2日,某电厂发生触电事故,1人死亡!
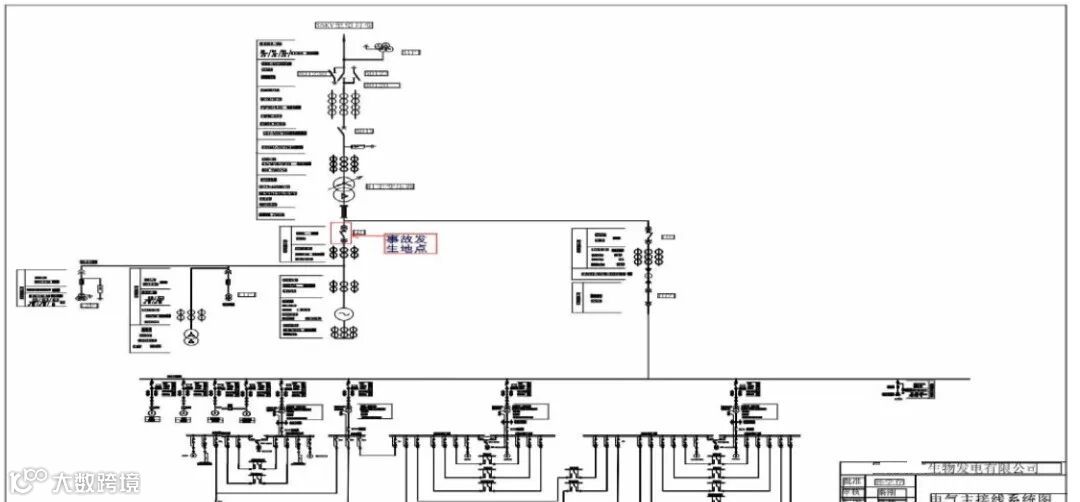
2021年5月2日,安徽某生物发电公司当值电气运行人员在进行发电机并网前检查过程中,发生一起人身触电事故,造成1人死亡。
5月2日,安徽某生物发电公司机组C级检修工作全部结束,锅炉已点火,准备进行汽轮机冲转前的检查确认工作。1时40分左右,电气副值曹某、孟某在进行发电机并网前检查过程中,发现发电机出口开关101柜内有积灰,遂进行柜内清扫工作,1时46分,曹某在强行打开柜内隔离挡板时,触碰发电机出口10kV开关静触头,导致触电,经抢救无效死亡。
附件:安徽某生物发电公司事故现场设备照片

101手车开关

发电机出线小间

擦拭用并带有放电痕迹的抹布

101手车开关柜触电位置

安徽某生物发电公司电气主接线图
事故五:5月2日,突发一起水上交通事故,1死16伤!
5月2日12时许,刘家峡水库发生一起水上交通事故,1名重伤人员经抢救无效遇难,16人受伤。目前,其余受伤人员正在当地医院接受检查和治疗。
2021年5月3日下午4时30分,广西柳州市融安县长安镇红卫路某木业公司在维修液压机过程中发生爆燃事故,致1人死亡3人受伤 。目前,受伤人员已送医院救治,事故原因正在进一步调查中 。
事故七:5月3日,浙江沿练高速6车相撞,6死3伤!
2021年5月3日21时11分许,河南省杞县驾驶人王某某驾驶牌号为豫PL3827/豫P6A00挂的重型半挂货车(装载15根工字钢,每根长12.1米、重2.2吨),沿练杭高速公路由南向北行驶至浙江湖州段1公里加200米处时,追尾碰撞前方缓行的沪AFG7595号小客车、赣E3U095号小客车、鲁Q986GH/鲁Q9UF7挂号重型半挂货车、苏E3Y29M号小客车、苏EHJ216/皖KGE01挂号重型半挂货车等5辆车,共造成6人死亡、3人受伤。
经初步调查,豫PL3827/豫P6A00挂号货车上装载的15根工字钢未捆扎未固定,在追尾碰撞过程中因惯性作用冲破货车驾驶室,砸中前面的两辆小客车,导致货车驾驶人王某某及两辆小客车上5人死亡、3人受伤。
2021年5月3日9时25分许,宁夏彭阳驾驶人马某龙驾驶牌号为宁AA3813的大客车,沿京藏高速公路由北向南行驶至1258公里4米处时,与前方宁夏西吉驾驶人马某远驾驶的宁AS286J号小客车(核载7人、实载7人)追尾碰撞,造成小客车上4人死亡、3人受伤。经初步调查,小客车驾驶人马某远在驾车错过高速公路出口后违法在高速公路行车道停车并准备倒车,是引发事故的重要原因。
5月4日上午,位于陈仓大道的宝鸡智博学校,在建工地发生险情,一名建筑工人在井下刷防水涂料时,昏倒在井下。
经消防队员救援后紧急就医,目前该工人已无生命危险,据事后联系得知由于防水涂料中含有二甲苯,本身具有低毒性加之井内空间狭小,高温天气下长时间作业,导致人员昏迷!
事故十:5月4日,某钢厂员工违规吊装作业,被砸身亡!
2020年5月4日某镍铁冶炼项目公辅设施系统煤气发电系统设施工程EPC总承包单位XX华天分包方XX建设普工肖某(男,42岁)与索某、张某、贾某共四人,在煤气发电工程2#锅炉安装现场使用卷扬机吊装栅格板平台(重约200kg)。在作业过程中,肖某为更好的配合吊装作业,进入钢丝绳运行的危险区域内,站在吊物的侧下方;此时东北角用于固定转向定滑轮的12#槽钢吊耳处突然撕裂,造成转向定滑轮挂钩脱落,转向定滑轮随受力的钢丝绳回弹击中肖某身体,其在被击倒落地时头部右侧磕到地面的槽钢,导致身体多处受伤,后经抢救无效宣布死亡。
附件:隐患排查治理培训
















































































