BMS 是电池产业链的重要组成部分
电池产业链涵盖电芯、电池模组、电池包(Pack)等不同制造阶段。电芯是电池最小储能单元;多个电芯封装后形成电池模组;多个模组在BMS和热管理系统协同下构成电池包。Pack工艺指将电芯集成至最终电池包的过程,通常也代指电池包本身。
电池包主要由电芯、BMS、连接器、热管理组件和结构件组成。电芯与线束、PVC膜等构成模组,再结合BMS形成完整电池系统。动力电池中,热管理系统通过风冷、水冷等方式控温,确保电池工作在适宜温度区间;电气系统则由高压/低压线束、继电器等构成,负责能量传输与信号控制。
电池Pack技术受下游需求驱动,广泛应用于消费电子、新能源汽车等领域。按形状可分为圆柱、方形、软包等类型:圆柱电池良率高、成本低,但对BMS要求更高;方形结构利于保护电芯;软包能量密度高但寿命较短。中国电池Pack行业历经笔电、手机、智能设备时代,消费类已成熟,动力类自2012年后快速发展,受益于“汽车三化”趋势,市场潜力巨大。
动力电池需求高涨助推电池 pack 市场高景气,BMS 持续受益
电芯和BMS是电池Pack的核心部件,占成本约72%。BMS技术复杂,涉及电池、整车、电子、通信、可靠性等多个领域,专业门槛高。上游供应商集中度较高,中游包括消费类与动力类Pack企业,下游面向3C、新能源车企等应用终端。
我国消费电子电池产业链成熟,龙头企业如德赛电池、欣旺达占据全球主要份额;动力电池则处于快速成长期,技术密集度高,自动化程度高。随着新能源车渗透率提升,动力电池装机量持续增长。据中商产业研究院数据,2017–2021年中国动力电池装机量年均复合增速达43.5%,预计2022年将达229.9GWh。
BMS 涉及多类型芯片,市场空间广阔
BMS 系统充当电池管家、保姆角色,电池计量 IC、电池安全 IC、充电管理 IC 各司其职
BMS(Battery Management System)是锂离子电池的“大脑”,负责监控、协调电芯状态,实现电压、温度、短路、过流、绝缘等多重保护,并管理电芯均衡与对外通信。系统由PCB、元器件和嵌入式软件构成,核心为电池管理IC(BMIC)。
BMIC主要包括电池计量芯片、电池安全芯片和充电管理芯片。其中,电量计IC采集电压、电流、温度数据,通过库仑积分与建模算法计算电量(SoC)和健康度(SoH),并通过I²C/SMBus等接口与主机通信。其性能依赖三大核心:高精度硬件采样、先进算法建模、可靠固件实现。
Pack-side电量计因直接采样电芯电压,测量更精准,有利于提升充放电控制与保护精度;同时支持加密认证,综合成本更低,校准更便捷,开发周期短,且在可插拔场景下数据不丢失,优势显著。
充电管理IC负责电池充放电控制,支持预充、恒流、恒压等模式,有效延长电池寿命。根据工作模式可分为开关型(高效、大电流)、线性型(小功率、低成本)和开关电容型(效率高达97%以上,但输出电压受限)。快充方案多采用开关模式,兼顾效率与灵活性。
BMS下游应用包括消费电池(3C)、动力电池(电动车)和储能电池,其中动力电池占比最高(2020年达54%)。BMS以电池管理IC为核心,芯片技术成为产业链关键。
计量芯片价值最高。消费电子多采用SoC集成方案,而动力电池因AFE与MCU工艺不同,普遍采用分立芯片架构。BMS芯片方案通常包含MCU、AFE、数字隔离器等。AFE负责采集电压并转换为数字信号,MCU用于计算SoC、SoH等参数,数字隔离器则保障高低压间通信安全。
目前TI、ADI等欧美厂商主导BMIC市场。但在消费电子领域,国内厂商已在主流手机、TWS耳机等市场实现国产替代,并向笔记本、电动工具等领域拓展。动力电池BMS芯片仍处初步布局阶段,技术门槛高,尤其车规级AFE、ADC、MCU依赖进口。近期TI等国际厂商缺货涨价,交期延长,叠加国内“汽车三化”推进,为国产BMS芯片带来替代机遇。
全球BMS市场规模稳步增长。据前瞻产业研究院,2020年中国BMS市场需求达97亿元;预计2026年全球BMS市场规模将达131亿美元,年均复合增速15%。Mordor Intelligence预测,2024年全球电池管理芯片市场规模将达93亿美元,前景广阔。
国产替代逻辑清晰:一是技术突破,消费类BMIC已具备国际竞争力,车规级正加速研发;二是产业链优势,中国拥有完整的电池生态,国产Pack厂全球领先;三是政策扶持,国家大力支持汽车电子与BMS芯片发展,推动自主可控进程。
消费电子:快充、5G、智能水平提升等助力 BMIC 快速发展
手机:快充和 5G 趋势尽显,对高性能 BMIC 提出更高、更迫切需求
智能手机普遍采用锂离子电池,BMS全程管理充放电过程,防止过充过放,延长电池寿命。典型充电过程分为四个阶段:恢复性充电、恒流快充、恒压充电、涓流细充,均由BMS监控完成。
快充技术缩短充电时间,已成为旗舰机标配。实现快充需满足三大要素:充电器、电池、Charge IC。当前主流快充功率达18W–45W,远高于传统5–10W充电器。BMS在快充第二阶段降低充电速度,避免电池损伤,是大功率充电的核心保障。
手机轻薄化与续航矛盾突出,厂商通过快充弥补电池容量限制。多数国产旗舰机快充达40W以上,需匹配专用充电头与线材。安卓快充线通常含5根导线,其中数据线用于充电头与BMS芯片通信。
苹果、小米、华为等品牌相继取消附赠充电器,转向快充配件市场,推动用户单独购买快充设备。此举释放了数十亿规模的PD快充配件需求,进一步拉动BMS芯片市场增长。
5G手机功耗显著提升,据测算比4G高出20%–30%。多摄、高刷新率屏幕、高性能CPU等配置加剧能耗,促使电池容量向4500mAh迈进。高功耗对BMS芯片的精度、功耗、响应速度提出更高要求。
5G普及与快充渗透共同驱动手机BMS芯片需求。据赛微微电招股书,高端智能手机平均搭载4颗以上BMIC,涵盖电量计、保护、充电管理等功能,单机芯片用量持续上升,市场迎来新增长动能。
笔记本电池通常由多节电芯串联组成(如6芯、8芯),BMS需管理充放电、防过热。高温环境下电池老化加速,45°C时寿命仅为20°C时的一半。典型方案包含1颗安全芯片、1颗计量芯片、1颗充电管理芯片及1–2颗限流开关芯片。
平板电脑轻薄化趋势对BMS芯片提出更高要求,在有限空间内需实现低功耗、高效率、高精度、大功率的综合性能。其芯片方案与笔记本类似,通常包含安全、计量、充电管理三类芯片。

Frost & Sullivan数据显示,2020年全球笔记本出货达2.2亿台,受远程办公推动创新高,未来几年将保持小幅增长。平板电脑受智能手机替代影响,预计2025年出货量约1.3亿台,整体市场趋于稳定,BMS芯片需求同步趋稳。
智能手表:功能多样化催生电池管理芯片需求进一步提升
智能手表采用“蓝牙SoC+MCU+多IC”架构,主控芯片成本占比约30%。健康监测、通话、GPS等功能增加功耗,对续航提出挑战,进而提升对BMS芯片性能的要求。
Apple Watch等产品推动智能手表向医疗级功能演进,心电图、跌倒检测等功能提升系统复杂度。随着出货量持续增长,苹果、三星、华为等主导市场,BMS芯片市场规模有望同步扩大。
TWS 耳机:续航能力等性能提升增加 BMIC 芯片需求
TWS耳机包含三颗电芯(充电盒1颗、耳机2颗),BMS芯片负责充电盒电池充电、升压输出为耳机充电,提升充电速度、精准控压控流。耳机端空间受限,逐步采用高能量密度扣式电池。
动力电源:高压平台对动力用 BMIC 提出更高要求
动力电池需要高可靠、绝对安全,市场空间更大也更具挑战性
电动汽车通常采用数百节电芯串并联,电压可达800V以上,对BMS提出极高要求。BMS需实时监控电压、电流、温度,防止热失控引发起火。据头豹研究院,2020年电池故障导致的起火事件占比达33%,凸显BMS在安全管控中的关键作用。
动力电池强调电芯一致性,BMS通过电压监测与均衡功能调节差异。当某节电芯严重衰减时,BMS可切断主回路保险丝,永久禁用该电池,保障系统安全。
动力电池包由“电芯→模组→Pack”三级构成,集成BMS与冷却系统。以典型电动车为例,6720节电芯由8颗BMIC芯片监控,每颗监控12个节点,采用ADI MAX17843芯片,单价约9.32美元,总储能达100kWh。
国产动力电池Pack成本仍高于国际水平,占整车成本40%–50%,制约新能源车普及。Pack定制化程度高,BMS、热管理、集成效率等技术要求严,行业标准化有待提升。宁德时代等头部企业追赶国际先进水平,中小厂商技术参差。
动力 BMS 系统及芯片技术门槛高、认证壁垒高,国内企业加大研发布局
动力BMS连接电池与整车控制系统,通过CAN总线与电机控制器、能量管理系统等实时通信。相比消费类,动力BMS需应对高温、震动环境,处理多路信号,对可靠性要求极高。
核心技术包括:高精度电压/电流/温度采集、SoX估算(SOC、SOH、SOP)、充放电策略控制、热管理、均衡管理、故障诊断与底层软件开发。领先企业SOC估算精度可达3%,国内一线厂商约5%。
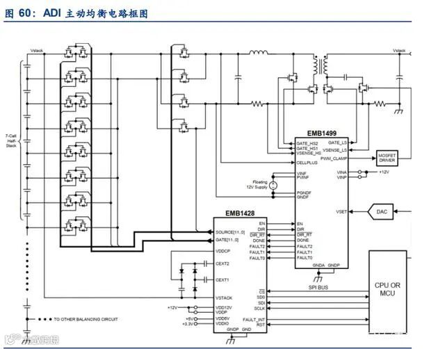
未来技术趋势包括分布式架构、主动均衡、集成化、智能化。主动均衡效率高、能耗低,虽成本较高,但长期看将逐步替代被动均衡。无线BMS方案兴起,ADI、TI已推出经功能安全认证的无线解决方案,减少线束依赖,提升系统可靠性。
我国汽车BMS经历技术探索、验证、大规模应用三阶段,正从“保护型”向“智能型”转变。行业存在技术、认证、品牌、人才、服务五大壁垒,车规级芯片需符合AEC-Q100、ISO 26262标准,部分应用需达到ASIL-D最高等级认证。
汽车 BIMC 主要硬件电路:主动均衡、AFE、MCU、隔离电路等
AFE(模拟前端)集成传感器接口、信号调理、多路开关、ADC、缓存与控制逻辑,负责采集电池电压、电流、温度等关键参数,是BMS感知层的核心。
电池不一致会导致电压偏差,影响性能与寿命。均衡技术分为主动与被动两种:主动均衡转移多余电量,效率高、能量回收;被动均衡通过电阻耗能,成本低但效率较低。未来主动均衡将成为主流。
MCU承担继电器控制、SoC/SoH估算、均衡管理、数据采集与存储等功能,需通过AEC-Q100、ISO 26262认证。车规级MCU对可靠性、寿命(15年以上)、零失效、功能安全要求极高,供应链稳定性强。
隔离器件保障高低压电路间安全,阻断共模干扰与浪涌。技术路线包括光耦隔离与数字隔离,广泛应用于新能源汽车、工业控制等领域,确保系统安全与通信可靠性。
供给端:整车厂、电池企业、第三方 BMS 厂商共同参与
BMS产业链已形成整车厂(比亚迪、吉利)、电池企业(宁德时代、国轩高科)、第三方专业厂商(科列技术、均胜电子、亿能电子)共同发展的格局。2021年装机数据显示,市场集中度较高,第三方参与者多但技术水平不一。
BMS有助于延长电池寿命,但需持续降本增效。电池成本占新能源车40%,BMS及热管理系统占电池成本10%。MCU、AFE、隔离芯片等核心部件仍依赖进口,国产化空间大。
需求端:受新能源车渗透率快速提升, BMS 行业“水涨船高”
新能源车由电机、电池、电控三大系统构成,BMS是电池系统核心。随着主流车企推进电动化,长续航、高能量密度、优充放电成为竞争焦点,对BMS提出更高要求。
CTP(Cell to Pack)技术省去模组环节,提升体积利用率与生产效率,降低零部件数量约40%。比亚迪刀片电池与宁德时代CTP为代表,推动BMS需求增长。
磷酸铁锂电池因安全性高、成本低,装机量已反超三元电池。其单体容量大、数量少,BMS管理难度较低,可能在一定程度上降低高技术门槛BMS的需求。
储能设备:BMS 是储能系统核心组件
储能电池通过电化学方式储电,主流技术为锂离子电池(占比90%),包括三元锂、磷酸铁锂等。应用场景涵盖发电侧(调峰、并网)、电网侧(调频、黑启动)、用户侧(工商业储能)、微电网等。
相比动力电池,储能电池对循环寿命、安全性、成本要求更高,高循环寿命将成为发展趋势。
BMS在储能系统中负责监测、评估、保护与均衡电池。系统由电池组、BMS、EMS、PCS等构成。成本结构中,电池占60%,PCS占20%,EMS占10%,BMS占5%。
储能BMS采用三级架构(电芯级、簇级、系统级),提升一致性管理能力。具备双向主动无损均衡功能,均衡电流可达5A,效率超80%,可识别异常电芯并预警,延长系统寿命。
文章来源于安信证券,作者为马良,本公众号基于分享的目的转载,转载文章的版权归原作者或原公众号所有,如有涉及侵权请及时告知,我们将予以核实并删除。