抢答器广泛应用于各类竞赛场景,通常采用单片机或专用控制板实现。对于工控从业者或学习者而言,使用PLC实现抢答功能同样具有实用价值。本文将详细介绍基于PLC的抢答器系统设计与实现方法。
一、控制要求
- 三组选手分别对应:1号选手小明、2号选手小芳、3号选手小红。
- 主持人按下确认按钮后方可抢答,否则触发警铃。
- 抢答限时10秒,超时抢答无效并触发警铃。
- 遵循“先入为主”原则,首位抢答成功后其余输入无效。
- 警铃持续时间为10秒,时间到达后自动停止。
二、PLC外部I/O地址分布表

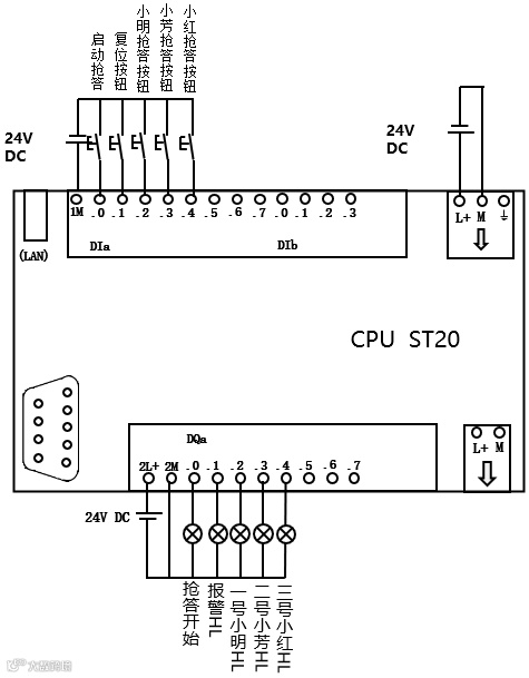
三、PLC外部硬件接线(ST20)

四、程序设计
主持人抢答确认与计时控制

选手抢答控制逻辑


抢答报警控制逻辑

五、MCGS画面设计
变量地址配置

人机界面布局设计


