搜索
首页
大数快讯
大数活动
服务超市
文章专题
出海平台
流量密码
出海蓝图
产业赛道
物流仓储
跨境支付
选品策略
实操手册
报告
跨企查
百科
导航
知识体系
工具箱
更多
找货源
跨境招聘
DeepSeek
首页
>
电工面试经典案例,你能这样答出来吗?
>
0
0
电工面试经典案例,你能这样答出来吗?
新质力电气
2022-05-17
2
前不久一个同行朋友应聘面试电工的时候,面试的公司给他出了几道题。首先来说这个公司是朋友盼望已久的公司,待遇各方面条件都非常不错,工资薪金也高,所以他非常重视这次面试,脑海中也想象了无数个面试的场景。如他所想面试和笔试一样,都是需要答题!最终朋友在众多面试人中,以面试第一应聘成功,直接签订合同,工资起步8000RMB,这在电工行业初进公司也算高的!以后表现好每年再加1000元。
那我们来看看到底面试出的什么题?题目如下:
1、为什么要使用星三角降压启动?星三角降压启动原理?
2、画出星三角降压启动的主电路和控制电路并讲清它的运行步骤。
那我们这位朋友是怎么回答的,有什么特别的,为何受应聘官这么器重?来看一下他的答案!
答:
因为电机直接启动时电流过大,所以使用星三角降压启动。
星三角降压启动原理为,电机启动时,将定子绕组接成星形,以降低各相绕组的电压,三相W2\U2\V2进行短接,其实把它看做为一点,(也就是我们所说的中性点)启动时每个绕组上的相电压为220V。(也就是U1/V1/W1各和这个中性点之间电压各为220)随着电机转速的升高通过延时继电器延时一段时间后,约几十秒钟达到一定的转速后,在电气开关作用下把六个接线端子转换成三角形连接并再次接到380V电源,每相绕组电压为380V,转矩和转速大大提高,电动机进入额定三角形条件下的运行过程。
转速只与频率和电机的级数有关,Y接和△接转速都一样。转矩和转速大大提高,电动机进入额定三角形条件下的运行过程。星接照样能达到额定转速,只是电机扭矩小而已。
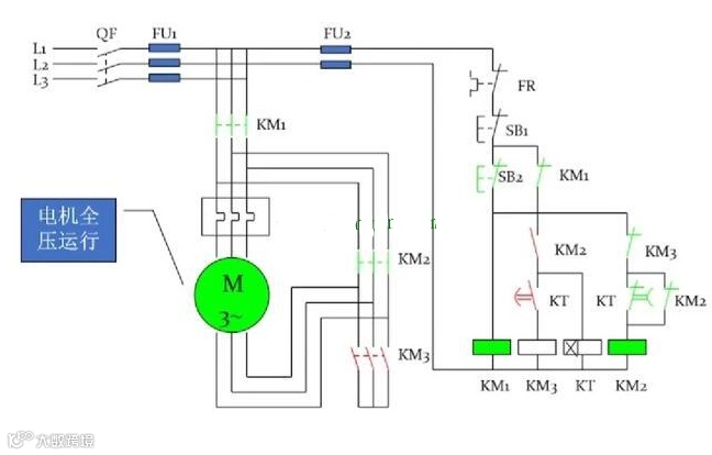
如图所示主电路为:
可以看出,主电路星型接法就是U2/V2/W2短接,而三角形接法U1和W2、V1和U2、W1和V2首尾相接。
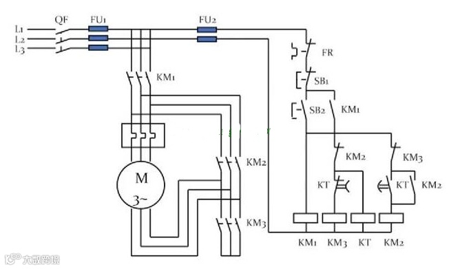
再看控制电路:
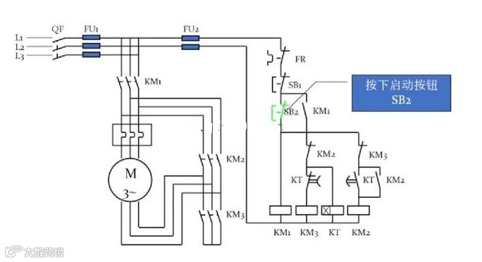
第一步按下启动按钮SB2;
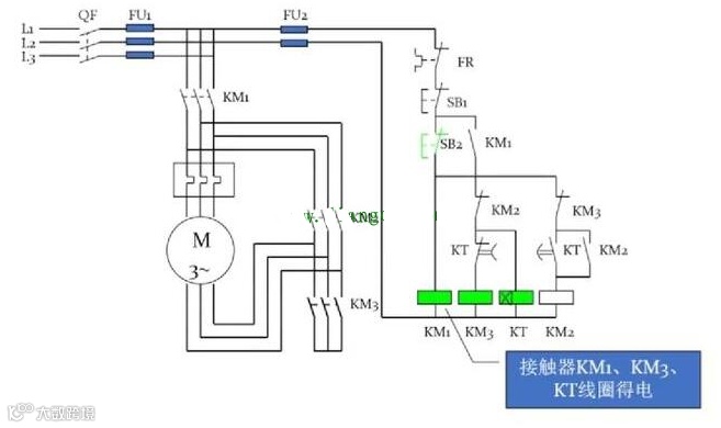
主交流接触器KM1、星型交流接触器KM3和时间继电器(或者延时继电器)KT线圈得电。得电后主电路KM1接通,KM3运行互锁切断三角形接法KM2不能运行,只能启动运行星型接法KM3,延时继电器KT运行开始计时。
运行一段时间后,KT计时到点后切断KM3星型,使KM3断电,KM3断电后接通互锁KM2线圈得电三角运行。
KM2三角得电后,切断互锁的KT和星型的KM3线圈电源,保持主电路KM1和KM2三角形线圈吸合电路长期运行。
要想关闭电路,只需按下SB1按钮,切断所有线圈电源,电机停止。
同行朋友这样答完后,应聘官看后高度赞扬:“嗯不错!我不懂电路的也会星三角降压启动了,哈哈哈,明天就来上班!”
(来源:网络
,版权归原作者)
【声明】内容源于网络
0
0
新质力电气
智启AI未来,赋能电气创新!聚焦电力科技前沿,解码新质力电气趋势。关注我们,与变革者同行,让创新电流永不停息!⚡️
内容
694
粉丝
0
关注
在线咨询
新质力电气
智启AI未来,赋能电气创新!聚焦电力科技前沿,解码新质力电气趋势。关注我们,与变革者同行,让创新电流永不停息!⚡️
总阅读
589
粉丝
0
内容
694
在线咨询
关注