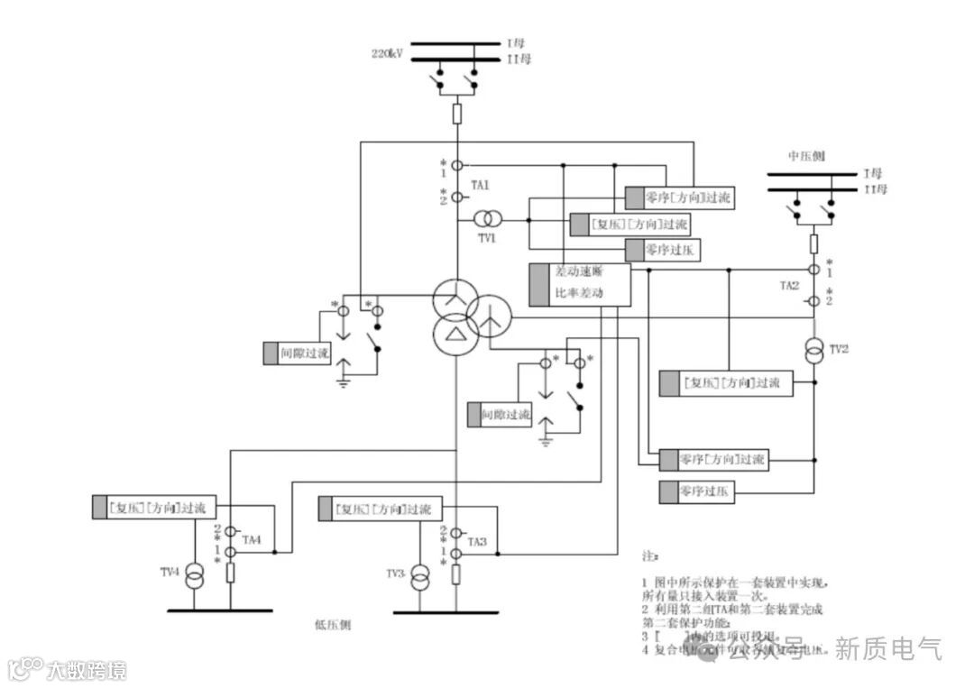
今天分享变压器保护原理与配置方法_02课件,建议学习收藏~


















































以上为部分内容预览~

END
------------------------------------------------------------------------------------------------------------------------------------------------
新质力电气今天分享变压器保护原理与配置方法_02课件,建议学习收藏~


















































以上为部分内容预览~

END
------------------------------------------------------------------------------------------------------------------------------------------------