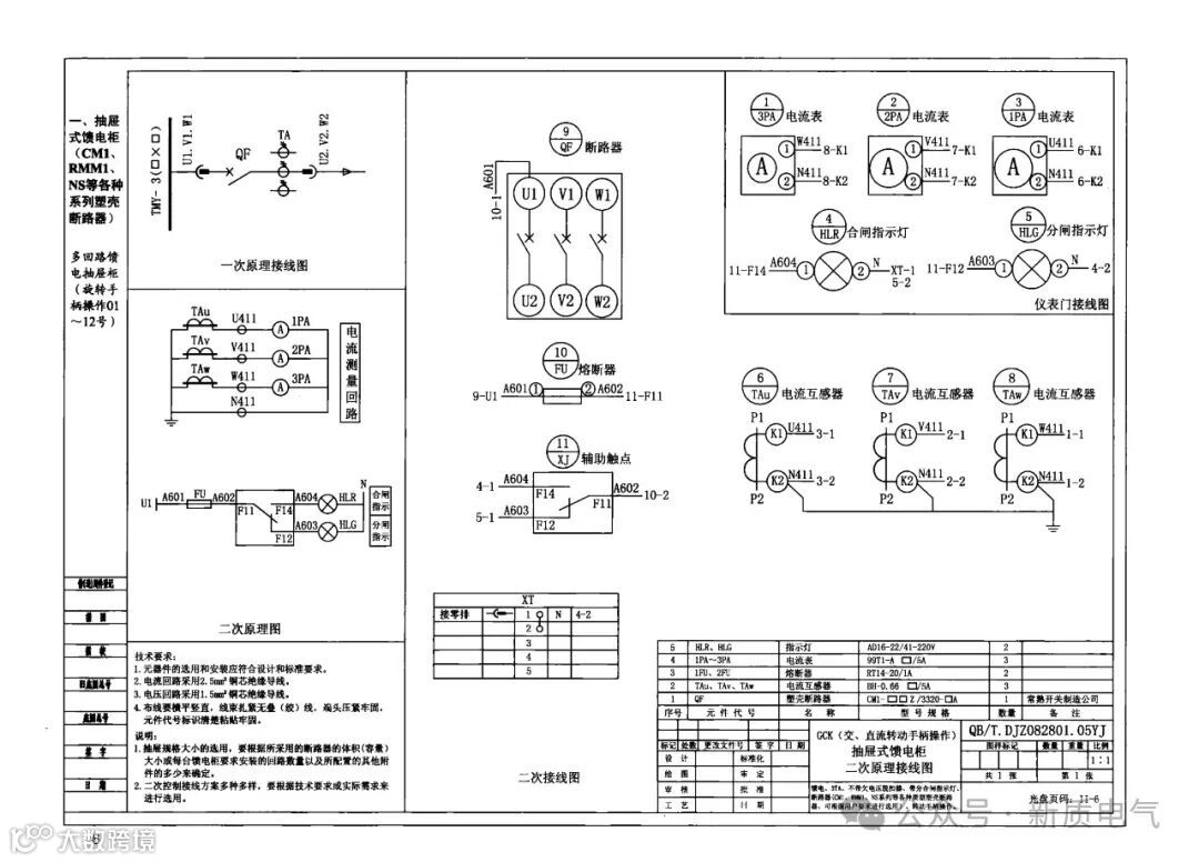
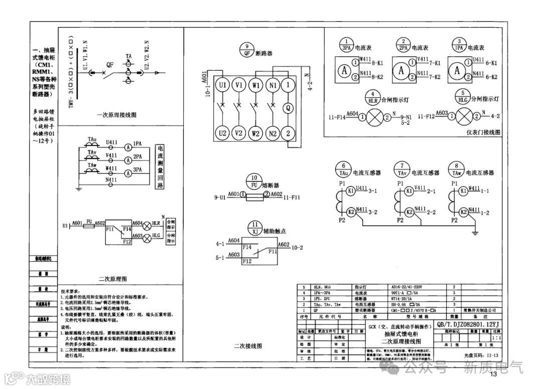
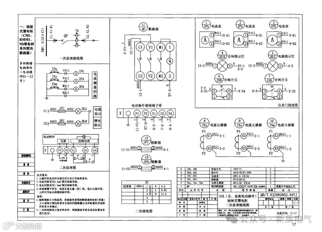
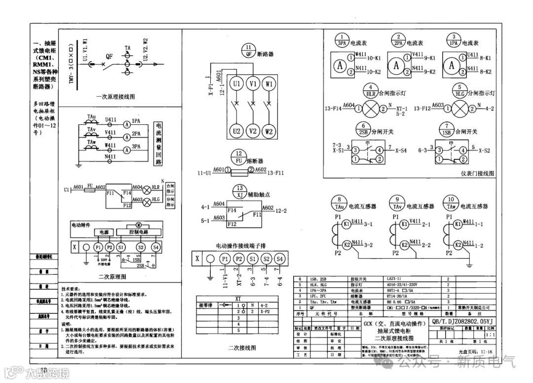
今天分享低压成套馈电及电控设备二次回路工程图集,建议学习收藏~





















END
------------------------------------------------------------------------------------------------------------------------------------------------
新质力电气今天分享低压成套馈电及电控设备二次回路工程图集,建议学习收藏~





















END
------------------------------------------------------------------------------------------------------------------------------------------------