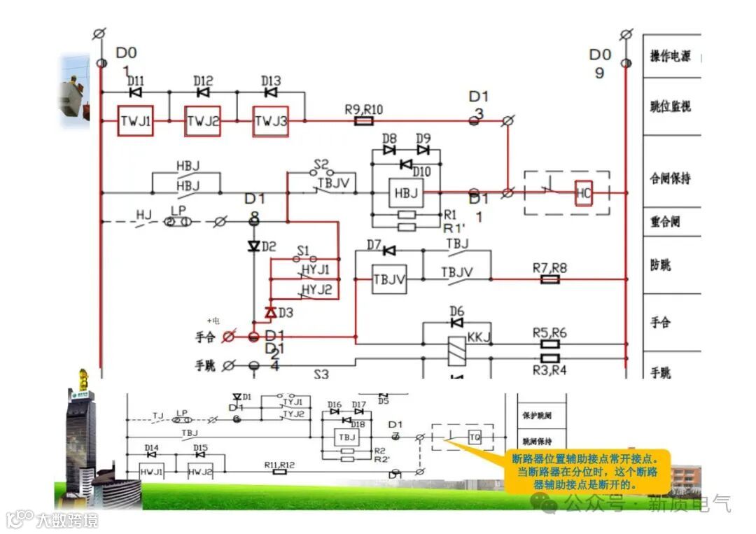
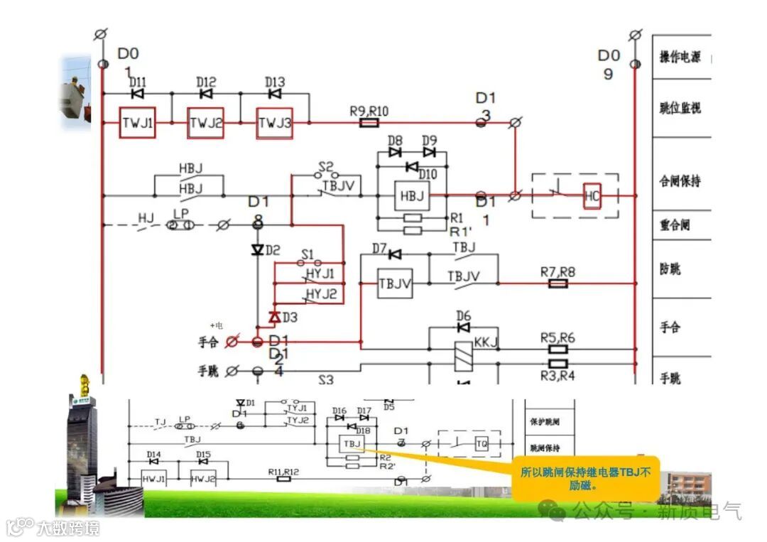
今天分享电气二次识图课件,建议学习收藏~




























































以上为部分内容预览~

END
------------------------------------------------------------------------------------------------------------------------------------------------
新质力电气今天分享电气二次识图课件,建议学习收藏~




























































以上为部分内容预览~

END
------------------------------------------------------------------------------------------------------------------------------------------------