点击上方
1、普通电流互感器结构原理
电流互感器的结构较为简单,由相互绝缘的一次绕组、二次绕组、铁心以及构架、壳体、接线端子等组成。其工作原理与变压器基本相同,一次绕组的匝数(N1)较少,直接串联于电源线路中,一次负荷电流()通过一次绕组时,产生的交变磁通感应产生按比例减小的二次电流();二次绕组的匝数(N2)较多,与仪表、继电器、变送器等电流线圈的二次负荷(Z)串联形成闭合回路,见图1。
图1 普通电流互感器结构原理图
由于一次绕组与二次绕组有相等的安培匝数,I1N1=I2N2,电流互感器额定电流比:。电流互感器实际运行中负荷阻抗很小,二次绕组接近于短路状态,相当于一个短路运行的变压器。
2 穿心式电流互感器结构原理
穿心式电流互感器其本身结构不设一次绕组,载流(负荷电流)导线由L1至L2穿过由硅钢片擀卷制成的圆形(或其他形状)铁心起一次绕组作用。二次绕组直接均匀地缠绕在圆形铁心上,与仪表、继电器、变送器等电流线圈的二次负荷串联形成闭合回路,见图2。
图2 穿心式电流互感器结构原理图
由于穿心式电流互感器不设一次绕组,其变比根据一次绕组穿过互感器铁心中的匝数确定,穿心匝数越多,变比越小;反之,穿心匝数越少,变比越大,额定电流比:
式中I1——穿心一 匝时一次额定电流;
n——穿心匝数。
3 特殊型号电流互感器
3.1 多抽头电流互感器。这种型号的电流互感器,一次绕组不变,在绕制二次绕组时,增加几个抽头,以获得多个不同变比。它具有一个铁心和一个匝数固定的一次绕组,其二次绕组用绝缘铜线绕在套装于铁心上的绝缘筒上,将不同变比的二次绕组抽头引出,接在接线端子座上,每个抽头设置各自的接线端子,这样就形成了多个变比,见图3。
图3 多抽头电流互感器原理图
例如二次绕组增加两个抽头,K1、K2为100/5,K1、K3为75/5,K3、K4为50/5等。此种电流互感器的优点是可以根据负荷电流变比,调换二次接线端子的接线来改变变比,而不需要更换电流互感器,给使用提供了方便。
3.2 不同变比电流互感器。这种型号的电流互感器具有同一个铁心和一次绕组,而二次绕组则分为两个匝数不同、各自独立的绕组,以满足同一负荷电流情况下不同变比、不同准确度等级的需要,见图4。
图4 不同变比电流互感器原理图
例如在同一负荷情况下,为了保证电能计量准确,要求变比较小一些(以满足负荷电流在一次额定值的2/3左右),准确度等级高一些(如1K1、1K2为200/5、0.2级);而用电设备的继电保护,考虑到故障电流的保护系数较大,则要求变比较大一些,准确度等级可以稍低一点(如2K1、2K2为300/5、1级)。
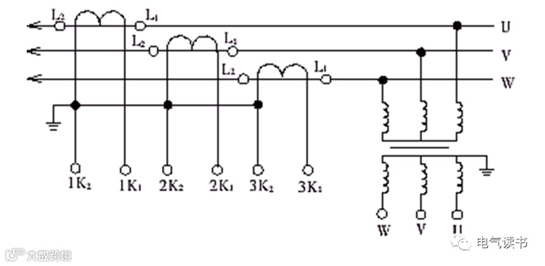
3.3 一次绕组可调,二次多绕组电流互感器。这种电流互感器的特点是变比量程多,而且可以变更,多见于高压电流互感器。其一次绕组分为两段,分别穿过互感器的铁心,二次绕组分为两个带抽头的、不同准确度等级的独立绕组。一次绕组与装置在互感器外侧的连接片连接,通过变更连接片的位置,使一次绕组形成串联或并联接线,从而改变一次绕组的匝数,以获得不同的变比。带抽头的二次绕组自身分为两个不同变比和不同准确度等级的绕组,随着一次绕组连接片位置的变更,一次绕组匝数相应改变,其变比也随之改变,这样就形成了多量程的变比,见图5(图中虚线为电流互感器一次绕组外侧的连接片)。
带抽头的二次独立绕组的不同变比和不同准确度等级,可以分别应用于电能计量、指示仪表、变送器、继电保护等,以满足各自不同的使用要求。例如当电流互感器一次绕组串联时(图5a),1K1、1K2,1K2、1K3,2K1、2K2,2K2、2K3为300/5,1K1、1K3,2K1、2K3为150/5;当电流互感器一次绕组并联时(图5-5b),1K1、1K2,1K2、1K3,2K1、2K2,2K2、2K3为600/5,1K1、1K3,2K1、2K3为300/5。其接线图和准确度等级标准在铭牌上或使用说明书中。
(a)一次串联(两匝)
(b)一次并联(一匝)
图5 一次绕组匝数可调、二次多绕组的电流互感器原理图
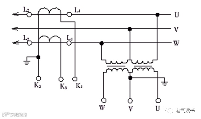
3.4 组合式电流电压互感器。组合式互感器由电流互感器和电压互感器组合而成,多安装于高压计量箱、柜,用作计量电能或用作用电设备继电保护装置的电源。
组合式电流电压互感器是将两台或三台电流互感器的一次、二次绕组及铁心和电压互感器的一、二次绕组及铁心,固定在钢体构架上,浸入装有变压器油的箱体内,其一、二次绕组出线均引出,接在箱体外的高、低压瓷瓶上,形成绝缘、封闭的整体。一次侧与供电线路连接,二次侧与计量装置或继电保护装置连接。根据不同的需要,组合式电流电压互感器分为V/V接线和Y/Y接线两种,以计量三相负荷平衡或不平衡时的电能,见图6(a)、(b)。
(a)两台电流互感器和电压互感器V/V接线
(b)三台电流互感器和电压互感器Y/Y接
图6 组合式电流电压互感器原理图
二、电流互感器使用注意事项
1.极性连接要正确。电流互感器一般按减极性标注,如果极性连接不正确,就会影
响计量,甚至在同一线路有多台电流互感器并联时,全造成短路事故。
2.二次回路应设保护性接地点,并可靠连接。为防止一、二次绕组之间绝
缘击穿后高电压窜入低压侧危及人身和仪表安全,电流互感器二次侧应设保护性接地点,接地点只允许接一个,一般将靠近电流互感器的箱体端子接地。
3.运行中二次绕组不允许开路。否则会导致以下严重后果:
(1)二次侧出现高电压,危及人身和仪表安全;
(2)出现过热,可能烧坏绕组;
(3)增大计量误差。
4.用于电能计量的电流互感器二次回路,不应再接继电保护装置和自动装置等,以防互相影响。
低压计量型电流互感器品种及选型方法2011-1-27 来源:上海安科瑞电气股份有限公司营销部 >>进入该公司展台 1、概述计量型电流互感器专用于工业计量,与电能表配套使用,计量准确可靠。2、国内主要品牌及型号国内生产低压计量型电流互感器厂家、型号品牌繁多,主要常见的产品有:上海安科瑞AKH-0.66G系列计量型电流互感器,即AKH-0.66G-30*30I、AKH-0.66G-40I、AKH-0.66G-60I、AKH-0.66G-60II、AKH-0.66G-80I、AKH-0.66G-80II、AKH-0.66G-100II等等。3、主要技术指标(以安科瑞AKH-0.66G为例)Ø 计量CT一次电流5-2000A,二次电流5A,1AØ 额定工作电压AC0.66kV(等效AC0.69kV,GB/T156-2007)Ø 额定频率50-60HzØ 环境温度-30℃~70℃,最高耐温120℃Ø 海拔高度≤3000mØ 工频耐压3000V/1min50HzØ 用于没有雨雪直接侵袭,无严重污染及剧烈震动的场所
4、选型说明
计量用电流互感器选型
电能计量装置主要由电能表、计量用电压互感器、电流互感器及二次回路等部分组成,电流互感器是能计量装置的重要组成部分,现介绍计量用电流互感器的选择原则和使用注意事项。
1 选择的原则
1.1额定电压的确定
电流互感器的额定电压UN应与被测线路的电压UL相适应,即UN≥UL。
1.2额定变比的确定
通常根据电流互感器所接一次负荷来确定额定一次电流I1,即:I1=P1/UNcosψ
式中UN——电流互感器的额定电压,kV;
P1——电流互感器所接的一次电力负荷,kVA;
cosψ——平均功率因数,一般按cosψ=0.8计算。
为保证计量的准确度,选择时应保证正常运行时的一次电流为其额定值的60%左右,至少不得低于30%。
电流互感器的额定变比则由额定一次电流与额定二次电流的比值决定。
1.3额定二次负荷的确定
互感器若接入的二次负荷超过额定二次负荷时,其准确度等级将下降。为保证计量的准确性,一般要求电流互感器的二次负荷S2必须在额定二次负荷S2N的25%~100%范围内,即:
0.25S2N≤S2≤S2N
1.4额定功率因数的确定
计量用电流互感器额定二次负荷的功率因数应为0.8~1.0。
1.5准确度等级的确定
根据电能计量装置技术管理规程(DL/T448-2000)规定,运行中的电能计量装置按其所计量电能量的多少和计量对象的重要程度,分为I、II、III、IV、V五类,不同类别的电能计量装置对电流互感器准确度等级的要求也不同
电流互感器的配置
1.6互感器的接线方式
计量用电流互感器接线方式的选择,与电网中性点的接地方式有关,当为非有效接地系统时,应采用两相电流互感器,当为有效接地系统时,应采用三相电流互感器,一般地,作为计费用的电能计量装置的电流互感器应接成分相接线(即采用二相四线或三相六线的接线方式),作为非计费用的电能计量装置的电流互感器可采用二相三线或三相线的接线方式,各种接线方式如下图所示:
1.7互感器二次回路导线的确定
由于电流互感器二次回路导线的阻抗是二次负荷阻抗的一部分,直接影响着电流互感器的误差,因而哪二次回路连接导线的长度一定时,其截面积需要进行计算确定。
一般计量用互感器要求一次电流要经常运行在20%-100%之间.这样它的二次电流一般不会超过5A,请教各位老师如果测得它的二次电流为6A的话,那它的计量还准吗?如果不准的话那是多计量了还是少计量了呢?
计量用电流互感器一般要求准确级在0.2s级以上。
电流互感器检测的标准:
五个点:1%;%5;20%;100%;120%。
所以,可以肯定的说,6A的点是准确的。计量用电流互感器一般要求准确级在0.2s级以上。
应该是445KVA吧?也就是千伏安,代表主变容量,PT就是电压互感器,10KV/100V 就是指互感器的一次侧即高压侧额定电压为10KV,二次侧即低压侧(接入仪表侧)额定电压为100V,100V是通用的标准电压。CT是电流互感器,30/5A 是指一次侧额定电流三十安时二次侧电流是5安,5安是通用的标准电流。电力部门给你们装表时都要经过基本计算,不会瞎装的,有一公式:主变容量(445KVA)等于根号3倍的高压侧额定电压(10KV)和额定电流的乘机。反算过来,电流约25.7安,躲过主变励磁涌流,选30安是正确合适的,如果选用CT-50/5A 的互感器,你想想看,是不是对于你发电方就不合适了?再选大点儿,你就白白的发吧,电表可能就不转了。所以作为计量,发电方互感器越小越好.
END
2025-03-12
2025-03-11
2025-03-10
2025-03-08
2025-03-08

