点击上方蓝字关注我们
在如今的供电系统里,箱式变电站可是不可或缺的 “电力管家”。常见的箱式变电站主要有欧式、美式、华式这三大类,平时说的 “美变”“欧变”,指的就是它们。在各类项目里,用得最多的还属欧式箱变和美式箱变。
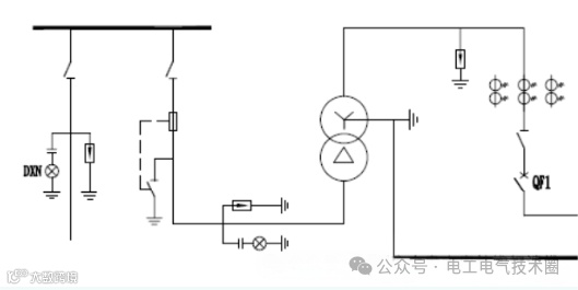
先说说欧式箱变,它在咱们生活和生产用电中随处可见。从构造上看,它由高低压开关柜、变压器等部分组成,是上世纪70年代后期从法国、德国引进的 “舶来品” 。
美式箱变是90年代才来到中国的。它的设计很有特色,把负荷开关、环网开关柜和熔断器都简化后,直接泡在变压器油箱的绝缘油里;就连避雷针都用的是油浸式氧化锌避雷器;而且还取消了传统变压器的油枕,油箱和散热器直接暴露在空气中。
华式箱变也不简单,它独创的R法高压连接,还有变压器室、高压开关室、低压开关室各自独立又通过导线相连的结构,就像一个分工明确又紧密协作的电力小团队。
再看看这三种箱变的 “个头”。欧式箱变因为内部装了常规的开关柜和变压器,体积最大;美式箱变采用一体化设计,相对小巧;华式箱变是集装箱式一体机,比美式箱变稍大一些。接下来,就带大家深入了解这三种箱变的更多细节。
美式箱变:起源、结构与应用特点
欧式箱变:结构特点、保护功能及应用场景
华式箱变:本土化预装式变电站的创新与应用
END

