点击上方蓝字【沛华测控】订阅我们

沛华LabVIEW基础课程|第7讲
『LabVIEW+Arduino』
妖娆机械臂



前阵子去校招的时候,Shania跟同事一起做了一只机械臂,那小身子板摇起来,吸引眼球的效果杠杆滴,很是“妖娆“啊
!不过做出这个效果并不难,接下来跟大家简单分享一下。


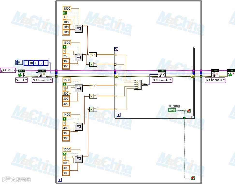
机械臂我们一共用到5个舵机,一个IO控制一个舵机就ok了,所以用到5个IO;因为Arduino UNO只能同时控制3个舵机,所以这里用到的开发板是Arduino 2560。(线太多,乱的一批,莫嫌弃~)

程序部分用正弦波函数分别生成5个舵机的运动波形,这里5个舵机都是0-180度舵机,对应的PWM控制信号的脉宽为500us-2500us;不过我们并不需要机械臂摆动这么大范围,通过调整幅值跟偏移量,可以达到我们想要的摆动效果。

以上就是今天的内容,我是Shania,下期见!看完记得给我点个“好看”鼓励一下哦~

微信又双叒叕改版
为了不失联&获取最新最好玩的信息
记得星标&置顶我们公众号哟!

置顶方式
1.先点击蓝字&扫描二维码进去;
2.按右上方的【●●●】符号;
3.再点击【设为星标】就可以啦!!!
沛华
比你想象的更好玩!
写于:18.12.26
长按二维码关注
看完点个“好看”再走吧~

