触摸屏:7寸、10寸高亮度TFT LCD触摸屏;
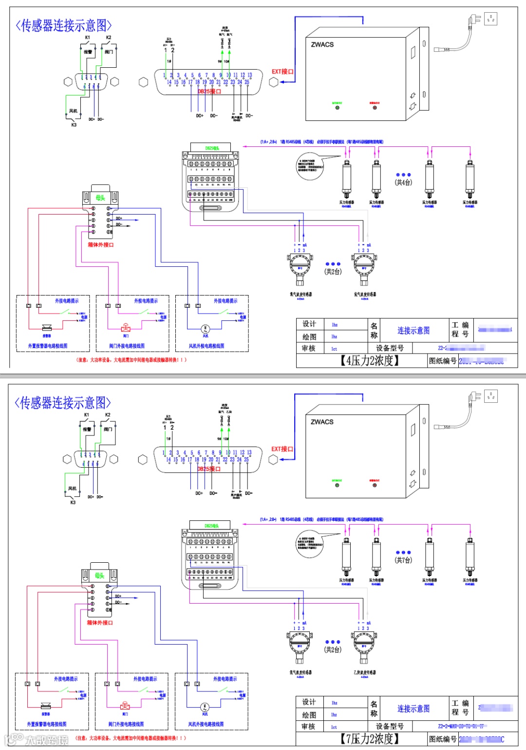
信号输入:16/3/1/11路(压力信号);1/2/2/3路(浓度信号);
控制输出:1路报警、1路风机联动 、1路阀门联动 (开关量无源触点);
指示灯:2个指示灯,分别为运行指示、报警指示;1个蜂鸣器;1个消音键;
报警方式:本地声光;
功能:实时监测、上下限报警、历史记录、联动控制(外置报警灯、排风机、紧急切断阀)
通讯接口:1路网口,1路RS485;
通信协议:标准ModBus RTU/TCP协议
供电电源:总电源AC220V(内核电源12~24VDC);
传感器供电:提供DC24V;传感器支持RS485/mA信号;
工作环境:温度:-10~55°C;湿度:5%~95%(无凝结);
保护种类:短路/过负载/过电压。
设备尺寸长宽高:400*550*120mm(非标型)/250*300*75mm(标准型)
重量:<12KG(非标型)/<5KG(标准型)
| 监测内容 |
|
| 压力 | PAr、PN2、PHe、LN2、LAr、N2、Ar、O2、CO2、CO、Air、H2、C2H2 气体汇流排 (汇流排左右两侧压力监测) |
| 浓度 | H2、、C2H2、CO、O2 环境气体浓度 |
| 联动 | 外置声光报警器、气动阀门、防爆风机 |





多层多区域监控,可组网联动,集中监控系统


