科技成果转化项目推介
山东人才集团面向社会推出“才创云”科技成果转化服务平台,搭建成果和人才两大评价体系,旨在打造全链条、全要素、全生态的综合平台,聚焦省内十强产业,集聚全国优秀技术成果资源,对接企业真实需求,促进创新链产业链融合,为高校、科研机构、企业、技术经纪人提供最优的服务支持。
本次发布成果为周期极化铌酸锂脊波导器件,欢迎感兴趣的机构、技术经纪人参与咨询,积极进行技术交流和合作探讨。
成果介绍
铌酸锂光波导最常用的制备方法是质子交换法和金属扩散法,由于这两种方法制备的波导器件波导与衬底层的折射率相差较小,对光的限制作用较弱,且在制作过程中引入的外来离子会破坏铌酸锂晶体本身的性质,从而影响到波导的性能。基于铌酸锂单晶薄膜(LNOI)
的脊型波导结构,大大增加了波导的核壳折射率差异,因而波导的光学限域效应增强,从而可以提高铌酸锂波导中的非线性效应,另外铌酸锂脊型波导光学损伤阈值更高,适合制作高功率的频率转换器件。
应用领域:
★高功率单频激光器;
★量子保密通信;
★激光雷达;
★光学传感。
图1 产品实物图
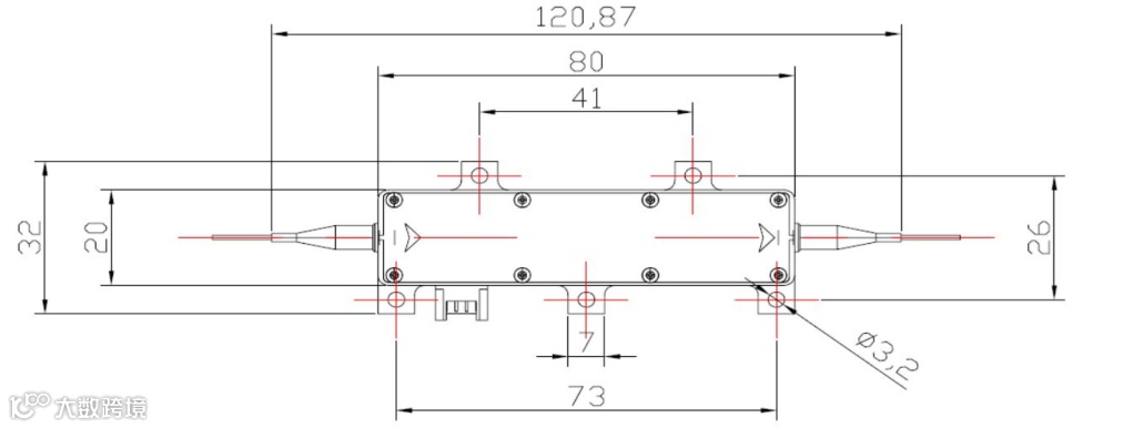
图2 产品外形尺寸图
产品外形参数
关键性能
★可实现 SHG/SFG/DFG 等非线性频率转换;
★光纤与芯片高效率耦合;
★高转换效率;
★高损伤阈值;
★长期稳定性好。
公司团队介绍
行业顶级专家团队。
合作需求
寻找合作伙伴共同开拓市场,推进项目大规模量产。
联系人方式
隋先生
15069189189
kechuang@sd-talent.cn
如果需要在才创云平台发布成果或者企业需求,也欢迎来电垂询。
欢迎关注才创云平台
往期内容回顾

