洞洞板的焊接方法
对于元器件在洞洞板上的布局,大多数人习惯“顺藤摸瓜”,就是以芯片等关键器件为中心,其他元器件见缝插针的方法。这种方法是边焊接边规划,无序中体现着有序,效率较高。但由于初学者缺乏经验,所以不太适合用这种方法,初学者可以先在纸上做好初步的布局,然后用铅笔画在洞洞板正面(元件面)上,继而也可以将走线规划出来,方便自己焊接。
洞洞板的焊接方法,一般是利用前面提到的细导线进行飞线连接,飞线连接没有太多的技巧,但应尽量做到水平和竖直走线,整洁清晰(图5)。现在网上流行一种方法叫锡接走线法,如图6所示,工艺不错,性能也稳定,但比较浪费锡。纯粹的锡接走线难度较高,受到锡丝、个人焊接工艺等各方面的影响。如果先拉一根细铜丝,再随着细铜丝进行拖焊,则简单许多。洞洞板的焊接方法是很灵活的,因人而异,找到适合自己的方法即可。
洞洞板的焊接技巧
很多初学者焊的板子很不稳定,容易短路或断路。除了布局不够合理和焊工不良等因素外,缺乏技巧是造成这些问题的重要原因之一。掌握一些技巧可以使电路反映到实物硬件的复杂程度大大降低,减少飞线的数量,让电路更加稳定。下面就笔者的经验谈谈洞洞板的焊接技巧。
1. 初步确定电源、地线的布局
电源贯穿电路始终,合理的电源布局对简化电路起着十分关键的作用。某些洞洞板布置有贯穿整块板子的铜箔,应将其用作电源线和地线;如果无此类铜箔,你也需要对电源线、地线的布局有个初步的规划。
2. 善于利用元器件的引脚
洞洞板的焊接需要大量的跨接、跳线等,不要急于剪断元器件多余的引脚,有时候直接跨接到周围待连接的元器件引脚上会事半功倍。另外,本着节约材料的目的,可以把剪断的元器件引脚收集起来作为跳线用材料。
3. 善于设置跳线
特别要强调这一点,多设置跳线不仅可以简化连线,而且要美观得多,见图7。

图6 锡接走线法

图7 多使用跳线
4. 善于利用元器件自身的结构
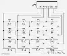
图8是矩阵键盘电路,图9是笔者焊接的矩阵键盘。这是一个利用了元器件自身结构的典型例子:图9中的轻触式按键有4只脚,其中两两相通,我们可以利用这一特点来简化连线,电气相通的两只脚充当了跳线。读者可以对照图10好好体会一下。

图8 矩阵键盘电路

图9 矩阵键盘

