编者按:直流微电网的典型应用场景之一就是船舶,随着新能源及全电技术的进一步发展。未来不论是民用船舶还是军用船舶,都将会采用更高效,更节能的直流供电方式。而采用模块化的直流(电能)路由器,更有助于船舶微网的迅速普及。
电能路由器参考图
图1 船舶微电网结构
微电网是指由分布式电源、储能装置、能量转换装置、相关负荷和监控、保护装置汇集而成的小型发配电系统。微电网中的电源多为容量较小的分布式电源,即含有电力电子接口的小型机组,包括微型燃气轮机、燃料电池、光伏电池、小型风力发电机组以及超级电容、飞轮及蓄电池等储能装置。它们接在用户侧,具有成本低、电压低以及污染小等特点。
智能微电网是能够实现自我控制、保护和管理的微电网自治系统,既可以与外部电网运行,也可以孤立运行。它作为完整的电力系统,依靠自身的控制及管理供能实现功率平衡控制、系统运行优化、故障检测与保护、电能质量治理等方面的功能。船载智能微电网主要有直流配电系统、交流配电系统和交直流混合配电系统这几大类。
直流微电网:分布式电源、储能装置、负荷等均连接至直流母线,直流网络再通过电力电子逆变装置连接至外部交流电网。直流微电网通过电力电子变换装置可以向不同电压等级的交流、直流负荷提供电能,分布式电源和负荷的波动可由储能装置在直流侧调节。
交流微电网:分布式电源、储能装置等均通过电力电子装置连接至交流母线。交流微电网仍然是微电网的主要形式。通过对PCS处开关的控制,可实现微电网并网运行与孤岛模式的转换。
交直流混合微电网:既含有交流母线又含有直流母线,既可以直接向交流负荷供电又可以直接向直流负荷供电。
微电网技术的兴起是为解决陆地电力系统中分布式电源大规模接入的问题,该技术的发展和成熟为各种新能源发电装置在船舶中的规模化应用提供了思路。作为孤岛式应用场景的船舶电力系统正属于微电网的应用范畴。但是,船舶电力系统是一种强耦合、紧凑型系统,在系统网络结构顶层设计、数值分析方法、系统运行稳定性理论、保护与重构技术和可靠性评估等方面独具特点,同时,船载电气系统除了关注电力技术本身外,还必须与搭载平台条件相匹配,因此,陆地微电网的经验和技术无法直接运用到船舶电力领域中。
到目前为止,绝大多数现有的全电动船(AES)是使用基于交流配电的综合电力系统(AC IPS)。但是,在经过30年的研究后,研究人员和工程师已经注意到AC IPS的不足,例如:需要同步,无用的功率反应和谐波问题。由于这些原因,被长期弃用的直流电源架构重新进入造船业。分布式直流电源架构最重要的好处是:提高燃油经济性和可靠性。
AC舰载微电网
传统的AC舰载微电网综合电力系统(IPS)模型可以简化为如图2所示。该模型由多台发电机并联,可实现在电网电压严重不平衡和谐波情况下的故障控制。安装在公共耦合点(PCC)的主配电盘和断路器相互间物理隔离,以提高生存能力和冗余度。此外,还可以提供两套或多套推进系统,以保证对推进电机的连续供电。
图2 交流船载微电网模型
DC舰载微电网
直流舰载微电网(SMG)的名义功率架构如图3所示。在这些架构中,对交直流整流的需求将使发电机之间相互解耦,因此每个发电机组都可以在其最有效的点上优化运行,这将使燃料效率得到显著提高。同时,与交流配电相关的一些问题,如无功功率流和谐波问题也可以消除。此外,由于消除了同步化,使直流系统中的并联和断开变得更加容易,从而可以实现 "即插即用 "和可重新配置的结构,如专为舰船中压直流电源系统设计的直流分区配电系统(ZEDS)
图3 舰载直流电源系统示意图 (a)典型结构,(b)直流分区配电系统(ZEDS)
由于现代电力电子技术的飞速发展,高频DC/DC变换器已经可以方便地改变直流系统的电压等级。与现在的交流电源系统相比,直流电源系统确实有几大优势,如直流电源更容易并联,消除同步、无功和谐波,降低整体损耗和重量等。此外,考虑到海上应用的特殊需求,基于直流电的IPS可以为商船和军船带来广泛的优势。商业领域关注的是由于允许变速柴油发电机而节省15%的燃料,而军事应用则对支持先进的电气设备和武器感兴趣,其特点是高功率脉冲负载。由于AES应用所需的高功率水平,基于直流的IPS的唯一可用设计方案是直流母线电压高于1kV的MVDC解决方案,这与MVDC水平的地面直流微电网的趋势高度一致。
图4 环形总线直流微电网馈电临界负载
图4显示了基于环形总线的电源架构,该架构是为有较高安全要求的关键负载(如数据中心)供电的直流微电网提出的。环形总线允许能量沿着最短路径或次优路径流动,即无论系统中哪里发生单点故障,都可以通过关闭最近的断路器将其隔离,其他部分可以正常工作。这一特点保证了系统在单点故障中的生存。此外,环形母线将使临界负载通过应用常规的多触点开关或多终端转换器从多个节点获得能量。相应地,临界负载也得到了高度保障,实现了不间断运行。
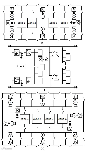
类似的架构也可应用于船舶电力系统,但系统内部将被划分为与馈电相对应的电气区,通常将发电源布置在两侧,指定为左舷和右舷,并在系统的前部和后部进行简单的交叉连接,如图5(a)所示。这种系统通常称为直流分区电气系统或直流ZEDs。图5(b)为电气区内的设备布局。图5(c)是图5(a)的另一种架构,以提供更高的可靠性。如果发电机分布在母线之间,这种结构提供了一个机会,在正常情况下,一个高功率质量的内部母线专门用于给区内的低压系统供电,而外部的一个较低质量的母线专门用于高功率负载和脉冲负载。这两条母线可以相互独立运行。这种结构为提高船舶的效率提供了机会,当不需要以全推进速度运行时,输出母线可以以比内部母线更低的电压运行。
图5 基于分区配电系统的电力架构 (a)直流ZEDS (b)分区负载中心 (c)双环总线直流ZEDS
在直流IPS领域,基于环形母线的高可靠性电源架构通常是首选。然而,在可靠性和复杂性之间总是存在折衷。传统的单线电源架构也是小规模船舶的一个好选择。此外,复杂的电源架构需要更复杂的控制和协调策略,这需要在早期设计阶段仔细评估。一般来说,电源架构设计和选择的关键准则应该是基于实际的可靠性和冗余需求。
DC微电网分级控制
直流微电网与直流IPS概念的结合具有很多优势,但要充分挖掘其潜力,需要高度复杂的控制和协调技术。经过近几年的快速发展,已经有一系列针对直流微电网的先进控制与协调技术被研究出来,并有可能移植到直流IPS中。目前,微电网最主要的控制与协调技术之一是分级控制,即微电网系统的控制分为以下几个层次:
1)0级(内部控制回路)。基本控制回路,用于调节连接到微电网的各电力电子转换器内部的输出电压和/或电流。
2)第1级(初级控制)。模仿物理行为的控制方法,使系统稳定、阻尼较大。
3)第2级(二级控制)。确保系统主要变量在要求值内的控制方法。
4)第3级(初始三级控制)。对微电网与其上层之间的功率流进行管理和控制的控制方法。
5)上层(扩展三级控制)。实现额外目标(如实际经济效益等)的控制和决策方法。
图6 分级控制中的不同控制层次
图6为分级控制的典型方案,其中提出了控制层之间的关系。图7展示了在直流微电网中应用分级控制的典型架构。为了达到主动分享功率的目的,通常采用垂线控制作为主要控制方法。在最近的研究中,可以选择输出功率或输出电流作为反馈信号的垂线控制。二级控制和三级控制分别负责服务质量和优化。在分级控制中,控制层级越高,它所提供的调节速度越慢,控制的目标也相应地更加宏观,从而可以在电力系统中进行有意的互动。
图7 直流微电网的分级控制
DC微电网局部协调控制
对于大规模的直流微电网,分级控制通常是首选,因为它引入了不同控制层之间的独立性。然而,分级控制是通过同时使用电力电子接口的局部控制以及所有这些组件之间的协调来实现的。从这一事实来看,局部控制和协调控制策略对于直流微电网的运行同样重要。一般情况下,二级和三级控制层都是依靠协调方式来形成整个直流微电网的协调控制。根据其不同的通信方式,协调方式可分为集中式、分散式和分布式三类。
混合微电网
图8 (a) AC/DC混合型船舶电力系统 (b) 混合型DC电力系统的通用架构
图8描述了混合型AC/DC和DC SPS的通用架构。从图8(a)中可以看出,混合架构由交流和直流总线组成。柴油发电机连接到交流母线上,而可再生能源和储能系统(ESS)则集成到直流母线上。图8(b)为船载直流配电电源系统的架构。在直流配电系统中,柴油发电机提供的电力通过使用可控/二极管整流器转换为直流电,并送入直流母线。
船舶储能系统(ESS)
与陆地微电网不同,船舶微电网在航行过程中不能与主网交换电能。在此背景下,储能系统(energy storage system,以下简称ESS)逐渐融入船载,发挥其在能源/电力的缓冲作用,平衡船舶的发电和需求。ESS是一种可以提高发动机效率的关键技术。根据能量转换的类型,ESS可分为电化学(如电池)、静电(如超级电容器)和机电(如飞轮)。表征和选择ESS的两个关键特征是能量密度(Wh/kg)和功率密度(W/kg),两者都是以单位重量(kg)为单位来定义的(如图9所示)。与其他电池技术相比,最常用的电池技术是锂离子电池,因为其能量密度和功率密度较高。为了发挥不同 ESS 技术的优势,通常将两种或多种 ESS 耦合起来形成混合储能系统(HESS)。
图9 各种储能装置的能量密度
ESS的优点是能够提高舰艇的燃料消耗量,此外,ESS可以改善电能质量、对重要负载进行不间断供电、负载均衡等。为了达到能源备份的目的,当一台在线发电机突然停止时,ESS还可以暂时弥补有源电力的不足,直到另一台发电机达到同步。通过使用ESS,还可以避免仅仅为了满足脉冲负载而使船载发电机的尺寸过大。ESS还可以减轻脉冲负载所带来的频率偏差和调速器齿轮转矩。此外,通过使用合适的ESS(如高速飞轮)可以平滑光伏发电产生的功率波动。
船舶微电网智能化趋势
智能分层管理,降低成本减少排放
近年来,未来电力系统的共同趋势是向智能化、高效化发展。作为未来智能电网的基础,智能管理理念,即监督式能源管理,作为传统分级控制架构的延伸,被引入到微电网中。由于AES的初衷之一是提高船舶的燃油效率,同时减少对环境的影响,因此智能管理将无缝引入IPS,以发展未来的智能AES。
对于船载动力系统来说,一般来说,船舶的航行或任务总是可以大致分为几个运行场景,如停靠、加速、减速、巡航等,而且这些场景会按照一定的顺序变化。根据这一重要事实,预先规划的船载能源管理及其优化将适用于协调船载发电和ESS,以实现最佳的燃油效率。近年来,国际海事组织正在努力推广这种方法,即船舶能源效率管理计划(SEEMP),并可能在不久的将来要求每艘船都要这样做。在合理的假设下,先进的离线优化算法可以用来改进SEEMP的设计,但是,船舶的实际运行可能要面对无数的突发事件,这使得基于中期情景的分组SEEMP在实际运行中大有可为。SEEMP最吸引人的目标可能是最大的燃料效率和排放限制,这需要发电侧和需求侧的合作管理。
ESS在SEEMP中的作用非常重要,因为它具有双向性。ESS的存在打破了传统的发电侧和需求侧的依赖关系,而且显著提高了SEEMP的可操作性。此外,值得注意的是,电力推进器还可以在再生制动时充当发电的角色。传统的方法无法处理这样的双向负载,多余的能量会消耗在倾覆电阻上,以保持电力系统的稳定性。有了ESS的帮助,这部分能量可以部分或全部储存起来,从而有助于降低整体成本。再进一步,ESS本身也可以起到短期航行的唯一动力源的作用,这可能会大大降低船舶对环境的影响,特别是在港口。
智能保护和重新配置,实现系统的容错和高可靠性
直流综合电力系统(IPS)的保护,尤其是直流区域电气系统(DCZEDs)配置的直流IPS,是一项具有挑战性的任务,因为健康区不应该是孤立的,而对关键负载的供电不应该是间歇性的。此外,由于DCZEDS中各区是相互连接的,如果保护效果不好,单点故障可能会蔓延升级为区域性故障或系统性崩溃。目前,故障检测和保护活动通常由电力电子变换器和/或保护装置完成。为了实现快速响应保护,在直流微电网中利用了监督诊断系统。除此之外,智能故障检测方法也在研究之中。
重构能力是MVDC IPS最有前途的优势之一,特别是在舰船应用中。然而,由于船载电力系统的非线性多连接性和高维度,很难实现快速高效的重构。在这种情况下,自愈式重构方法首先将电力系统细分为若干个分区微电网,然后再由微电网进行重构,是目前在直流IPS领域很有前景的方法。分区化的目的是最小化隔离区域,同时保持健康区域的供电。此外,分段化的分区微电网将尝试相互连接,形成网络化微电网,从而提高运行和可靠性。这样一来,电力系统将分几步从故障中恢复,同时隔离故障位置。到目前为止,重构方法已经成为舰船舰载电力系统领域的一个热门研究方向。在多级系统(MAS)或监督系统的基础上,已经提出了几种方法。然而,优化分段化仍是一项具有挑战性的任务,关于分段化微电网中最优功率流路径的选择、全局信息的认识、负荷变化的估计和供电质量的研究仍有待进行。
展望
目前,基于直流电网的船舶电力系统尚未得到广泛推广,但预计在不久的将来,无论军船还是民船都会加大对该系统的推广力度。目前,陆地公共电力系统和船舶电力系统正向着更智能、更高效的形态发展。微电网作为未来智能电力系统的基础,目前正成为其他大型或小型、固定或移动新兴应用的新使能技术。基于直流IPS的未来AES是AES概念与直流微电网的结合,前景广阔。

免责声明:部分文章来源于互联网及其他公众平台,内容仅供读者参考,不确保文章的准确性,如有侵犯版权请告知,我们将在24小时内删除!电话:010-63531554。
重点阅读
[行会通知] 关于联合开展“北京市高精尖产业技能提升项目电源系统工程师培训”的通知(政府支持、行业培训、国家补贴、技能提升-2020-2021年)

扫描二维码 进入
[重要通知] 大型综合专业工具书《走向辉煌的电源产业》

扫描二维码 进入
”2017综合年鉴工具书表单页面”


扫描二维码进入
全国电源与新能源行业专家智库官网
[行会关注] 中国新能源与电源行业专家智库专家与工程师认证网上申报系统正式上线

扫描二维码进入
行业专家智库入库申报系统

扫描二维码进入
《电源工业》杂志官网(电子阅读历年期刊)

扫描二维码申请添加微信
可获得免费推送电子阅读版杂志
《电源工业》编辑部
杂志内容:
行业:电力电子电源 化学与物理电源 新能源 电动车
资讯:热点关注 行业新闻 企业动态 焦点资讯。
技术:技术研究 应用实践 案例分析 解决方案
市场:市场行情 展会新闻 咨询服务 会议报道
报道:特别报道 政策解读 分析观察 行业热点
绿色节能
广告:新产品展示 企业实力展示
编辑部电话:010-63531554 83520995
发行部电话:010-63527442
投稿邮箱:ad@powermagazine.cn
刊物网站:www.powermagazine.cn


扫描二维码进入会员入会电子表单填报系统
行业平台项目
国家高新技术企业认定-申请
北京市项目基金补贴-申请
电源行业知识产权保护
北京电源行业纠纷人民调解
秘书处电话:010-83526510 83520995
联合共建单位
全国电源与新能源行业专家智库
中国电源门户网
《电源工业》杂志
全国电子测量仪器标准技术委员会电子电源分技术委员会
中国电源工业协会
北京电源行业协会
中国电子节能技术协会电能质量专业委员会
中国机电一体化技术应用协会电能系统分会
中国电源产业技术创新联盟
中国微型电动车产业技术创新联盟
中国电源与微型电动车标准化技术委员会
北京电源行业知识产权纠纷人民调解委员会
北京电源行业知识产权维权与保护12330工作站
北京市版权局电源行业版权工作站
北京电源行业多元化调解中心
中国电源工业协会专家工作委员会
北京电源行业协会专家工作委员会





