“一体化施工”是将各专业的设计施工融合为一体、统筹规划,以提高施工区域内各生产要素的运行效率,达到资源的有效配置和利用,直接体现了项目管理水平及工程质量水平的高低。
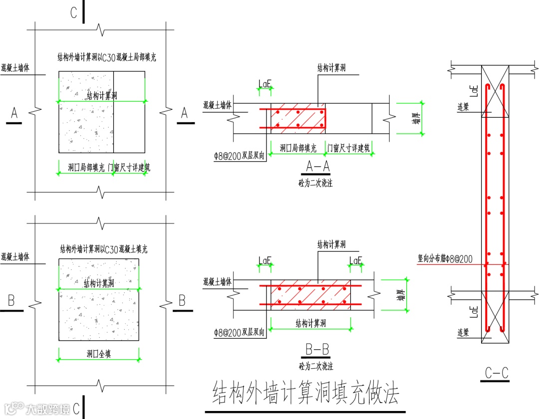
水电安装与结构融合
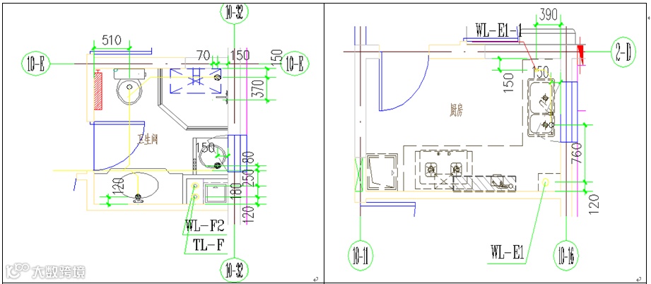
▲示例
设备与结构图纸融合
施工措施与结构融合
建筑与结构图纸融合
征文招募
“链筑平台”征文专栏将长期作为固定栏目运作,为行业同仁提供一个更广泛的交流与互动渠道。
投稿方式:
邮件发送至 348184250@qq.com
“链筑平台”真诚欢迎您的来稿!


