
首先先分享下自己总结的EPS中绘图常用快捷键,运用好快捷键会让你效率翻倍 :),熟悉快捷键后我们再来一步步看看复杂台阶的画法。
Shift+A:改变点的高程点
Ctrl+A:锁定高程
Shift:拖点
X:回退一点
Shift+X:回退多点
C:闭合
Z:划线调转方向
Shift+Z:将线反向
S:捕捉交点
D:捕捉任意点
Shift+D:做一条线的垂线
A:以鼠标所在点为底建立3D白模
G:对面进行填充
T:属性拾取
F:接线
J:设置或取消转折点
H临边整合
R:距离平行线
F:断线重接
E:添加节点
W:删除节点
Shift+W:删除线段
Ctrl+T:删除当前对象
1,2,3,4,5,6,7,8:线型切换
V:捕捉多点
Shift+S:反向垂足
Ctrl+S:垂线垂足
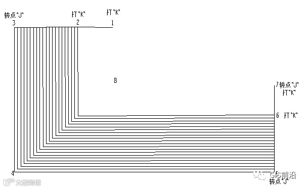
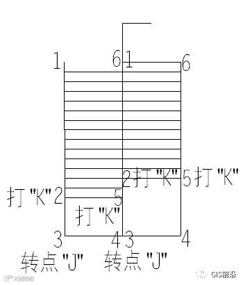
选择台阶编码,延台阶边线绘制,在第一个转折点处按J绘制好台阶。若出现平台可以利用K键打在节点上绘制平台。
1.不带挡墙的台阶





















2.带挡墙的台阶









- END -


