
TDXL-GGBE7I01是一款全频段的外置有源航空天线,采用双层多馈点技术设计,支持北斗二代、GPS、GLONASS和GALILEO系统卫星导航信号接收,满足目前多系统兼容和高精度测量的需求,可广泛应用于航空航天、精准农业、车载定位、无人机等高精度导航定位场合。接受用户定制。
技术特点
² 采用多馈点技术设计,保证了右旋圆极化和相位中心性能,降低测量误差的影响;
² 天线单元具有增益高、增益滚降小特点,对低仰角卫星信号接收效果好,确保在一些遮挡较严重的场合仍能正常收星;
² 三防外罩,为天线长期在野外工作提供了保障。
主要技术指标
支持卫星信号 |
GPS:L1、L2、L5;BDS:B1、B2、B3;GLONASS:G1、G2、G3; Galileo:El、E2、E5a、E5b、E6 L-Band |
||
阻抗匹配 |
50欧姆 |
工作电压 |
3.0~16V DC |
极化方式 |
右旋圆极化 |
工作电流 |
≤45mA |
增益(天顶) |
≥4.0 dBi |
工作温度 |
-40℃~+80℃ |
天线轴比 |
≤3dB |
储存温度 |
-50℃~+85℃ |
水平面覆盖角度 |
360° |
湿度 |
95% 不冷凝 |
低噪放增益 |
39±2dB |
*防护等级1 |
IP67 |
噪声系数 |
≤2.0dB |
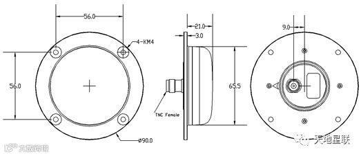
天线尺寸 |
见附图 |
输出驻波比 |
<2.0:1 |
输出接口 |
TNC (母头) |
带内平坦度 |
±2dB |
重量 |
≤135g |
差分时间延迟 |
≤5ns |
||
产品尺寸


