搜索
首页
大数快讯
大数活动
服务超市
文章专题
出海平台
流量密码
出海蓝图
产业赛道
物流仓储
跨境支付
选品策略
实操手册
报告
跨企查
百科
导航
知识体系
工具箱
更多
找货源
跨境招聘
DeepSeek
首页
>
精准定位,智领未来——TDXL系列天线,助力您的设备驰骋全球!
>
0
0
精准定位,智领未来——TDXL系列天线,助力您的设备驰骋全球!
天地星联
2025-03-12
1
在科技飞速发展的今天,精准导航与定位已成为无人机、车载设备、舰载系统等领域的核心竞争力。无论是高精度测量,还是复杂环境下的抗干扰需求,TDXL系列天线都能为您提供卓越的解决方案。今天,我们将带您深入了解TDXL系列的两款明星产品:TDXL-801M多星多频螺旋天线和
TDXL-KGR4 810-OS
抗干扰阵列天线,看看它们如何在不同场景中大显身手!
1. TDXL-801M多星多频螺旋天线:小巧身材,精准导航
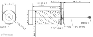
TDXL-801M是一款内置多星多频螺旋天线,支持北斗、GPS、GLONASS和GALILEO系统的L1和L2双频段信号接收。别看它身材小巧,
能量
却不容小觑!凭借多臂螺旋技术设计,TDXL-801M不仅具备优异的右旋圆极化和相位中心稳定性,还能有效降低测量误差,确保在高精度测量场合中的卓越表现。
产品亮点:
多星多频支持:全球导航系统全覆盖,北斗、GPS、GLONASS、GALILEO,一个都不落下!
高增益与低噪声:
低噪放放大器增益高达34±2dB,噪声系数低至1.5dB,复杂环境下依然稳如泰山。
轻巧便携:尺寸仅为φ20.4mm×44mm,重量不超过16g,无人机、便携设备的最佳拍档。
适用场景:
无人机、便携式设备、高精度测量仪器等。
2.
TDXL-KGR4 810-OS抗
干扰阵列天线:抗干扰,稳如磐石
TDXL-KGR4 810-OS
是一款全频段抗干扰天线,通过4单元全频段螺旋天线振子的合理布局,能够有效抑制低仰角信号干扰,具备优异的抗低仰角干扰特性。
无论是无人机、舰载还是车载系统,能在复杂环境中提供稳定的信号接收,真正做到“稳如磐石”。
产品亮点:
抗干扰能力强:4单元全频段螺旋天线振子设计,低仰角信号干扰?轻松搞定!
高增益与高一致性:阵列合成顶端增益高达6dBi,振子之间的一致性良好,信号接收稳如泰山。
耐高低温、抗腐蚀:特殊工艺材料,耐高低温、抗腐蚀、抗紫外线,恶劣环境也不怕。
适用场景:
无人机、舰载、船载、车载等高精度导航与定位系统。
为什么选择TDXL系列天线?
1.高精度与稳定性:
无论是TDXL-801M的多星多频支持,还是TDXL-KGR4系列的抗干扰能力,TDXL系列天线都能在各种复杂环境下提供高精度、稳定的信号接收。
2.轻量化设计:
TDXL系列天线采用轻量化设计,非常适合对重量有严格要求的终端设备,如无人机、便携式设备等。
3.广泛的应用场景:
从无人机到车载系统,从舰载设备到高精度测量仪器,TDXL系列天线能够满足多种应用场景的需求。
4.强大的抗干扰能力
:
TDXL-KGR4系列天线具备优异的抗低仰角干扰和多路径干扰能力,确保在复杂环境下的稳定性能。
TDXL系列天线,助力您的设备驰骋全球!
无论是无人机的精准飞行,还是车载导航的稳定定位,TDXL系列天线都能为您提供最优质的解决方案。
我们不仅提供高性能的产品,还支持灵活定制,满足您的个性化需求。
【声明】内容源于网络
0
0
天地星联
深圳市天地星联通信科技有限公司,是一家专注于卫星信号接收天线、无线数据传输产品的研发与生产。目前国内具有较强影响力的高精度天线供应商和卫星定位天线领域的领先者。
内容
41
粉丝
0
关注
在线咨询
天地星联
深圳市天地星联通信科技有限公司,是一家专注于卫星信号接收天线、无线数据传输产品的研发与生产。目前国内具有较强影响力的高精度天线供应商和卫星定位天线领域的领先者。
总阅读
83
粉丝
0
内容
41
在线咨询
关注