中小企业服务 2023-04-10 10:27 发表于湖南

为提升企业技术创新能力、强化企业创新主体地位,根据《国家企业技术中心认定管理办法》(国家发展改革委 科技部 财政部 海关总署 税务总局2016年第34号令,以下简称《管理办法》)和《国家企业技术中心认定评价工作指南(试行)》(发改办高技〔2016〕937号,以下简称《工作指南》),现将2023年国家企业技术中心认定和评价工作有关事项通知如下。
一、2023年认定工作
(一)请各地发展改革委会同科技、财政、海关、税务等部门(或省级政府规定的国家企业技术中心申报、管理部门会同同级发展改革、科技、财政、海关、税务等部门),参照《管理办法》,做好2023年国家企业技术中心推荐工作:
1.按照《工作指南》要求,组织申请企业编写国家企业技术中心申请材料,并对其真实性进行审核;
2.依据《战略性新兴产业重点产品和服务指导目录》(国家发展改革委公告2017年第1号)、国家“十四五”规划《纲要》以及相关“十四五”国家级专项规划明确的战略性新兴产业和未来产业范围,对申请企业主营业务是否符合认定领域进行审核(原则上企业技术中心研发的主要产品和服务应属指导目录和相关规划范围)。在符合上述要求前提下,对同时符合《绿色产业指导目录》(发改环资〔2019〕293号)的企业优先予以考虑;
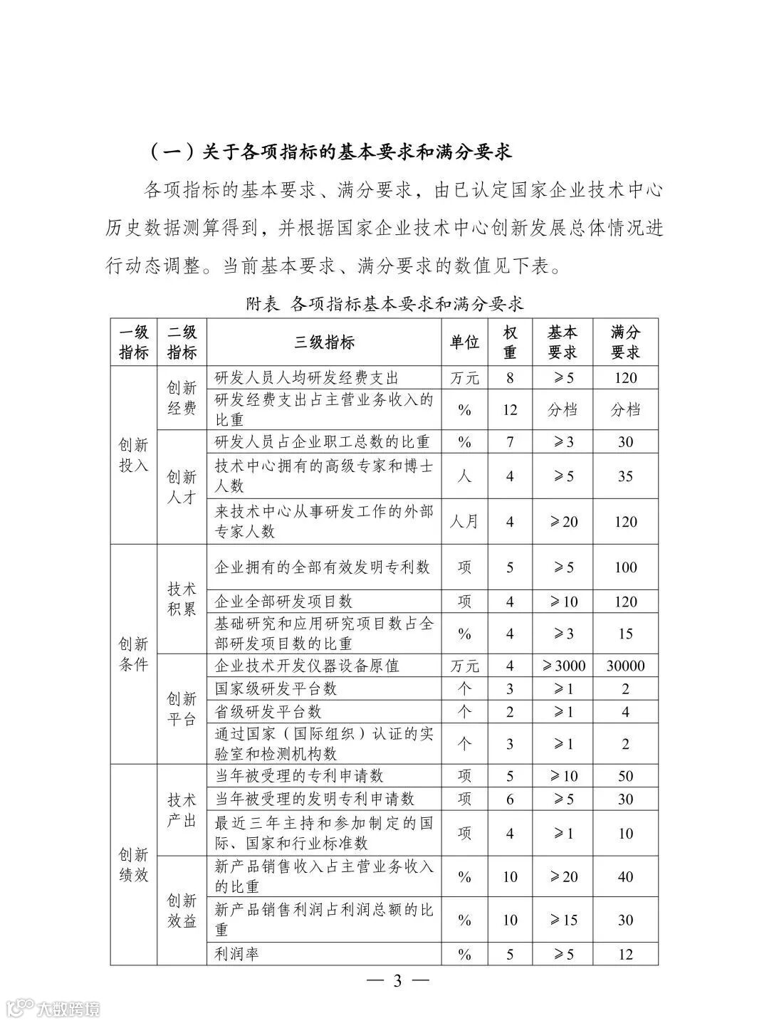
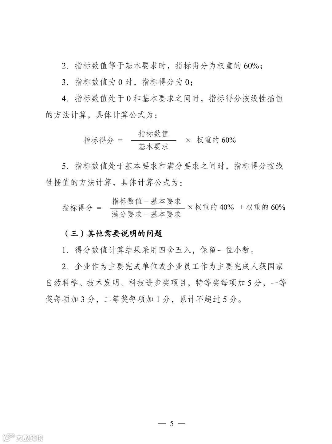
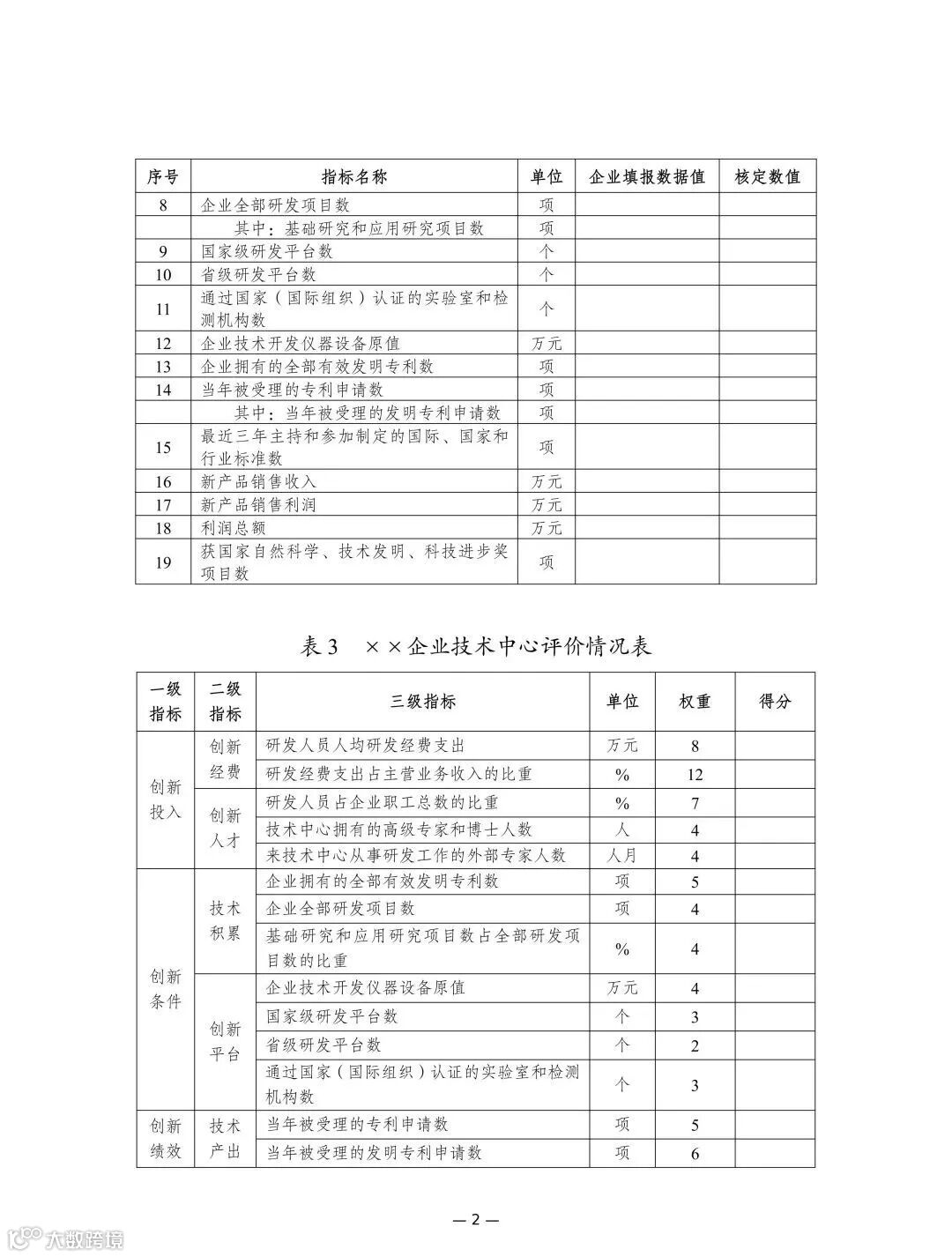
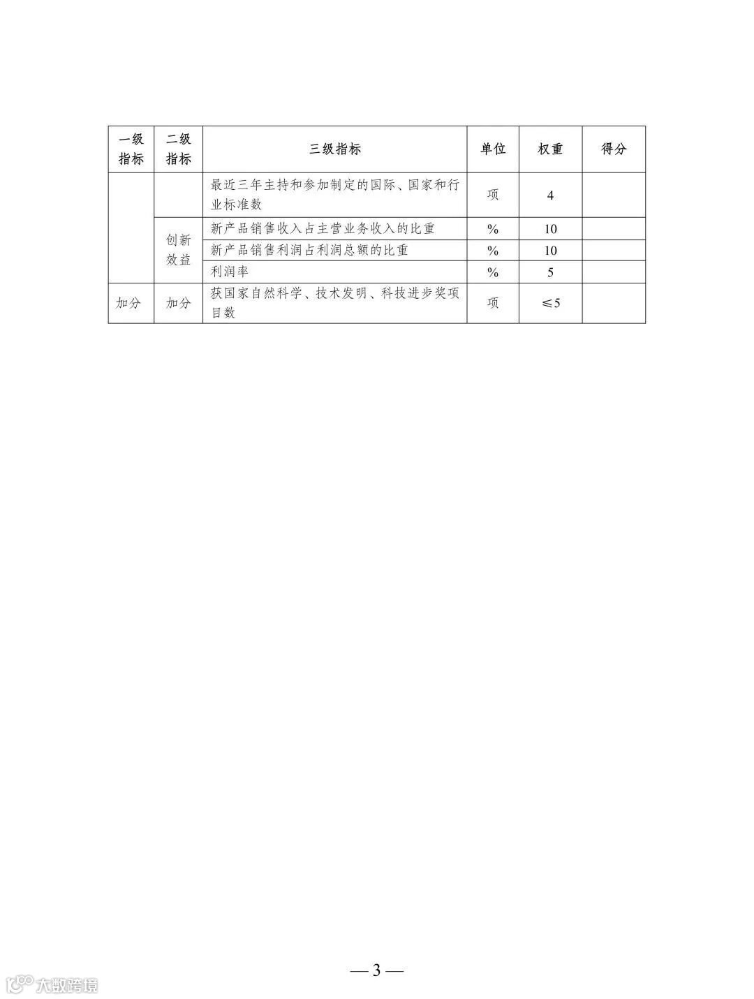
3.按照国家企业技术中心评价方法(附件1),对申请企业技术中心进行初评;
4.采取公平公正公开的适当形式,择优推荐符合领域要求、基本条件符合《管理办法》规定、初评得分高于70分(含70分)的企业技术中心。
(二)实行存量评价与增量认定挂钩机制。根据2021年国家企业技术中心运行评价情况(附件2),确定2023年各地企业技术中心推荐数量:评价为第一档的省、区、市推荐数量不超过5家;评价为第二档的省、区、市推荐数量不超过3家;评价为第三档的省、区、市推荐数量不超过2家。
此外,符合下列三类条件之一的省、区、市(附件3),可增加2个推荐名额(不重复激励,上限为2个):
1. 国际科技创新中心、综合性国家科学中心、区域科技创新中心所在省、区、市;
2. 发展战略性新兴产业工作成效明显得到督查激励的地方(至5月31日申报截止日,以国务院办公厅印发通知确定名单为准);
3. 区域双创示范基地工作成效明显得到督查激励的地方(至5月31日申报截止日,以国务院办公厅印发通知确定名单为准)。
原则上,增加名额需用于激励国际科技创新中心、综合性国家科学中心、区域科技创新中心所在省、区、市和真抓实干成效明显地方(具体到市、区)。
(三)请各地发展改革委会同同级科技、财政、海关、税务等部门(或省级政府规定的国家企业技术中心申报、管理部门会同同级发展改革、科技、财政、海关、税务等部门)行文,将推荐企业的申请材料及评审情况(附件4)报送我委,同时将推荐企业名单抄报科技部、财政部、海关总署、税务总局。
(四)请于2023年5月31日前,通过国家企业技术中心数据系统(www.datacidd.cn),填报推荐企业申请材料,并将纸质文件(一式一份)报送国家发展改革委。
二、2023年评价工作
(一)请各地发展改革委(或省级政府规定的国家企业技术中心管理部门)组织本地区国家企业技术中心所在企业(包括中央管理企业、国务院部门管理企业),做好评价材料的填报工作,并对评价材料和免税情况表汇总审核确认。编写评价材料的相关要求按《工作指南》执行。国家企业技术中心分中心独立参与评价。
(二)请各地发展改革委(或省级政府规定的国家企业技术中心管理部门会同同级发展改革委),于2023年5月31日前,通过国家企业技术中心数据系统(www.datacidd.cn),填报评价材料电子文件(无需提供纸质评价材料)。
三、其他事项
(一)国家企业技术中心发生更名或重组的,请填写国家企业技术中心名称变更情况表(附件5),并提供相关证明材料,由各地发展改革委(或省级政府规定的国家企业技术中心管理部门)统一来函报送。
(二)请各地发展改革委(或省级政府规定的国家企业技术中心管理部门)切实强化审核和管理责任,对拟推荐企业技术中心材料进行认真审核,确保相关材料符合认定要求。我委将根据各地方今年未通过复核的企业技术中心数量,对下一年度所在地方申报名额进行同数量压减。
附件:1.国家企业技术中心评价方法
2.2021年国家企业技术中心运行评价情况
3.符合激励条件的省、区、市名单
4.认定评审情况报送要求
5.国家企业技术中心名称变更情况表
附件:











来源:

