1、空调送风系统节能潜力分析
以某大型酒店为例,酒店客房的入住率、四季的变化及每日不同的时间段,对空调系统的送风要求也不同,因此存在节能改造的可能性和可行性,可从以下几个问题分析入手。
1.1、中央空调系统的工作原理
图1所示的是某酒店中央空调的示意图:空气从回风口和新风口进入空调系统入口,入口处设调风门以控制进风量的大小,过滤后的空气继续往前,到空气混合室,通过送风机后,被送去加湿,加湿后的空气送去冷却或加温(随季节而定),经挡水板,然后,进入空气分配室,再到送风管,最后进入空调室。

图 1 集中式中央空调系统示意
送风一般由若干台送风机同时完成,所需送风功率视需要而定,应该是可调的。接受部分回风可节省热能,新风口能增加新鲜空气。
1.2、风机的转速送风量和能耗之间的关系
风机轴的输入功率P与风量的输出Q和扬程H之间有下列关系[2];
P = kQH(1)
式中 k 为常数,式(1)说明,电机的输出功率和它驱动的风机的风量 Q、扬程 H 成正比,当风机转速n 变化时,风机输出的风量 Q将发生变化,它们之间有下列关系:
Q2/Q1=n2/n1 (2)
风机转速和出风量成正比。风机的输出功率 P 和转速n 有以下关系:
P2/ P1=(n2/n1)3 (3)
从式(1)、(2)、(3)可见减少送风量可通过降低风机的转速实现。降低风机的转速将大大地降低能耗,节能效果明显。
2、节能送风控制系统
节能送风系统要考虑风机的运行控制方式,即应使每台风机的运行时间尽量均衡。另外,控制器应简单有效,设计时能考虑各种特殊情况,具有一定的抗干扰及应变能力。
2.1、风机的控制方案

图 2 风机接入、切除顺序示意
在要求减少送风量的时候,最有效的方法是改变风机的转速。风机的转速可通过改变电机的转速实现,对于三相交流异步电动机使用变频器即可有效地改变电机的转速。对于用多台风机组成的送风系统,这里以 3台为例,拟采用如图 2 所示的方案,来实施送风量的调节。3台电机的总功率应大于等于最大送风量所需的输入功率。3台电机中,只对第3台实施变频调速,第 1、2两台以工频方式运转,这样既可以减少变频器的容量、成本,又能很好地完成风量调节的目的。送风系统工作过程如下:在最小负荷下,要保证有1台电机按工频方式运转,以保证最小的送风量。当要求送风量增加时,可按以下方式改变运行状态,1号机运行风量不足,3号机投入按变频方式运行,逐步增加转速以达到送风量的要求。若送风量仍然不足,2号机投入运行,3号机仍以变频方式运转,改变3号机转速以达到需要的送风量。在要求送风量减少的过程中,设3台风机同时运转,先降低3号机的工作频率到最低值。若送风量仍然过大,可切除1、2号机中先接入的1台,3号机以变频方式高速运转;若送风量仍然过大,降低3号机的转速,直至切除3号机。
2.2、闭环送风机变频系统的构成
要构成闭环系统,需要在出风口安置风压传感器,以保证出风口有恒定的风压,当测得的风压上升时,说明送风驱动量过大了,此时应降低送风驱动量。当测得的风压降低时,说明此时送风驱动量不足需要加大送风驱动量。检测到的风压信号和给定值进行比较以确定送风量的调节方向。闭环送风机变频系统的框图如图3所示。控制器除输出连续可调的模拟信号以调节变频器的工作频率之外,还要输出开关量以确定1、
2、3号电机的接入与切除。

图 3 送风机变频控制结构示意
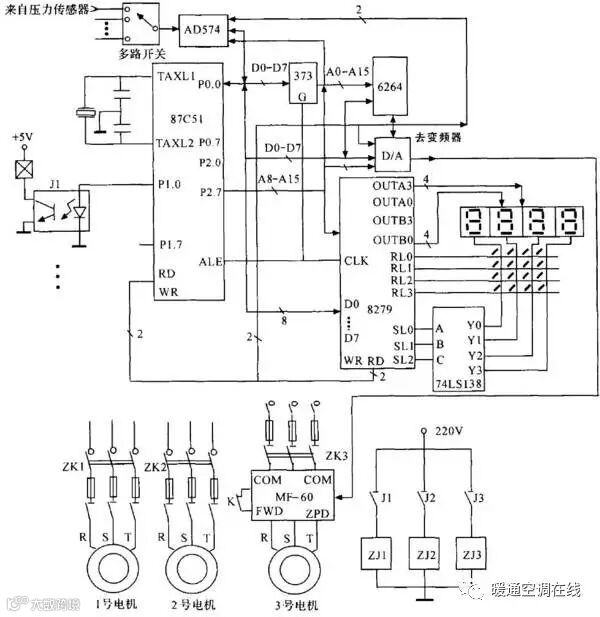
2.3、控制器设计
控制器主要实现对送风量的控制,使送风压力保持基本恒定。这里用单片机及其外围电路构成,如图4所示。用数码管显示送风压力,压力的给定可以用键盘输入也可以用电位器经A/ D转换后输入。控制器在功能上,既能实现连续控制,也能实现分级不连续控制,具体通过程序编制实现。

图 4 控制器及电机电路
3、结论
中央空调的送风系统采用了变频加闭环控制后,运行稳定,节电效果明显。虽然在原有的系统中增加了变频器,但由于只对单台风机采用变频控制,要求的变频器容量一般仅在几十千瓦;另外,用单片机及其外围电路作为控制器;再是不需要对原系统作多少改变。所以,对整个空调系统的投入并不大,系统改造后的经济效益明显。

