连杆加工订单
工艺:机加工、钣金
材料:AISI 1066
数量:50000件
需求:需供应3000-50000件,按图纸要求报价至镇江含税运价,供应商可先按最小起订量(MOQ)报价。
截止时间:2025.7.18
收货地:上海
金属安装架加工订单
工艺:冲压
材料:ST12冷轧钢(2.5mm厚,宝钢)
数量:10万件
需求:按图纸要求报含税运最优价格,具备生产能力的厂商请尽快联系。
截止时间:2025.7.18
收货地:宁波
连接片加工订单
工艺:冲压
材料:T1-Y纯铜(GB/T5231-2001)
数量:10万件
需求:按图纸要求报含税运最优价格,有生产能力的厂家请速联系。
截止时间:2025.7.18
收货地:宁波
外圆磨件加工订单
工艺:机加工
材料:GCr15
数量:200000件/月
需求:需具备摆线外圆磨设备,有预付款。按图纸要求报含税运最优价格。
截止时间:2025.7.18
收货地:常州
电刷架端子加工订单
工艺:冲压
材料:铜板(M-7096)
数量:10万件
需求:按图纸要求报含税运最优价格,有生产能力的厂商请尽快联系。
截止时间:2025.7.18
收货地:宁波
电机接线端子加工订单
工艺:冲压
材料:铜锌黄铜(M-7052)
数量:10万件
需求:按图纸要求报含税运最优价格,具备生产能力的厂家请速联系。
截止时间:2025.7.18
收货地:宁波
连接杆加工订单
工艺:机加工
材料:20#
数量:100支
需求:按图纸要求报含税运最优价格,有生产能力的厂商请尽快联系。
截止时间:2025.7.22
收货地:江苏镇江
中央轴加工订单
工艺:机加工
数量:100支
需求:报价需包含含税运及包装费用,FOB上海进仓费,有生产能力的厂商请尽快联系。
截止时间:2025.7.22
收货地:江苏镇江
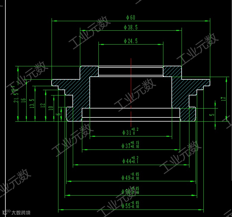
连接轴加工订单
工艺:机加工
材料:304
数量:100件
需求:按图纸要求报含税运最优价格,有生产能力的厂商请尽快联系。
截止时间:2025.7.22
收货地:江苏镇江
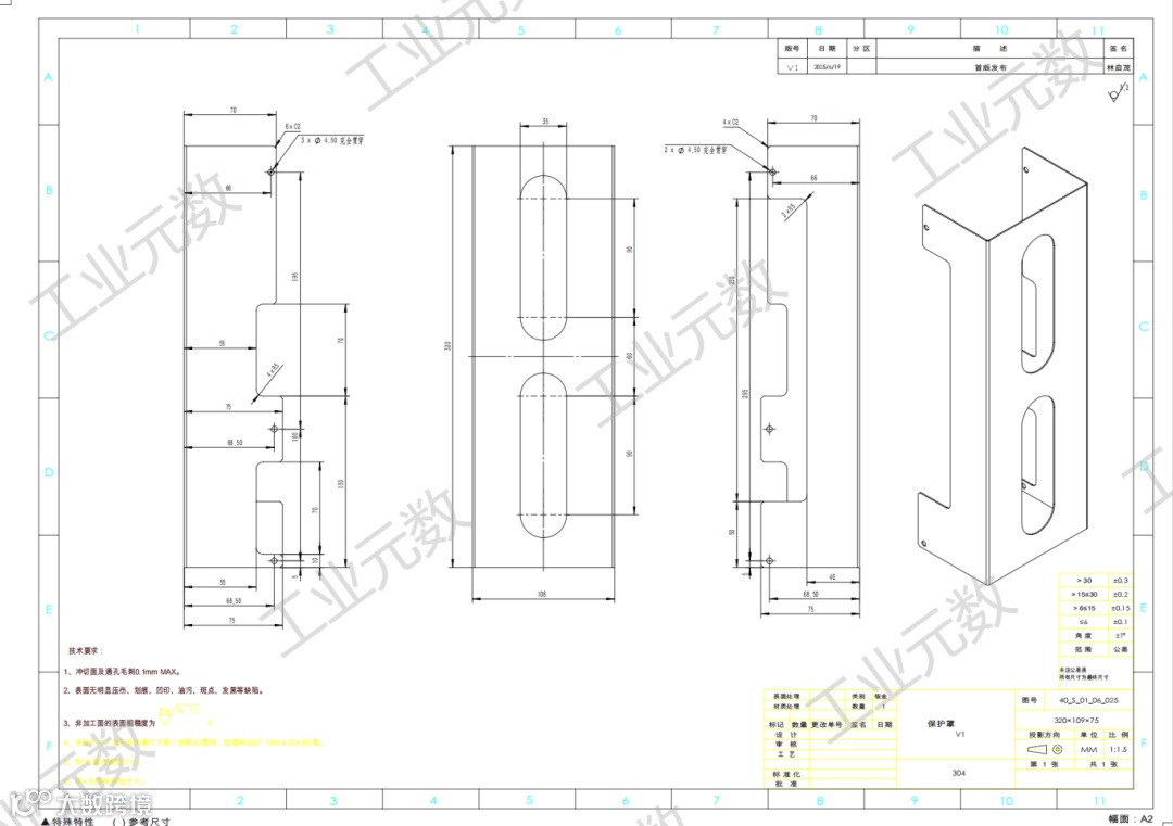
保护罩加工订单
工艺:机加工
材料:304
数量:100支
需求:共58个图纸,按图纸要求报含税运最优价格,有加工能力的厂家请联系获取全部图纸。
截止时间:2025.7.22
收货地:镇江市
铝件加工订单
工艺:机加工
材料:6060铝
数量:50000件
需求:安徽凤阳加工方场地自提,包工包料且有预付款,工期120天,请按附件图纸要求报价。
截止时间:2025.7.22
收货地:安徽凤阳
中环铸造订单
工艺:铸造
材料:钢
数量:5000件
需求:按图纸要求报含税运最优价格,有生产能力的厂商请尽快联系。
截止时间:2025.7.22
收货地:盐城
轴加工订单
工艺:机加工、热处理
材料:45
数量:10件
需求:按图纸要求报含税运最优价格,有生产能力的厂商请尽快联系。
截止时间:2025.7.25
收货地:张家港
轴承套加工订单
工艺:机加工
材料:35
数量:10件
需求:按图纸要求报含税运最优价格,有生产能力的厂商请尽快联系。
截止时间:2025.7.25
收货地:张家港
304加工件订单
工艺:机加工
材料:304
数量:1500件(首次),长期需求
需求:按图纸要求报含税运最优价格,有生产能力的厂商请尽快联系。
截止时间:2025.7.25
收货地:浙江台州

